0
ETI    SIEMENS    ABB    WIKA    IFM    ELKO EP    HYUNDAI    VEGA    KSR KUEBLER    Johnson Controls    Siemens IA/DT (CA01)    Bosch Rexroth    Alfa Laval    SICK    Others  

IN40-D0101K

Код: 6027389
Связатся с нами: 067 285 7770

В корзину

Показать всё Скрыть всё

  • Характеристики
    Принцип работы датчикаИндуктивный
    Количество безопасных выходов1
    Задержка переключения от момента изменения состоянияT2 + 20 ms
    Зона деблокировки10 mm ... 15 mm 1)
    Безопасное расстояние выключения Sar30 mm 1)
    Направления включения5
    Активные сенсорные поверхности1
    Время контроля минимальной продолжительности пребывания ≥ 0,2 s
    • 1) В зависимости от материала. Указанные значения относятся к применению стали ST37.
  • Параметры техники безопасности
    Класс надежностиSIL3 (IEC 61508)
    КатегорияКатегория 4 (EN ISO 13849)
    Уровень производительностиPL e (EN ISO 13849)
    PFHd (средняя вероятность опасного отказа в час)1,33 x 10-9 (EN ISO 13849)
    TM (заданная продолжительность работы)

    10 лет (EN ISO 13849) 1)

    20 лет (EN ISO 13849) 2)

    Тип конструкцииТип конструкции 3 (EN ISO 14119)
    Степень кодирования пускателяНезакодированный (EN ISO 14119)
    Классификация по IEC/EN 60947-5-3PDF-M
    • 1) При –25...+70 °C и относительной влажности воздуха 5...95 %.
    • 2) При +10...+40 °C и относительной влажности воздуха 5...70 %.
  • Функции
    Каскадное подключение
  • Интерфейсы
    Тип подключенияРазъем M12, 4-конт.
    Индикация питания
    Индикация состояния
  • Электрические данные
    Класс защитыIII (EN 50178)
    Напряжение питания UV24 V DC (19,2 V DC ... 30 V DC)
    Потребление тока15 mA
    Тип выходаПолупроводниковый выход, импульсный
  • Механические данные
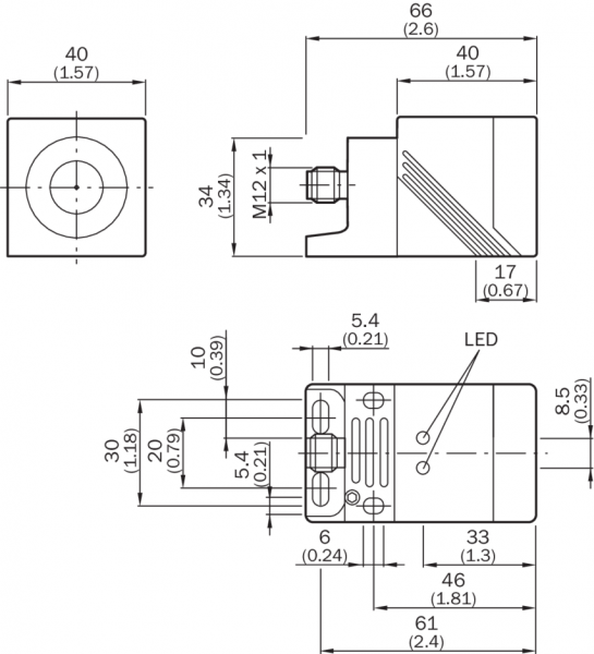
    Тип корпусаПрямоугольный
    Габариты40 mm x 40 mm x 66 mm
    Вес0,22 kg
    Материал корпусаЦинковое литье (корпус), PPE (крышка)
    УстановкаС выступающей частью
  • Данные окружающей среды
    Тип защитыIP67 (IEC 60529)
    Диапазон рабочих температур–25 °C ... +70 °C
    Температура хранения–25 °C ... +70 °C
    Виброустойчивость10 Hz ... 55 Hz, 1 mm (EN 60947-5-3)
    Ударопрочность30 g, 11 ms (EN 60947-5-3)
  • Классификации
    ECl@ss 5.027272401
    ECl@ss 5.1.427272401
    ECl@ss 6.027272401
    ECl@ss 6.227272401
    ECl@ss 7.027272401
    ECl@ss 8.027272401
    ECl@ss 8.127272401
    ECl@ss 9.027272401
    ETIM 5.0EC001818
    ETIM 6.0EC001818
    UNSPSC 16.090139122205
Показать всё Скрыть всё

Технические чертежи

Габаритный чертеж Область срабатывания Схема соединений Схема разъема датчика Вид: Галерея Список Показать всё Скрыть всё
Показать всё Скрыть всё