0
ETI    SIEMENS    ABB    WIKA    IFM    ELKO EP    HYUNDAI    VEGA    KSR KUEBLER    Johnson Controls    Siemens IA/DT (CA01)    Bosch Rexroth    Alfa Laval    SICK    Others  

IMC30-15BPPVC0SA70

Код: 1079299
Связатся с нами: 067 285 7770

В корзину

Показать всё Скрыть всё

  • Характеристики
    Тип корпусаЦилиндрический с резьбой
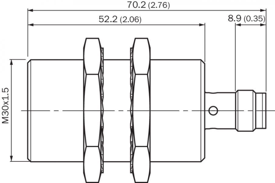
    Размер резьбыM30 1,5
    ДиаметрØ 30 mm
    Расстояние срабатывания Sn0 mm ... 15 mm 1)
    Расстояние срабатывания обеспечено Sa12,15 mm
    Количество точек переключенияДо 4 настраиваемых точек переключения или окон
    Режимы переключенияSingle point, Window mode, Two point mode, визуальная сигнализация при настройке
    Частота переключения Qint.1 / Qint.2на контакте 2:200 Hz
    МонтажВровень
    Тип подключенияРазъем M12, 4-конт. 2)
    Переключающий выходPNP
    Выход Q/CПереключающий выход или режим IO-link
    Выход MFCПереключающий выход или вход
    Функция выходаНормально закрытый / Нормально открытый
    Свойства переключения по выборуПрограммируемый
    Электрическое исполнениеПост. ток, 4-проводный
    Тип защиты

    IP68 3)

    IP69K 4)

    Особые свойстваSmart TaskУстойчивость к воздействию охлаждающих и смазочных материалов
    ДиагностикаТемпература чипа
    Конфигурация контакта 2Внешний вход, обучение, дискретный сигнал
    • 1) Регулируется.
    • 2) С позолоченными контактами.
    • 3) Согласно EN 60529.
    • 4) Согласно ISO 20653:2013-03.
  • Интерфейс связи
    Интерфейс связиIO-Link V1.1
    ModeCOM2 (38,4 kBaud)
    Время цикла5 ms
    Длина технологических данных32 Bit
    Структура технологических данных

    Бит 0 = дискретный сигнал QL1

    Бит 1 = дискретный сигнал QL2

    Бит 2 = дискретный сигнал QInt3

    Бит 3 = дискретный сигнал QInt4

    Бит 18 ... 31 = значение времени

    Настройки по умолчанию

    Точка переключения 1: заданное значение 1

    Выход: нормально открытый

    Конфигурация контакта 2: вход

  • Механика/электроника
    Напряжение питания10 V DC ... 30 V DC 1)
    Остаточная пульсация≤ 10 %
    Падение напряжения≤ 2 V 2)
    Потребление тока≤ 35 mA 3)
    ГистерезисПрограммируемый 4)
    Воспроизводимость≤ 5 % 5) 6)
    Отклонение температуры (от Sr)± 10 %
    ЭМССогласно EN 60947-5-2
    Постоянный ток Ia≤ 200 mA 7)
    Защита от короткого замыкания
    Защита от инверсии полярности
    Подавление импульса включения
    Ударопрочность и виброустойчивость100 г/5 мс/500 циклов, 150 г/1 млн циклов, 10...55 Гц, 1 мм/55...500 Гц/60 г
    Диапазон температур при работе–40 °C ... +75 °C
    Материал корпусаНержавеющая сталь, V2A (1.4305)
    Материал, активная поверхностьПластик, LCP
    Длина корпуса70 mm
    Полезная длина резьбы52 mm
    Макс. момент затяжкиTyp. 100 Nm 8)
    № файла ULE181493
    Точность обучения+/- 3 % от Sr
    Разрешение, типичное (диапазон)

    25 мкм (0 мм ... 6 мм)

    75 мкм (6 мм ... 10 мм)

    300 мкм (10 мм ... 15 мм)

    Разрешение, максимальное (диапазон)

    50 мкм (0 мм ... 6 мм)

    150 мкм (6 мм ... 10 мм)

    500 мкм (10 мм ... 15 мм)

    • 1) Режим IO-link: 18 В пост. тока... 30 В пост. тока.
    • 2) При Ia max.
    • 3) Без нагрузки.
    • 4) Для соблюдения EN 60947-5-2 гистерезис должен быть установлен приблизительно на 10%.
    • 5) Ub и Ta постоянны.
    • 6) От Sr.
    • 7) 200 мА в общей сложности для обоих переключающих выходов.
    • 8) При применении зубчатой стороны гайки.
  • Заданные значения
    ПримечаниеЗаданное значение в цифрах для точки переключения в мм сохранено в датчике
    Заданное значение 114 mm
    Заданное значение 210 mm
    Заданное значение 36 mm
    Заданное значение 42 mm
  • Коэффициенты редукции
    Нержавеющая сталь (V2A)Ок. 0,6
    Алюминий (Al)Ок. 0,2
    Медь (Cu)Ок. 0,2
    Латунь (Ms)Ок. 0,2
  • Указания по установке
    ПримечаниеСоответствующие графические материалы см. в разд. «Указания по установке»
    B40 mm
    C30 mm
    D45 mm
    F120 mm
  • Классификации
    ECl@ss 5.027270101
    ECl@ss 5.1.427270101
    ECl@ss 6.027270101
    ECl@ss 6.227270101
    ECl@ss 7.027270101
    ECl@ss 8.027270101
    ECl@ss 8.127270101
    ECl@ss 9.027270101
    ETIM 5.0EC002714
    ETIM 6.0EC002714
    UNSPSC 16.090139122230
  • Smart Task
    Обозначение интеллектуальной задачиИзмерение времени + устранение дребезга
    Логическая функция

    Окно

    Прямой

    Функция таймера

    Деактивирован

    Задержка включения

    Задержка выключения

    Замедление включения и выключения

    Импульс (One Shot)

    ИнверторРегулируется
    Точность измерения времени

    SIO Logic: (-1,2 ... 0) x временная база ± 1 % измеренного значения времени 1)

    IOL: (-1,2 ... 0) x временная база ± 1 % измеренного значения времени 2)

    Точность измерения времени (например, для измеренного значения времени 1 сек.)Временная база 1 мс: –11,2 мс... 10 мс
    Разрешение измеренного значения времени3 ms
    Минимальное время между двумя событиями процесса

    SIO Logic: 2.5 ms 1)

    IOL: 2.5 ms 2)

    Время устранения дребезга, макс.

    SIO Logic: 30 s 1)

    IOL: 30 s 2)

    Дискретный сигнал QL1Устройство переключения выходного сигнала (в зависимости от установленного предельного значения)
    Дискретный сигнал QL2Устройство переключения выходного сигнала (в зависимости от установленного предельного значения)
    Измеряемое значениеИзмеренного значения времени
    • 1) SIO Logic: работа датчика в стандартном режиме I/O без коммуникации IO-Link. Применение логических и временных параметров датчика, дополнительные функции автоматизации.
    • 2) IOL: работа датчика с полной коммуникацией IO-Link и применением логических, временных параметров и параметров функций автоматизации.
  • Интерфейс связи
    Интерфейс связиIO-Link V1.1
    Коммуникационный интерфейс, детальное описаниеCOM2 (38,4 kBaud)
    Время цикла5 ms
    Длина технологических данных32 Bit
    Структура технологических данных

    Бит 0 = дискретный сигнал QL1

    Бит 1 = дискретный сигнал QL2

    Бит 2 = дискретный сигнал QInt3

    Бит 3 = дискретный сигнал QInt4

    Бит 18 ... 31 = значение времени

    Настройки по умолчанию

    Точка переключения 1: заданное значение 1

    Выход: нормально открытый

    Конфигурация контакта 2: вход

Показать всё Скрыть всё

Технические чертежи

Указания по установке Монтаж заподлицо Схема соединений cd-367 кривая срабатывания Габаритный чертеж IMC30 стандарт, штекер M12, вровень с плоскостью Вид: Галерея Список Показать всё Скрыть всё
Показать всё Скрыть всё