0
ETI    SIEMENS    ABB    WIKA    IFM    ELKO EP    HYUNDAI    VEGA    KSR KUEBLER    Johnson Controls    Siemens IA/DT (CA01)    Bosch Rexroth    Alfa Laval    SICK    Others  

IMB08-02BDSVU2K

Код: 1075585
Связатся с нами: 067 285 7770

В корзину

Показать всё Скрыть всё

  • Характеристики
    Тип корпусаЦилиндрический с резьбой
    Конструкция корпусаКороткий корпус
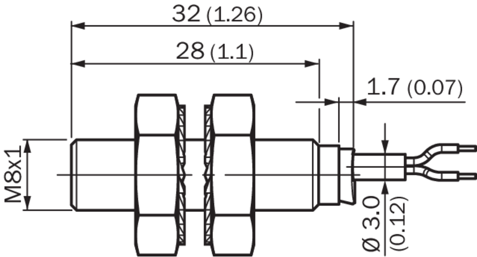
    Размер резьбыM8 1
    ДиаметрØ 8 mm
    Расстояние срабатывания Sn2 mm
    Расстояние срабатывания обеспечено Sa1,62 mm
    МонтажВровень
    Частота переключения4.000 Hz
    Тип подключенияКабель, 2-жильный, 2 m
    Функция выходаНормально открытый
    Электрическое исполнениеПост. ток, 2-проводный
    Тип защиты

    IP68 1)

    IP69K 2)

    Особые свойстваУстойчивость к воздействию охлаждающих и смазочных материалов, визуальная сигнализация при настройке
    • 1) Согласно EN 60529.
    • 2) Согласно ISO 20653:2013-03.
  • Механика/электроника
    Напряжение питания10 V DC ... 30 V DC
    Остаточная пульсация≤ 10 %
    Падение напряжения

    ≤ 4 V 1)

    ≤ 4,5 V 2)

    Задержка готовности≤ 100 ms
    Гистерезис3 % ... 20 %
    Воспроизводимость≤ 2 % 3) 4)
    Отклонение температуры (от Sr)± 10 %
    ЭМССогласно EN 60947-5-2
    Постоянный ток Ia≤ 100 mA
    Остаточный токTyp. 0,8 mA (≤ 1,2 мА при Ub max и 100 °C)
    Минимальный ток нагрузки≥ 3 mA
    Материал кабеляПолиуретан
    Защита от короткого замыкания
    Защита от инверсии полярности
    Импульс включения≤ 5 ms
    Ударопрочность и виброустойчивость100 г/5 мс/500 циклов, 150 г/1 млн циклов, 10...55 Гц, 1 мм/55...500 Гц/15 г
    Диапазон температур при работе–40 °C ... +100 °C
    Материал корпусаНержавеющая сталь, V2A (1.4305)
    Материал, активная поверхностьПластик, LCP
    Длина корпуса32 mm
    Полезная длина резьбы28 mm
    Макс. момент затяжкиTyp. 14 Nm 5)
    № файла ULE181493
    • 1) При Ia = 30 мA.
    • 2) При Ia max.
    • 3) Ub и Ta постоянны.
    • 4) От Sr.
    • 5) При применении зубчатой стороны гайки.
  • Коэффициенты редукции
    ПримечаниеЗначения являются ориентировочными и могут изменяться
    Нержавеющая сталь (V2A)Ок. 0,74
    Алюминий (Al)Ок. 0,43
    Медь (Cu)Ок. 0,33
    Латунь (Ms)Ок. 0,46
  • Указания по установке
    ПримечаниеСоответствующие графические материалы см. в разд. «Указания по установке»
    B6,5 mm
    C8 mm
    D6 mm
    F16 mm
  • Классификации
    ECl@ss 5.027270101
    ECl@ss 5.1.427270101
    ECl@ss 6.027270101
    ECl@ss 6.227270101
    ECl@ss 7.027270101
    ECl@ss 8.027270101
    ECl@ss 8.127270101
    ECl@ss 9.027270101
    ETIM 5.0EC002714
    ETIM 6.0EC002714
    UNSPSC 16.090139122230
Показать всё Скрыть всё

Технические чертежи

Указания по установке Монтаж заподлицо Схема соединений cd-012 кривая срабатывания Габаритный чертеж IMB08 короткий вариант, кабель, вровень с плоскостью Вид: Галерея Список Показать всё Скрыть всё
Показать всё Скрыть всё