0
ETI    SIEMENS    ABB    WIKA    IFM    ELKO EP    HYUNDAI    VEGA    KSR KUEBLER    Johnson Controls    Siemens IA/DT (CA01)    Bosch Rexroth    Alfa Laval    SICK    Others  

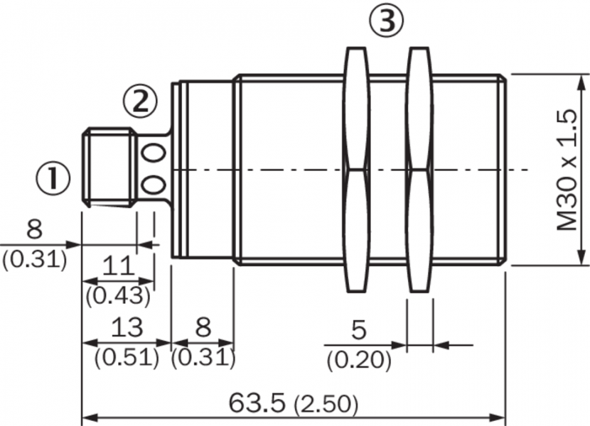
IM30-20BNS-NC1

Код: 6027583
Связатся с нами: 067 285 7770

В корзину

Показать всё Скрыть всё

  • Характеристики
    Тип корпусаЦилиндрический с резьбой
    Размер резьбыM30 1,5
    ДиаметрØ 30 mm
    Расстояние срабатывания Sn20 mm
    Расстояние срабатывания обеспечено Sa16,2 mm
    МонтажВровень
    Частота переключения100 Hz
    Тип подключенияРазъем M12, 4-конт.
    Переключающий выходNPN
    Функция выходаНормально открытый
    Электрическое исполнениеПост. ток, 3-проводный
    Тип защитыIP68, IP69K 1)
    Особые свойстваАктивная поверхность из металла, Тройное расстояние срабатывания
    • 1) Согласно EN 60529.
  • Механика/электроника
    Напряжение питания10 V DC ... 30 V DC
    Остаточная пульсация≤ 20 % 1)
    Падение напряжения≤ 2 V 2)
    Потребление тока≤ 10 mA 3)
    Задержка готовности≤ 40 ms
    Гистерезис1 % ... 15 %
    Воспроизводимость≤ 5 % 4) 5)
    Отклонение температуры (от Sr)≤ 10 %
    ЭМССогласно EN 60947-5-2
    Постоянный ток Ia≤ 200 mA
    Защита от короткого замыкания
    Защита от инверсии полярности
    Подавление импульса включения
    Ударопрочность и виброустойчивость30 г, 11 мс/10…55 Гц, 1 мм
    Диапазон температур при работе–25 °C ... +85 °C
    Материал корпусаНержавеющая сталь, V4A (1.4435, 316L)
    Материал, активная поверхностьНержавеющая сталь, V4A (1.4435, 316L)
    Длина корпуса63,5 mm
    Полезная длина резьбы42 mm
    Макс. момент затяжки≤ 150 Nm
    • 1) От UV.
    • 2) При Ia max.
    • 3) Без нагрузки.
    • 4) От Sr.
    • 5) UB = 20 V DC ... 30 V DC, TA = 23 °C ± 5 °C.
  • Коэффициенты редукции
    ПримечаниеЗначения являются ориентировочными и могут изменяться
    Сталь St37 (Fe)Ок. 1
    Нержавеющая сталь (V4A)Ок. 0,5
    Алюминий (Al)Ок. 1
    Медь (Cu)Ок. 0,9
    Латунь (Ms)Ок. 1,2
  • Указания по установке
    ПримечаниеСоответствующие графические материалы см. в разд. «Указания по установке»
    A30 mm
    B80 mm
    C30 mm
    D60 mm
    E0 mm
    F200 mm
  • Классификации
    ECl@ss 5.027270101
    ECl@ss 5.1.427270101
    ECl@ss 6.027270101
    ECl@ss 6.227270101
    ECl@ss 7.027270101
    ECl@ss 8.027270101
    ECl@ss 8.127270101
    ECl@ss 9.027270101
    ETIM 5.0EC002714
    ETIM 6.0EC002714
    UNSPSC 16.090139122230
Показать всё Скрыть всё

Технические чертежи

Схема соединений cd-007 Габаритный чертеж IM30 Inox, вровень с плоскостью Указания по установке Монтаж не вровень с плоскостью Вид: Галерея Список Показать всё Скрыть всё
Показать всё Скрыть всё