0
ETI    SIEMENS    ABB    WIKA    IFM    ELKO EP    HYUNDAI    VEGA    KSR KUEBLER    Johnson Controls    Siemens IA/DT (CA01)    Bosch Rexroth    Alfa Laval    SICK    Others  

IM18-08N-N-ZW0

Код: 6021127
Связатся с нами: 067 285 7770

В корзину

Показать всё Скрыть всё

  • Характеристики
    Тип корпусаЦилиндрический с резьбой
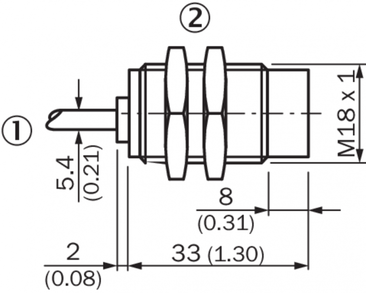
    Размер резьбыM18 1
    ДиаметрØ 18 mm
    Расстояние срабатывания Sn8 mm
    Расстояние срабатывания обеспечено Sa6,48 mm
    МонтажС выступающей частью
    Частота переключения300 Hz
    Тип подключенияКабель, 2-жильный, 2 m
    Переключающий выходNAMUR
    Функция выходаНормально закрытый
    Тип защитыIP67 1)
    • 1) Согласно EN 60529.
  • Механика/электроника
    Напряжение питания7,5 V DC ... 25 V DC 1)
    Потребление тока≤ 30 mA 1)
    Гистерезис1 % ... 15 %
    Отклонение температуры (от Sr)± 10 %
    ЭМССогласно EN 60947-5-6
    Потребляемый ток демпфированный≤ 1 mA
    Потребляемый ток недемпфированный≥ 2,2 mA
    Материал кабеляPVC
    Поперечное сечение кабеля0,5 mm²
    Диаметр проводаØ 5,4 mm
    Сопротивление провода50 Ω
    Ударопрочность и виброустойчивость30 г, 11 мс/10…55 Гц, 1 мм
    Диапазон температур при работе–20 °C ... +70 °C
    Материал корпусаМеталл, никелированная латунь
    Материал, активная поверхностьПластик, Пластик
    Длина корпуса33 mm
    Полезная длина резьбы24 mm
    Макс. момент затяжки35 Nm
    Вес164 g
    Комплект поставкиКрепежная гайка (2 шт.), размер под ключ 24, металл
    Свидетельство ЕС об испытаниях промышленного образцаPTB 03 ATEX 2037
    Категория взрывоопасной зоны1G, 2G
    Макс. входное напряжение Ui15 V 2)
    Макс. входная мощность Ui120 mW 2)
    Макс. входной ток Ii50 mA 2)
    Макс. внутренняя емкость Ci155 nF 2)
    Макс. внутренняя индуктивность Li50 µH 2)
    Номинальное напряжение8,2 V DC 3)
    Маркировка прибораII 1G Ex ia IIC T6 Ga Ta –20 °C ... +70 °C, II 2 G Ex ia IIC T6 Gb Ta: –20 °C ... +70 °C
    • 1) При применении вне взрывоопасных зон.
    • 2) Только для подключения в электрическом искробезопасном контуре, сертифицируемом отдельно.
    • 3) 1 kΩ.
  • Коэффициенты редукции
    ПримечаниеЗначения являются ориентировочными и могут изменяться
    Нержавеющая сталь (V2A)Ок. 0,7
    Алюминий (Al)Ок. 0,4
    Медь (Cu)Ок. 0,3
    Латунь (Ms)Ок. 0,5
  • Указания по установке
    ПримечаниеСоответствующие графические материалы см. в разд. «Указания по установке»
    A18 mm
    B36 mm
    C18 mm
    D24 mm
    E16 mm
    F64 mm
  • Классификации
    ECl@ss 5.027270101
    ECl@ss 5.1.427270101
    ECl@ss 6.027270101
    ECl@ss 6.227270101
    ECl@ss 7.027270101
    ECl@ss 8.027270101
    ECl@ss 8.127270101
    ECl@ss 9.027270101
    ETIM 5.0EC002714
    ETIM 6.0EC002714
    UNSPSC 16.090139122230
Показать всё Скрыть всё

Технические чертежи

Указания по установке Монтаж не вровень с плоскостью Схема соединений cd-012 Габаритный чертеж IM18 Namur, не вровень с плоскостью Вид: Галерея Список Показать всё Скрыть всё
Показать всё Скрыть всё