0
ETI    SIEMENS    ABB    WIKA    IFM    ELKO EP    HYUNDAI    VEGA    KSR KUEBLER    Johnson Controls    Siemens IA/DT (CA01)    Bosch Rexroth    Alfa Laval    SICK    Others  

IM05-1B5NSVU2S

Код: 6049733
Связатся с нами: 067 285 7770

В корзину

Показать всё Скрыть всё

  • Характеристики
    Тип корпусаЦилиндрический с резьбой
    Конструкция корпусаСтандартная конструкция
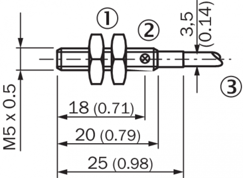
    Размер резьбыM5 0,5
    ДиаметрØ 5 mm
    Расстояние срабатывания Sn1,5 mm
    Расстояние срабатывания обеспечено Sa1,215 mm
    МонтажВровень
    Частота переключения3.000 Hz
    Тип подключенияКабель, 3-жильный, 2 m
    Переключающий выходNPN
    Функция выходаНормально открытый
    Электрическое исполнениеПост. ток, 3-проводный
    Тип защитыIP67 1)
    • 1) Согласно EN 60529.
  • Механика/электроника
    Напряжение питания10 V DC ... 30 V DC
    Остаточная пульсация≤ 20 % 1)
    Падение напряжения≤ 2 V 2)
    Потребление тока≤ 10 mA 3)
    Задержка готовности≤ 10 ms
    Гистерезис1 % ... 10 %
    Воспроизводимость≤ 2 % 4)
    Отклонение температуры (от Sr)≤ 10 %
    ЭМС

    EN 60947-5-2

    IEC 61000-4-2: (тестовый уровень 2)

    IEC 61000-4-4: (тестовый уровень 3)

    Материал кабеляПолиуретан
    Поперечное сечение кабеля0,14 mm²
    Диаметр проводаØ 3,5 mm
    Защита от короткого замыкания
    Защита от инверсии полярности
    Ударопрочность и виброустойчивость30 г, 11 мс/10…55 Гц, 1 мм
    Диапазон температур при работе–25 °C ... +70 °C
    Материал корпусаНержавеющая сталь, Нержавеющая сталь (V2A)
    Материал, активная поверхностьПластик, Пластик
    Длина корпуса25 mm
    Полезная длина резьбы20 mm
    Макс. момент затяжки≤ 1,8 Nm
    № файла ULNRKH.E191603
    • 1) От UV.
    • 2) При Ia = 200 мA.
    • 3) Без нагрузки.
    • 4) Ub = 20 V DC ... 30 V DC, Ta = 23 °C ± 5 °C.
  • Коэффициенты редукции
    ПримечаниеЗначения являются ориентировочными и могут изменяться
    Нержавеющая сталь (V2A)Ок. 0,75
    Алюминий (Al)Ок. 0,4
    Медь (Cu)Ок. 0,4
    Латунь (Ms)Ок. 0,5
  • Указания по установке
    ПримечаниеСоответствующие графические материалы см. в разд. «Указания по установке»
    A1,5 mm
    B0 mm
    C5 mm
    D4,5 mm
    E0 mm
    F12 mm
  • Классификации
    ECl@ss 5.027270101
    ECl@ss 5.1.427270101
    ECl@ss 6.027270101
    ECl@ss 6.227270101
    ECl@ss 7.027270101
    ECl@ss 8.027270101
    ECl@ss 8.127270101
    ECl@ss 9.027270101
    ETIM 5.0EC002714
    ETIM 6.0EC002714
    UNSPSC 16.090139122230
Показать всё Скрыть всё

Технические чертежи

Указания по установке Монтаж почти вровень с плоскостью Схема соединений cd-001 Габаритный чертеж Стандартный вариант, вровень с плоскостью, кабель Вид: Галерея Список Показать всё Скрыть всё
Показать всё Скрыть всё