0
ETI    SIEMENS    ABB    WIKA    IFM    ELKO EP    HYUNDAI    VEGA    KSR KUEBLER    Johnson Controls    Siemens IA/DT (CA01)    Bosch Rexroth    Alfa Laval    SICK    Others  

i150-RP223

Код: 6024884
Связатся с нами: 067 285 7770

В корзину

Показать всё Скрыть всё

  • Характеристики
    Количество принудительно размыкаемых нормально закрытых контактов2
    Количество нормально открытых контактов2
    Усилие приведения в действие (отклонение)≤ 125 N (300 mm)
    Частота пускателя≤ 3.600 /h
    Направления включения1
    Длина троса≤ 75 m
  • Параметры техники безопасности
    Значение B10d2 x 106 циклов срабатывания
    Безопасное состояние в случае возникновения ошибкиВыключатель не имеет внутренней функции обнаружения ошибок и в случае неисправности не может перейти в безопасное состояние. Обнаружение ошибок осуществляется с помощью подключенного логического блока, направленного на обеспечение безопасности.
  • Интерфейсы
    Тип подключенияВвод кабеля, 3 x M20
    Сечение провода≤ 1,5 mm²
  • Электрические данные
    Принцип переключенияВыключатель замедленного действия
    Количество принудительно размыкаемых нормально закрытых контактов2
    Количество нормально открытых контактов2
    Категория потребленияAC-15/DC-13 (IEC 60947-5-1)
    Расчетный рабочий ток (расчетное рабочее напряжение)

    3 A (240 V AC)

    2 A (24 V DC)

    Расчетное напряжение на изоляции Ui250 V
    Максимально допустимое импульсное напряжение Uimp2.500 V
    Защита от короткого замыканияT6
    Напряжение переключения≥ 5 V DC
    Ток переключения (напряжение переключения)≥ 5 mA (5 V DC)
  • Механические данные
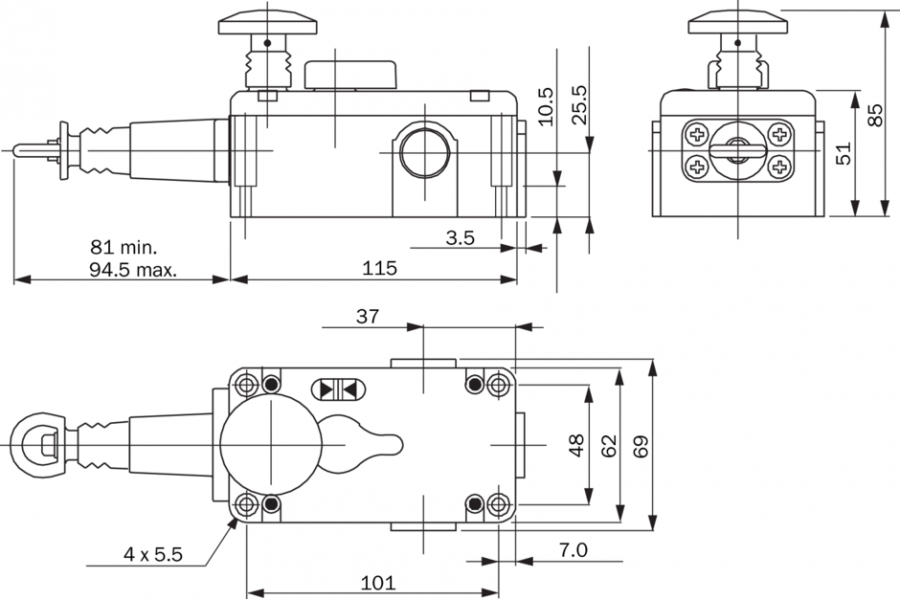
    Габариты69 mm x 203 mm x 85 mm
    Вес0,84 kg
    Материал корпусаКорпус из легкосплавного литья
    Обработка поверхностиС лакокрасочным покрытием
    Срок службы механических компонентов1 x 106 циклов срабатывания
  • Данные окружающей среды
    Тип защитыIP65 (IEC 60529)
    Диапазон рабочих температур–25 °C ... +80 °C
    Температура хранения–25 °C ... +80 °C
  • Классификации
    ECl@ss 5.027270601
    ECl@ss 5.1.427270690
    ECl@ss 6.027270607
    ECl@ss 6.227270607
    ECl@ss 7.027270607
    ECl@ss 8.027270607
    ECl@ss 8.127270607
    ECl@ss 9.027371201
    ETIM 5.0EC002033
    ETIM 6.0EC002033
    UNSPSC 16.090139121545
Показать всё Скрыть всё

Технические чертежи

Габаритный чертеж Диаграмма ходов переключения Отображение контактов при извлечении пускателя (полностью вставлен = 0 мм) Переключатели Вид: Галерея Список Показать всё Скрыть всё
Показать всё Скрыть всё