0
ETI    SIEMENS    ABB    WIKA    IFM    ELKO EP    HYUNDAI    VEGA    KSR KUEBLER    Johnson Controls    Siemens IA/DT (CA01)    Bosch Rexroth    Alfa Laval    SICK    Others  

i110-RA223

Код: 6025108
Связатся с нами: 067 285 7770

В корзину

Показать всё Скрыть всё

  • Характеристики
    Количество принудительно размыкаемых нормально закрытых контактов2
    Количество нормально открытых контактов2
    Частота пускателя≤ 6.000 /h
    Крутящий момент пускателя≥ 0,34 Nm
    Направления включения4
    Скорость запуска0,1 m/min ... 15 m/min
    Угол принудительно размыкаемых контактов44°
  • Параметры техники безопасности
    Значение B10d2 x 106 циклов срабатывания
    Тип конструкцииТип конструкции 1 (EN ISO 14119)
    Степень кодирования пускателяНезакодированный (EN ISO 14119)
    Безопасное состояние в случае возникновения ошибкиВыключатель не имеет внутренней функции обнаружения ошибок и в случае неисправности не может перейти в безопасное состояние. Обнаружение ошибок осуществляется с помощью подключенного логического блока, направленного на обеспечение безопасности.
  • Интерфейсы
    Вид подключенияВвод кабеля, 1 x M20
    Сечение провода≤ 2,5 mm²
  • Электрические данные
    Принцип переключенияВыключатель замедленного действия
    Категория потребленияAC-15/DC-13 (IEC 60947-5-1)
    Расчетный рабочий ток (расчетное рабочее напряжение)

    3 A (240 V AC)

    3 A (24 V DC)

    Расчетное напряжение на изоляции Ui250 V
    Максимально допустимое импульсное напряжение Uimp2.500 V AC
    Защита от короткого замыканияF15
    Напряжение переключения≥ 5 V DC
    Ток переключения (напряжение переключения)≥ 5 mA (5 V DC)
  • Механические данные
    Вес0,52 kg
    Материал корпусаЦинк, литье под давлением
    Обработка поверхностиС лакокрасочным покрытием
    Срок службы механических компонентов10 x 106 циклов срабатывания
  • Данные окружающей среды
    Тип защитыIP66 (IEC 60529)
    Диапазон рабочих температур–25 °C ... +80 °C
    Температура хранения–25 °C ... +80 °C
  • Классификации
    ECl@ss 5.027272601
    ECl@ss 5.1.427272601
    ECl@ss 6.027272601
    ECl@ss 6.227272601
    ECl@ss 7.027272601
    ECl@ss 8.027272601
    ECl@ss 8.127272601
    ECl@ss 9.027272601
    ETIM 5.0EC001829
    ETIM 6.0EC001829
    UNSPSC 16.090139122205
Показать всё Скрыть всё

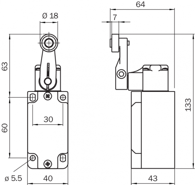
Технические чертежи

Габаритный чертеж Диаграмма ходов переключения Вид: Галерея Список Показать всё Скрыть всё
Показать всё Скрыть всё