0
ETI    SIEMENS    ABB    WIKA    IFM    ELKO EP    HYUNDAI    VEGA    KSR KUEBLER    Johnson Controls    Siemens IA/DT (CA01)    Bosch Rexroth    Alfa Laval    SICK    Others  

i110-E0233

Код: 6051597
Связатся с нами: 067 285 7770

В корзину

Показать всё Скрыть всё

  • Характеристики
    Количество принудительно размыкаемых нормально закрытых (замкнутых) контактов контроля запирания2
    Количество нормально открытых контактов контроля запирания1
    Количество принудительно размыкаемых нормально закрытых (замкнутых) контактов контроля дверей0
    Количество нормально открытых контактов контроля дверей0
    Количество нормально закрытых контактов контроля дверей1
    Удерживающее усилие Fmax2.500 N (EN ISO 14119) 1)
    Удерживающее усилие FZh2.000 N (EN ISO 14119) 2)
    Усилие пускателя≥ 35 N
    Частота пускателя≤ 7.000 /h
    Направления включения5
    Скорость запуска≤ 20 m/min
    • 1) С угловым пускателем: 1500 N.
    • 2) С угловым пускателем: 1150 N.
  • Параметры техники безопасности
    Значение B10d5 x 106 циклов срабатывания
    Тип конструкцииТип конструкции 2 (EN ISO 14119)
    Степень кодирования пускателяНевысокая степень кодирования (EN ISO 14119)
    Безопасное состояние в случае возникновения ошибкиВыключатель не имеет внутренней функции обнаружения ошибок и в случае неисправности не может перейти в безопасное состояние. Обнаружение ошибок осуществляется с помощью подключенного логического блока, направленного на обеспечение безопасности.
  • Интерфейсы
    Тип подключенияВвод кабеля, 3 x M20
    Сечение провода0,34 mm² ... 1,5 mm²
  • Электрические данные
    Степень загрязнения3
    Принцип переключенияВыключатель замедленного действия
    Категория потребленияAC-15/DC-13 (IEC 60947-5-1)
    Расчетный рабочий ток (расчетное рабочее напряжение)

    4 A (230 V AC)

    4 A (24 V DC)

    Расчетное напряжение на изоляции Ui250 V
    Максимально допустимое импульсное напряжение Uimp1.500 V
    Потребляемая мощность≤ 8 W
    Защита от короткого замыкания4 A gG
    Напряжение переключения≥ 12 V DC
    Ток переключения (напряжение переключения)≥ 1 mA (24 V DC)
    Продолжительность включения100 %
    Принцип запиранияПринцип нормально разомкнутой цепи
  • Механические данные
    Вес0,5 kg
    Материал корпусаТермопласт, армированный стекловолокном
    Материал приводной головкиМеталл
    Срок службы механических компонентов1 x 106 циклов срабатывания
  • Данные окружающей среды
    Тип защитыIP67 (IEC 60529)
    Диапазон рабочих температур–20 °C ... +55 °C
    Температура хранения–20 °C ... +55 °C
  • Классификации
    ECl@ss 5.027272603
    ECl@ss 5.1.427272603
    ECl@ss 6.027272603
    ECl@ss 6.227272603
    ECl@ss 7.027272603
    ECl@ss 8.027272603
    ECl@ss 8.127272603
    ECl@ss 9.027272603
    ETIM 5.0EC002593
    ETIM 6.0EC002593
    UNSPSC 16.090139122205
Показать всё Скрыть всё

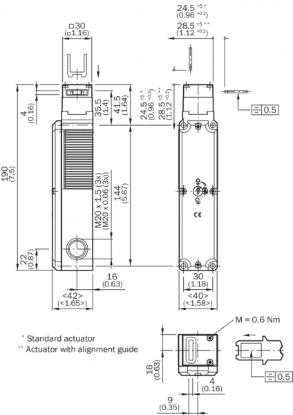
Технические чертежи

Габаритный чертеж Переключатели Вид: Галерея Список Показать всё Скрыть всё
Показать всё Скрыть всё