0
ETI    SIEMENS    ABB    WIKA    IFM    ELKO EP    HYUNDAI    VEGA    KSR KUEBLER    Johnson Controls    Siemens IA/DT (CA01)    Bosch Rexroth    Alfa Laval    SICK    Others  

HTB18-B4A2AB

Код: 1070989
Связатся с нами: 067 285 7770

В корзину

Показать всё Скрыть всё

  • Характеристики
    Принцип датчика/ обнаруженияДатчик с отражением от объекта, Подавление заднего фона
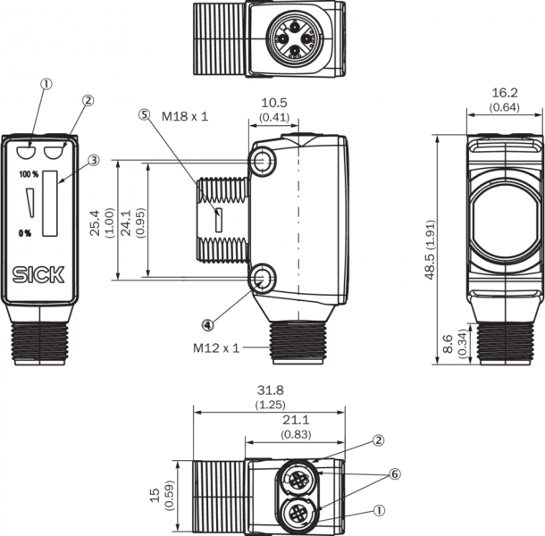
    Размеры (Ш x В x Г)16,2 mm x 48,5 mm x 31,8 mm
    Форма корпуса (выход света)Гибридный
    Диаметр резьбы (корпус)M18
    Дистанция работы, макс.5 mm ... 300 mm 1)
    Расстояние срабатывания5 mm ... 150 mm 2)
    Вид излученияВидимый красный свет
    Источник светаСветодиод PinPoint 3)
    Размеры светового пятна (расстояние)Ø 7 mm (300 mm)
    Длина волны631 nm
    НастройкаПотенциометр (Расстояние срабатывания)
    • 1) Белый объект — объект с коэффициентом диффузного отражения 90 % (на основе стандарта белого, DIN 5033).
    • 2) Распознаваемый объект с коэффициентом диффузного отражения 6 % (на основе стандарта черного, DIN 5033).
    • 3) Средний срок службы: 100 000 ч при TU = +25 °C.
  • Механика/электроника
    Напряжение питания10 V DC ... 30 V DC 1) 2)
    Остаточная пульсация< 5 Vss 3)
    Потребление тока≤ 20 mA 4)
    Переключающий выходPNP, NPN 5)
    Тип переключенияСВЕТЛО 5)
    Выходной ток Iмакс.≤ 100 mA
    Оценка≤ 0,5 ms 6)
    Частота переключения1.000 Hz 7)
    Тип подключенияРазъем M12, 4-конт.
    Схемы защиты

    A 8)

    B 9)

    D 10)

    Класс защитыIII 11)
    Вес18 g
    Материал корпусаПластик, VISTAL®
    Материал, оптикаПластик, PMMA
    Тип защиты

    IP67

    IP69K

    Диапазон температур при работе–40 °C ... +65 °C
    Диапазон температур при хранении–40 °C ... +75 °C
    № файла ULE189383
    • 1) Свыше Tu 55 °C, макс. напряжение = 24 В и макс. ток = 50 мА.
    • 2) Предельные значения при работе в защищенной от короткого замыкания сети макс. 8 А.
    • 3) Не допускается превышение или занижение допуска Uv.
    • 4) Без индикации силы сигнала и нагрузки.
    • 5) Q1 = PNP, Q2 = NPN.
    • 6) Продолжительность сигнала при омической нагрузке.
    • 7) При соотношении светло/темно 1:1.
    • 8) А = подключения UV с защитой от переполюсовки.
    • 9) B = входы и выходы с защитой от инверсии полярности.
    • 10) D = выходы с защитой от короткого замыкания.
    • 11) Расчетное напряжение: 50 В пост. тока.
  • Классификации
    ECl@ss 5.027270904
    ECl@ss 5.1.427270904
    ECl@ss 6.027270904
    ECl@ss 6.227270904
    ECl@ss 7.027270904
    ECl@ss 8.027270904
    ECl@ss 8.127270904
    ECl@ss 9.027270904
    ETIM 5.0EC002719
    ETIM 6.0EC002719
    UNSPSC 16.090139121528
Показать всё Скрыть всё

Технические чертежи

Схема соединений cd-243 Характеристика Размер светового пятна Диаграмма расстояний срабатывания Габаритный чертеж H18, DC, штекер M12 Вид: Галерея Список Показать всё Скрыть всё
Показать всё Скрыть всё