0
ETI    SIEMENS    ABB    WIKA    IFM    ELKO EP    HYUNDAI    VEGA    KSR KUEBLER    Johnson Controls    Siemens IA/DT (CA01)    Bosch Rexroth    Alfa Laval    SICK    Others  

HLG2-050E811

Код: 1041849
Связатся с нами: 067 285 7770

В корзину

Показать всё Скрыть всё

  • Характеристики
    ТехнологияПередатчик/приемник
    Минимальный размер детектируемого объекта (MDO)Параллельные лучи, 2 mm
    Расстояние между лучами2 mm
    Количество лучей26
    Высота контроля50 mm
  • Производительность
    Максимальная дальность сканирования2 m
    Минимальная дальность сканирования≥ 0 mm
    Дистанция работы1,5 m
    ОценкаПараллельные лучи, 3 ms 1)
    • 1) С омической нагрузкой.
  • Интерфейсы
    Переключающий выход2 x NPN 1)
    Тип подключенияРазъем М12, 8-конт.
    • 1) Q / Ǭ.
  • Механика/электроника
    Длина волны950 nm
    Напряжение питания UVПост. ток 15 V ... 30 V 1)
    Потребляемый ток передатчика< 100 mA 2)
    Потребляемый ток приемника> 100 mA 2)
    Остаточная пульсация< 5 Vss
    Выходной ток Iмакс.≤ 100 mA
    Выходная нагрузка емкостная100 nF
    Выходная нагрузка индуктивная1 H
    Время инициализации0,8 s
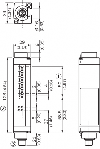
    Размеры (Ш x В x Г)34 mm x 123 mm x 29 mm
    Материал корпусаАлюминий
    ИндикацияLED
    СинхронизацияКабель
    Тип защитыIP54
    Схемы защитыUв-подключения с защитой от переполюсовки, Выход Q с защитой от короткого замыкания, Подавление импульсных помех
    Вес135 g
    Лицевая панельPMMA
    Выходной режимQ «ТЕМНО» 3)
    Калибровочный вводPNP
    • 1) Типовые значения.
    • 2) , Типовые значения.
    • 3) Q = активно, если прерван, как минимум, один луч, /Q = активно, если все лучи свободны.
  • Данные окружающей среды
    Класс защитыIII
    ЭМСEN 60947-5-2
    Диапазон температур при работе–25 °C +55 °C
    Диапазон температур при хранении–40 °C +70 °C
    Нечувствительность ко внешним источникам светаНепрямой: ≤ 50.000 lx 1)
    Виброустойчивость5 g, 10 Hz ... 55 Hz (IEC 68-2-6)
    Устойчивость к сотрясениям10 g / DIN EN 60068-2-29 / 16 ms
    • 1) Солнечный свет.
  • Классификации
    ECl@ss 5.027270910
    ECl@ss 5.1.427270910
    ECl@ss 6.027270910
    ECl@ss 6.227270910
    ECl@ss 7.027270910
    ECl@ss 8.027270910
    ECl@ss 8.127270910
    ECl@ss 9.027270910
    ETIM 5.0EC002549
    ETIM 6.0EC002549
    UNSPSC 16.090139121528
Показать всё Скрыть всё

Технические чертежи

Габаритный чертеж варианты настройки приемника тип и схема подключения характеристика: MDO Вид: Галерея Список Показать всё Скрыть всё
Показать всё Скрыть всё