0
ETI    SIEMENS    ABB    WIKA    IFM    ELKO EP    HYUNDAI    VEGA    KSR KUEBLER    Johnson Controls    Siemens IA/DT (CA01)    Bosch Rexroth    Alfa Laval    SICK    Others  

FX3-XTIO84012

Код: 1050618
Связатся с нами: 067 285 7770

В корзину

Показать всё Скрыть всё

  • Характеристики
    МодульI/O-модуль
    Тип конфигурацииЧерез программное обеспечение
    ОсобенностиС защитным лаком при повышенных требованиях относительно окружающей среды (например, устойчивость от воздействия серы)
  • Параметры техники безопасности
    Класс надежности

    SIL3 (IEC 61508)

    SILCL3 (EN 62061)

    КатегорияКатегория 4 (EN ISO 13849)
    Уровень производительностиPL e (EN ISO 13849)
    PFHd (средняя вероятность опасного отказа в час)

    4,8 x 10-9 (EN ISO 13849) 1)

    0,9 x 10-9 (EN ISO 13849) 2)

    TM (заданная продолжительность работы)20 лет (EN ISO 13849)
    • 1) Для одноканальных выходов.
    • 2) Для двухканальных выходов.
  • Функции
    Совместимость с Flexi Loop
    Быстрое отключение
    Время быстрого отключения8 ms
  • Интерфейсы
    Количество безопасных входов8
    Количество тестовых выходов2
    Количество безопасных выходов4
    Тип подключенияПружинные зажимы
  • Электрические данные
    Класс защитыIII (EN 61140)
    Напряжение питанияЧерез FLEXBUS+
    Внутр. потребляемая мощность≤ 2,2 W 1)
    Входы
    Входное напряжение HIGH13 V DC ... 30 V DC
    Входное напряжение LOW–5 V DC ... 5 V DC
    Входной ток HIGH2,4 mA ... 3,8 mA
    Входной ток LOW–2,5 mA ... 2,1 mA
    Выходы тестирования
    Напряжение питанияЧерез FLEXBUS+
    Тип выходаПолупроводник PNP, защита от коротких замыканий
    Генераторы тестовых импульсов2
    Выходное напряжение HIGH15 V DC ... 30 V DC
    Выходной ток≤ 120 mA 2)
    Выходы
    Напряжение питанияЧерез A1, A2
    Напряжение питания24 V DC (16,8 V DC ... 30 V DC)
    Тип напряжения питанияPELV или SELV 3)
    Тип выходаПолупроводник PNP, защита от коротких замыканий
    Выходное напряжение HIGH16 V DC ... 30 V DC
    Выходной ток≤ 2 A
    • 1) Через FLEXBUS+, без токов на тестовых импульсных выходах.
    • 2) На каждом из обоих генераторов контрольных импульсов. Тем самым, возможна проверка максимум 8 контролируемых цепей последовательного подключения датчиков на каждый модуль с током макс. 30 мА.
    • 3) Ток блока питания модуля должен быть ограничен извне значением макс. 4 A. Либо при помощи самого блока питания, либо через предохранитель.
  • Механические данные
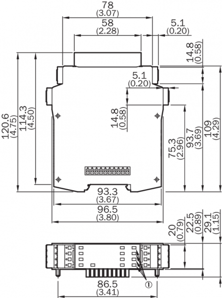
    Размеры (Ш x В x Г)22,5 mm x 96,5 mm x 120,6 mm
    Вес164 g (± 5 %)
  • Данные окружающей среды
    Тип защитыIP20 (EN 60529)
    Диапазон рабочих температур–25 °C ... +55 °C
    Температура хранения–25 °C ... +70 °C
    Влажность воздуха10 % ... 95 %, без образования конденсата
  • Классификации
    ECl@ss 5.027242290
    ECl@ss 5.1.427249090
    ECl@ss 6.027249090
    ECl@ss 6.227249090
    ECl@ss 7.027249090
    ECl@ss 8.027249090
    ECl@ss 8.127249090
    ECl@ss 9.027249090
    ETIM 5.0EC002632
    ETIM 6.0EC002632
    UNSPSC 16.090132151705
Показать всё Скрыть всё

Технические чертежи

Габаритный чертеж FX3-XTIO, FX3-XTDI Вид: Галерея Список Показать всё Скрыть всё
Показать всё Скрыть всё