0
ETI    SIEMENS    ABB    WIKA    IFM    ELKO EP    HYUNDAI    VEGA    KSR KUEBLER    Johnson Controls    Siemens IA/DT (CA01)    Bosch Rexroth    Alfa Laval    SICK    Others  

FLOWSIC300

Код: FLOWSIC300
Связатся с нами: 067 285 7770

В корзину

Ультразвуковой газовый счетчик FLOWSIC300 отличается уникальной комбинацией испытанных на практике высококачественных компонентов, большим диапазоном измерений, простотой монтажа и невысокими затратами на техническое обслуживание. Он используется везде, где не требуется обязательная калибровка: для внутризаводских измерений в газовых сетях и технологических измерений в нефтегазовой промышленности. Счетчик FLOWSIC300 изготовлен из компонентов прочного высококачественного счетчика газа SICK, используемого для коммерческого учета, в комбинации, которая позволяет снизить цену и использовать его в качестве расходомера в различных областях. Удаленный на расстояние до 15 м измерительный преобразователь обеспечивает высокую гибкость монтажа и обладает функцией постоянной самодиагностики. Прибор, работающий по принципу ультразвуковых измерений, не создает перепадов давления, не имеет движущихся частей, устойчив к пульсациям и шумам регуляторов давления и идеально пригоден для надежной эксплуатации практически без дрейфа параметров.

Краткий обзор
  • Проверенные на практике качественные компоненты
  • Гибкий монтаж благодаря модульной концепции
  • Бесконтактная ультразвуковая технология без потери давления
  • Динамический диапазон измерений более 100:1
  • Возможность замены датчиков под давлением
  • Устойчивость к пульсациям и шумам от регуляторов давления
  • Удаленное размещение электронных компонентов (макс. 15 м)
  • Двустороннее измерение с автоматизированной диагностикой
Ваши преимущества
  • Надежное измерение расхода с целью контроля технологического процесса
  • Простой монтаж в имеющиеся трубопроводы
  • Экономичное решение, особенно для трубопроводов диаметром от 12 дюймов, благодаря установке в существующую трубу без использования корпуса счетчика.
  • Сокращение расходов на приобретение: сменная пресс-форма используется для нескольких приборов
  • Высокий срок службы, практически без обслуживания и износа
  • Снижение эксплуатационных расходов благодаря автоматизированной диагностике и обслуживанию только по состоянию счетчика
  • Подходит для установки в шахтах благодаря удаленному размещению электронных компонентов и защите класса IP68
Показать всё Скрыть всё
  • Система
    Измеряемые величиныОбъемный расход (р. у.), Объем (р. у.), Скорость газа, Скорость звука
    Количество измерительных лучей1, 2
    Принцип измеренияУльтразвуковой (измерение разности времен прохождения ультразвуковых импульсов по потоку и против потока газа)
    Измеряемая средаПриродный газ, Технологические газы, Факельный газ высокого давления, Воздух
    Диапазоны измерения
    Скорость газа0,3 ... 60 m/s
    В зависимости от номинального диаметра трубы
    Динамический диапазонМакс. 1:130
    Повторяемость< 0,5 % измеренного значения
    Погрешность измерений
    1 % ... 5 %Измеренного значения (в зависимости от конфигурации устройства)
    Температура газа
    –40 °C ... +180 °C
    Рабочее давление0 bar (g) ... 100 bar (g)
    Номинальный диаметр трубы
    4 ″ ... 56 ″
    Температура окружающей среды
    –40 °C ... +60 °C
    Температура хранения–40 °C ... +70 °C
    Влажность окружающей среды≤ 95 %Относительная влажность, без образования конденсата
    Допуск по взрывобезопасности
    ATEXII 1/2G Ex de iB [ia] IIC TaУльтразвуковые преобразователи в искробезопасном исполнении: ia
    ЭлектробезопасностьCE
    Класс защиты
    Приемопередающие блокиIP68
    Устройство управления SPUIP65 / IP67
    Аналоговые выходы1 Выходы:4 ... 20 mA, 200 ΩАктивно/пассивно, с гальванической развязкой
    Цифровые выходы3 Выходы:Пассивно, с гальванической развязкой, открытый коллектор или по NAMUR (EN 50227), fmax = 6 кГц (с масштабированием)
    Modbus
    Тип интеграции в шину

    ASCII RS-485

    RTU RS-485

    HART
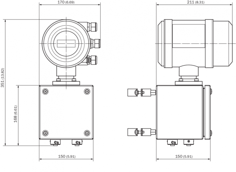
    Размеры (Ш x В x Г)См. габаритные чертежи
    Вес

    Приемопередающий блок: 15 kg

    Устройство управления SPU: 6 kg

    Сменный инструмент в футляре: 45 kg

    Штуцер 1,5″ Cl.600: 5 kg

    Монтаж

    Соединительный штуцер 1,5″ CI.600 по ANSI B16.5 для приварки к трубопроводу

    Длина кабеля для датчика: 5 или 15 м

    Монтаж устройства управления SPU на трубу 2" или на стену

    Электрическое подключение
    Напряжение

    12 ... 28,8 V

    При активном аналоговом выходе: 15 ... 28,8 V

    Потребляемая мощность≤ < 1 W
Показать всё Скрыть всё

Технические чертежи

Приемопередающий блок Устройство управления SPU Монтаж Вид: Галерея Список Показать всё Скрыть всё
Показать всё Скрыть всё