0
ETI    SIEMENS    ABB    WIKA    IFM    ELKO EP    HYUNDAI    VEGA    KSR KUEBLER    Johnson Controls    Siemens IA/DT (CA01)    Bosch Rexroth    Alfa Laval    SICK    Others  

FLOWSIC100

Код: FLOWSIC100
Связатся с нами: 067 285 7770

В корзину

Серия FLOWSIC100 была разработана для измерения объема выбросов в атмосферу. Версии H предназначены для применения в трубах с большим диаметром и высокой степенью запыленности, версии M оптимальны для труб средних диаметров. В зондовой версии PR оба ультразвуковых приемопредатчика устанавливаются на одном приемопередающем блоке (измерительный зонд) создавая фиксированный измерительный участок. Версии устройства -AC оснащены инновационным внутренним охлаждением для применения при температуре газа д 450 °C. Исполнения устройства с продувкой Px применяются для газов с высоким содержанием клейкой или влажной пыли.

Прочные титановые приемопередатчики входят в стандартное исполнение и пригодны для применения в агрессивных условиях рабочего процесса. Измерительная система состоит из двух приемопередающих блоков(одного в случае зондовой версии) и блока управления MCU. Блок MCU служит для приема и передачи измеренных величин, для приведения измеренного расхода к стандартным условиям, а также, для удобного для пользователя, управления через ЖК-дисплей.

Краткий обзор
  • Прочный приемопередатчик из титана обеспечивает долгий срок службы прибора
  • Коррозионностойкий материал для применения в агрессивных газах (опция)
  • Полнопроходное измерение по диаметру трубопровода в версиях H, M и S
  • Зондовая версия PR для экономичной односторонней установки в трубе
  • Автоматическая проверка работоспособности по референсным точкам (в том числе и контроль нуля)
Ваши преимущества
  • Надежное измерение расхода в трубах с разными диаметрами — от малых до очень больших
  • Высокая прочность приборов
  • Минимальные производственные расходы и расходы на техническое обслуживание
  • Точные результаты измерения даже в сложных условиях
  • Измерение без потери давления и без влияния на технологический процесс
  • Удобное для пользователя управление посредством программного обеспечения SOPAS ET
  • Надежный контроль работоспособности благодаря расширенной диагностике
  • Для применения при температуре газов до 260 °C не требуется продувка
Показать всё Скрыть всё
  • Система FLOWSIC100
    Измеряемые величиныОбъемный расход (р. у.), Объемный расход (с.у.), Скорость газа, Скорость звука, Температура газа
    Измеряемые параметрыСкорость газа
    Принцип измеренияУльтразвуковой (измерение разности времен прохождения ультразвуковых импульсов по потоку и против потока газа)
    Диапазоны измерения
    Скорость газа0 ... ± 40 m/s
    Сертифицированные диапазоны измерения
    Скорость газа0 ... 20 m/s / 0 ... 40 m/s
    Повторяемость

    Для v < 2 м/с: ± 0,02 m/s

    Для v > 2 м/с: ± 1 %

    Точность
    ± 0,1 m/sВ зависимости от применения устройства
    Диагностические функции

    Автоматический контрольный цикл для нулевой и базовой точек

    Расширенная диагностика устройств с помощью программного обеспечения SOPAS ET

    Температура окружающей среды
    –40 °C ... +60 °C
    Температура хранения–40 °C ... +70 °C
    Соответствие

    2001/80/ЕС (13. BImSchV)

    2000/76/ЕС (17. BImSchV)

    27.BImSchV

    30-е федеральное постановление о защите окружающей среды от вредного воздействия, BImSchV

    Техническое руководство по поддержанию чистоты воздуха (TA-Luft)

    EN 15267

    EN 14181

    EN 16911-2

    MCERTS

    GOST

    ЭлектробезопасностьCE
    Класс защиты
    IP65
  • FLOWSIC100 M
    Температура газа
    –40 °C ... +260 °C
    Рабочее давление–100 hPa ... 100 hPa
    Номинальный диаметр трубы
    0,15 m ... 3,4 m
    Концентрация пыли≤ 1 g/m³В зависимости от измерительного участка и температуры газа
    МонтажУгол установки 45–60°
    Электрическое подключение
    Потребляемая мощность≤ 40 W
    Системные компоненты

    2 приемопередающих блока FLSE100-M

    1 блок управления MCU-N

    1 клеммная коробка

    2 соединительных кабеля

    2 фланца с патрубком

  • FLOWSIC100 H
    Температура газа
    –40 °C ... +260 °C
    Рабочее давление–100 hPa ... 100 hPa
    Номинальный диаметр трубы
    1,4 m ... 13 m
    Концентрация пыли≤ 100 g/m³В зависимости от измерительного участка и температуры газа, для сухой, не клейкой пыли
    МонтажУгол установки 45–60°
    Электрическое подключение
    Потребляемая мощность≤ 40 W
    Системные компоненты

    2 приемопередающих блока FLSE100-H

    1 блок управления MCU-N

    1 клеммная коробка

    2 соединительных кабеля

    2 фланца с патрубком

  • FLOWSIC100 PR
    Температура газа
    –40 °C ... +260 °C
    Рабочее давление–100 hPa ... 100 hPa
    Номинальный диаметр трубы
    ≥ 0,4 m
    Концентрация пыли≤ 1 g/m³В зависимости от измерительного участка и температуры газа
    МонтажУгол установки 45°
    Электрическое подключение
    Потребляемая мощность≤ 40 W
    Системные компоненты

    1 приемопередающий блок FLSE100-PR

    1 блок управления MCU-N

    1 клеммная коробка

    1 соединительный кабель

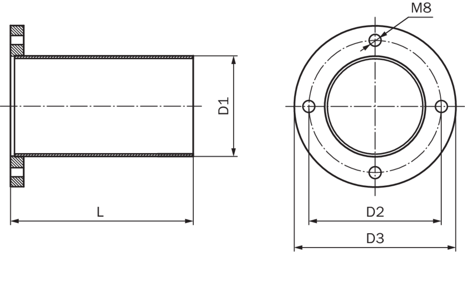
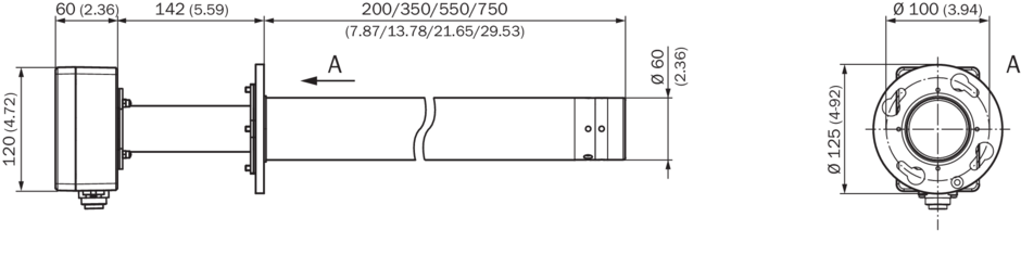
    1 фланец с трубой

  • FLOWSIC100 S
    Температура газа
    –40 °C ... +150 °C
    Рабочее давление–100 hPa ... 100 hPa
    Номинальный диаметр трубы
    0,15 m ... 1,7 m
    Концентрация пыли≤ 1 g/m³В зависимости от измерительного участка и температуры газа
    МонтажУгол установки 45–60°
    Электрическое подключение
    Потребляемая мощность≤ 40 W
    Системные компоненты

    2 приемопередающих блока FLSE100-S

    1 блок управления MCU-N

    1 клеммная коробка

    2 соединительных кабеля

    2 фланца с патрубком

  • FLOWSIC100 M-AC
    Температура газа
    –40 °C ... +450 °C
    Рабочее давление–100 hPa ... 100 hPa
    Номинальный диаметр трубы
    0,15 m ... 3,4 m
    Концентрация пыли≤ 1 g/m³В зависимости от измерительного участка и температуры газа
    МонтажУгол установки 45–60°
    Электрическое подключение
    Потребляемая мощность≤ 75 W
    Системные компоненты

    2 приемо-передающих устройства FLSE100-MAC

    1 блок управления MCU-P

    1 клеммная коробка

    2 соединительных кабеля

    2 продувочных шланга

    2 фланца с патрубком

  • FLOWSIC100 H-AC
    Температура газа
    –40 °C ... +450 °C
    Рабочее давление–100 hPa ... 100 hPa
    Номинальный диаметр трубы
    1,4 m ... 11,3 m
    Концентрация пыли≤ 100 g/m³В зависимости от измерительного участка и температуры газа, для сухой, не клейкой пыли
    МонтажУгол установки 45–60°
    Электрическое подключение
    Потребляемая мощность≤ 75 W
    Системные компоненты

    2 приемопередающих блока FLSE100-HAC

    1 блок управления MCU-P

    1 клеммная коробка

    2 соединительных кабеля

    2 продувочных шланга

    2 фланца с патрубком

  • FLOWSIC100 PM
    Температура газа
    –40 °C ... +450 °C
    Рабочее давление–100 hPa ... 100 hPa
    Номинальный диаметр трубы
    0,35 m ... 2,5 m
    Концентрация пыли≤ 1 g/m³В зависимости от измерительного участка и температуры газа
    МонтажУгол установки 45–60°
    Электрическое подключение
    Потребляемая мощность≤ 40 W
    Системные компоненты

    2 приемопередающих блока FLSE100-H

    1 блок управления MCU-N

    1 клеммная коробка

    2 соединительных кабеля

    2 фланца с патрубком

    2 продувочных шланга

    1 установка продувочного воздуха

  • FLOWSIC100 PH
    Температура газа
    –40 °C ... +450 °C
    Рабочее давление–100 hPa ... 100 hPa
    Номинальный диаметр трубы
    0,7 m ... 8,7 m
    Концентрация пыли≤ 100 g/m³В зависимости от измерительного участка и температуры газа
    МонтажУгол установки 45–60°
    Электрическое подключение
    Потребляемая мощность≤ 40 W
    Системные компоненты

    2 приемопередающих блока FLSE100-PH

    1 блок управления MCU-N

    1 клеммная коробка

    2 соединительных кабеля

    2 фланца с патрубком

    2 продувочных шланга

    1 установка продувочного воздуха

  • FLOWSIC100 PH-S
    Температура газа
    –40 °C ... +450 °C
    Рабочее давление–100 hPa ... 100 hPa
    Номинальный диаметр трубы
    1,4 m ... 11,3 m
    Концентрация пыли≤ 100 g/m³В зависимости от измерительного участка и температуры газа
    МонтажУгол установки 45–60°
    Электрическое подключение
    Потребляемая мощность≤ 40 W
    Системные компоненты

    2 приемопередающих блока FLSE100-PHS

    1 блок управления MCU-N

    1 клеммная коробка

    2 соединительных кабеля

    2 фланца с патрубком

    2 продувочных шланга

    1 установка продувочного воздуха

  • Блок управления MCU-H
    ОписаниеСтандартный блок управления для расходомеров без внутреннего охлаждения
    Температура окружающей среды
    –40 °C ... +60 °C
    Класс защиты
    IP65
    Аналоговые выходы1 Выходы:0/2/4 ... 20 mA, 750 ΩС гальванической развязкой, до пяти выходов с применением дополнительных модулей (опция)
    Аналоговые входы2 Входы:0 ... 20 mAДо четырех входов с применением дополнительных модулей (опция)
    Цифровые выходы5 Релейные выходы (переключатель), беспотенциальные:48 V, 1 AБезопасное сверхнизкое напряжение, для сигналов состояния «Работа/неисправность», «Предельное значение», «Предупреждение», «Техническое обслуживание» и «Контрольный цикл»
    Цифровые входы4 Беспотенциальные контакты
    USB
    ФункцияПривязка к ПО SOPAS ET
    Последовательный
    Тип интеграции в шину

    RS-232

    RS-485

    Функция

    Привязка к ПО SOPAS ET

    Внутренняя системная шина

    Ethernet
    Тип интеграции в шинуЧерез опциональный интерфейсный модуль
    Modbus
    Тип интеграции в шину

    ASCII RS-485 (через опциональный интерфейсный модуль)

    RTU RS-485 (через опциональный интерфейсный модуль)

    TCP (через опциональный интерфейсный модуль)

    PROFIBUS DP
    Тип интеграции в шинуЧерез опциональный интерфейсный модуль
    Индикация

    ЖК-дисплей (опция)

    Светодиоды состояния «Питание», «Техническое обслуживание» и «Неисправность»

    УправлениеЧерез ЖК-дисплей (опция) или программное обеспечение SOPAS ET
    Размеры (Ш x В x Г)210 mm x 340 mm x 120 mm
    Вес≤ 3,7 kg
    Электрическое подключение
    Напряжение90 ... 250 V
    Исполнение с 24 В пост. тока доступно в виде опции
    Частота47 ... 63 Hz
    Потребляемая мощность≤ 15 W
    Опции

    Модуль (модули) интерфейсный

    Модуль (модули) входа/выхода

    ЖК-дисплей

    Исполнение 19''

  • Блок управления MCU-P
    ОписаниеСтандартный блок управления для расходомеров со встроенным блоком продувки, для расходомеров с внутренним охлаждением
    Температура окружающей среды
    –40 °C ... +45 °CТемпература продувочного воздуха
    Класс защиты
    IP54
    Аналоговые выходы1 Выходы:0/2/4 ... 20 mA, 750 ΩС гальванической развязкой, до пяти выходов с применением дополнительных модулей (опция)
    Аналоговые входы2 Входы:0 ... 20 mAБез гальванической развязки, дополнительные входы при применении модулей входа/выхода (опция)
    Цифровые выходы5 Релейные выходы (переключатель), беспотенциальные:48 V, 1 AБезопасное сверхнизкое напряжение, для сигналов состояния «Работа/неисправность», «Предельное значение», «Предупреждение», «Техническое обслуживание» и «Контрольный цикл»
    Цифровые входы4 Беспотенциальные контакты
    USB
    ФункцияПривязка к ПО SOPAS ET
    Последовательный
    Тип интеграции в шину

    RS-232

    RS-485

    Функция

    Привязка к ПО SOPAS ET

    Внутренняя системная шина

    Ethernet
    Тип интеграции в шинуЧерез опциональный интерфейсный модуль
    Modbus
    Тип интеграции в шину

    ASCII RS-485 (через опциональный интерфейсный модуль)

    RTU RS-485 (через опциональный интерфейсный модуль)

    TCP (через опциональный интерфейсный модуль)

    PROFIBUS DP
    Тип интеграции в шинуЧерез опциональный интерфейсный модуль
    Индикация

    ЖК-дисплей (опция)

    Светодиоды состояния «Питание», «Техническое обслуживание» и «Неисправность»

    УправлениеЧерез ЖК-дисплей (опция) или программное обеспечение SOPAS ET
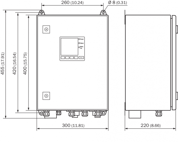
    Размеры (Ш x В x Г)300 mm x 455 mm x 220 mm
    Вес≤ 13,5 kg
    Электрическое подключение
    Напряжение90 ... 250 V
    Исполнение с 24 В пост. тока доступно в виде опции
    Частота47 ... 63 Hz
    Потребляемая мощность≤ 70 W
    Подключения вспомогательных материаловПродувочный воздух
    Опции

    Модуль (модули) интерфейсный

    Модуль (модули) входа/выхода

    ЖК-дисплей

    Исполнение 19''

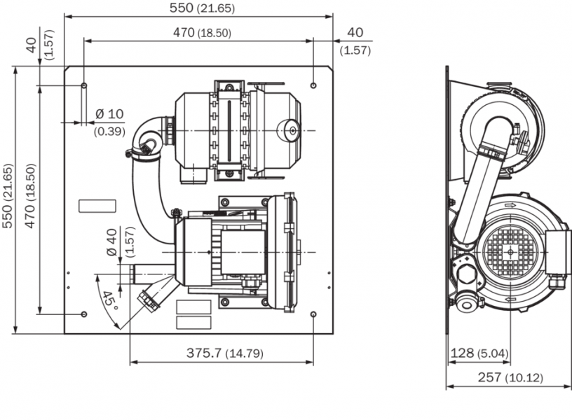
  • Блок продувочного воздуха SLV4-2, 2BH1300, 3-фазный
    ОписаниеСтандартная установка продувочного воздуха для продуваемых объемных расходомеров
    Количество продувочного воздуха≥ 48 m³/h
    Диагностические функцииУстройство контроля пониженного давления
    Температура окружающей среды
    –20 °C ... +40 °C
    Класс защиты
    IP54
    Размеры (Ш x В x Г)550 mm x 550 mm x 258 mm (Детали см. на размерных чертежах)
    Вес18 kg
    Подключения вспомогательных материаловПродувочный воздух: 40 mm
    Встроенные компонентыДвухступенчатый воздушный фильтр, тип Europiclon, вместимость пылесборника 200 г
Показать всё Скрыть всё

Технические чертежи

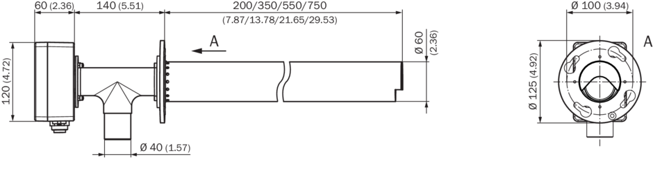
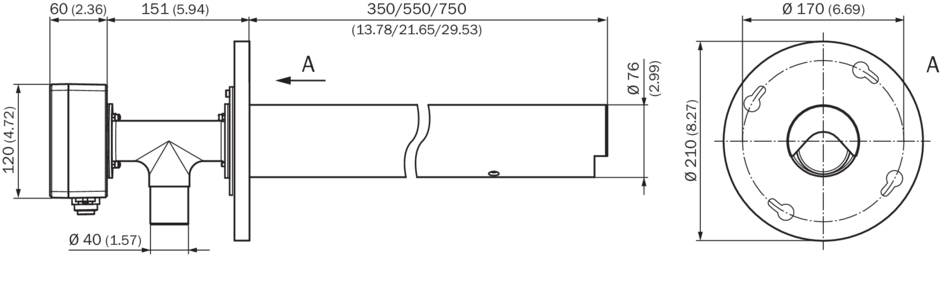
Приемопередатчик FLSE100-H приемопередатчик FLSE100-HAC Приемопередатчик FLSE100-М приемопередатчик FLSE100-MAC приемопередатчик FLSE100-PHS приемопередатчик FLSE100-PM и FLSE100-PH Приемопередатчик FLSE100-PR приемопередатчик FLSE100-SA приемопередатчик FLSE100-SD устройство управления MCU-N, настенный корпус, компактное исполнение (только для взрывобезопасных зон) устройство управления MCU-P, настенный корпус, компактное исполнение (только для взрывобезопасных зон) Монтажный фланец с трубкой установка продувочного воздуха SLV4-2, 2BH1300 Вид: Галерея Список Показать всё Скрыть всё
Показать всё Скрыть всё