0
ETI    SIEMENS    ABB    WIKA    IFM    ELKO EP    HYUNDAI    VEGA    KSR KUEBLER    Johnson Controls    Siemens IA/DT (CA01)    Bosch Rexroth    Alfa Laval    SICK    Others  

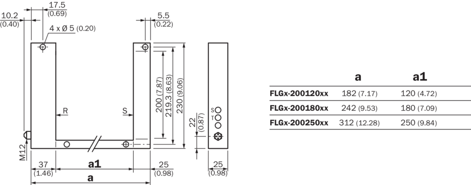
FLG4-20018021

Код: 6050068
Связатся с нами: 067 285 7770

В корзину

Показать всё Скрыть всё

  • Характеристики
    ВерсияОткрыто
    ТехнологияПередатчик/приемник
    Минимальный размер детектируемого объекта (MDO)

    2 mm, динамический: 4 мм

    6 mm, статический: 6 мм

    Расстояние между лучами4 mm
    Высота контроля180 mm
    Функция выходного сигнала«СВЕТЛО/ТЕМНО» устанавливается поворотным переключателем
  • Производительность
    Область контроля (ширина x высота)180 mm x 200 mm
    Оценка< 0,1 ms
  • Интерфейсы
    Переключающий выход1 x PNP, 1 x NPN 1)
    Тип подключенияРазъем M12, 4-конт.
    • 1) Q / Ǭ.
  • Механика/электроника
    Длина волны880 nm
    Напряжение питания UVПост. ток 18 V ... 30 V 1)
    Остаточная пульсация< 10 %
    Выходной ток Iмакс.≤ 100 mA
    Задержка выключения0 s ... 5 s 2)
    Время инициализации0,3 s
    Размеры (Ш x В x Г)242 mm x 230 mm x 25 mm
    Материал корпусаАлюминий, окрашенный
    ИндикацияLED
    Тип защитыIP65
    Схемы защитыUв-подключения с защитой от переполюсовки, Выход Q с защитой от короткого замыкания, Подавление импульсных помех
    Вес1 kg
    Частота импульсов5.000 Hz
    • 1) Предельные значения, с защитой от переполюсовки. Эксплуатация в защищенных от короткого замыкания сетях с силой тока не более 8 A.
    • 2) Регулируется.
  • Данные окружающей среды
    Класс защитыIII
    ЭМСEN 60947-5-2
    Диапазон температур при работе0 °C +60 °C 1)
    Диапазон температур при хранении–20 °C +80 °C
    Нечувствительность ко внешним источникам светаСолнечный свет: 10.000 lx
    ВиброустойчивостьEN 60068-2-6
    Устойчивость к сотрясениямEN 60068-2-27
    • 1) В статическом режиме: условием является поддержание постоянной температуры у точки калибровки.
  • Классификации
    ECl@ss 5.027270910
    ECl@ss 5.1.427270910
    ECl@ss 6.027270910
    ECl@ss 6.227270910
    ECl@ss 7.027270910
    ECl@ss 8.027270910
    ECl@ss 8.127270910
    ECl@ss 9.027270910
    ETIM 5.0EC002549
    ETIM 6.0EC002549
    UNSPSC 16.090139121528
Показать всё Скрыть всё

Технические чертежи

Габаритный чертеж FLGx-200xxx2x Светодиодный индикатор тип и схема подключения настройка блокировки клавиш ограниченная зона контроля Вид: Галерея Список Показать всё Скрыть всё
Показать всё Скрыть всё