0
ETI    SIEMENS    ABB    WIKA    IFM    ELKO EP    HYUNDAI    VEGA    KSR KUEBLER    Johnson Controls    Siemens IA/DT (CA01)    Bosch Rexroth    Alfa Laval    SICK    Others  

FFUS15-1G1SR

Код: 6043744
Связатся с нами: 067 285 7770

В корзину

Показать всё Скрыть всё

  • Характеристики
    СредаЖидкости
    Номинальный диаметр измерительной трубыDN 15
    Рабочая температура0 °C ... +80 °C
    Рабочее давлениеMax. 16 bar
  • Производительность
    Минимальный расход≥ 0,9 l/min 1)
    Максимальный расход≤ 36 l/min
    Подводящая линия30 cm
    Отводящая линия5 cm
    ЭлектропроводимостьБез ограничений
    Точность измерительного элемента2 % (от конечного значения) 2)
    Воспроизводимость≤ 0,5 %
    Разрешение0,006 l/min
    • 1) При постоянном потоке.
    • 2) Базовые условия: вода, дегазированная, полное заполнение измерительной трубы, отсутствие кавитации, температура среды 20 °C, температура окружающей среды 20–25 °C, соответствие подводящих и отводящих линий нормам, время прогрева электроники: 30 мин.
  • Электрика
    Напряжение питания18 V DC ... 30 V DC 1)
    Остаточная пульсация≤ 5 Vss 2)
    Потребление тока≤ 180 mA 3)
    Время инициализации≤ 5 s
    Класс защитыIII
    Тип подключенияКруглый штекерный соединитель M12 x 1, 8-контактный
    Выходной сигналАналоговый выход 4–20 мА, 0–20 мА для текущего потока и температуры, 2 импульсных выхода / выхода состояния транзисторный выход для подсчета количества материала, контроля защитной трубы, предельного значения расхода, 1 дискретный вход для дозирования, сброс счетчика расхода 1)
    Выходной ток< 100 mA 4)
    Выходная нагрузка< 500 Ом
    Нижний уровень сигнала3,8 mA ... 4 mA
    Верхний уровень сигнала20 mA ... 20,5 mA
    Импульсный выход / Частотный выход0–10 кГц
    Продолжительность импульса≤ 1 s
    Сигнальное напряжение HIGHUv - 2 В
    Сигнальное напряжение LOW≤ 2 В
    Индуктивная нагрузка1 H
    Емкостная нагрузка100 nF
    ОценкаБез фильтрации — 100 мс, со слабой фильтрацией — 300 мс, со средней фильтрацией — 1 с, с сильной фильтрацией — 4,2 с 5)
    • 1) Все соединения защищены от обратной полярности. Все выходы защищены от перенапряжения и короткого замыкания.
    • 2) Не допускается превышение или занижение допуска Uv.
    • 3) Без нагрузки.
    • 4) В зависимости от выходного каскада доступно 100 мА при PNP и NPN.
    • 5) Аналоговый выход и индикация.
  • Механика
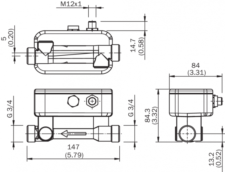
    Технические подключенияG ¾
    Материалы, соприкасающиеся со средойPPSU
    Материал корпусаPPSU
    Тип защитыIP67
    Вес350 g
  • Данные окружающей среды
    Диапазон температур при работе0 °C ... +60 °C
    Диапазон температур при хранении–20 °C ... +70 °C
  • Классификации
    ECl@ss 5.027371815
    ECl@ss 5.1.427371815
    ECl@ss 6.027371815
    ECl@ss 6.227371815
    ECl@ss 7.027371815
    ECl@ss 8.027371815
    ECl@ss 8.127371815
    ECl@ss 9.027371815
    ETIM 5.0EC002580
    ETIM 6.0EC002580
    UNSPSC 16.090141112501
Показать всё Скрыть всё

Технические чертежи

Габаритный чертеж DN 15, G ¾ Тип подключения Вид: Галерея Список Показать всё Скрыть всё
Показать всё Скрыть всё