0
ETI    SIEMENS    ABB    WIKA    IFM    ELKO EP    HYUNDAI    VEGA    KSR KUEBLER    Johnson Controls    Siemens IA/DT (CA01)    Bosch Rexroth    Alfa Laval    SICK    Others  

ES21-SB10E1

Код: 6041507
Связатся с нами: 067 285 7770

В корзину

Показать всё Скрыть всё

  • Характеристики
    Количество принудительно размыкаемых нормально закрытых контактов2
    Количество нормально открытых контактов0
    Направления включения1
    Защита от зажима
    Тип разблокировкиРазблокировка вращением
  • Параметры техники безопасности
    Значение B10d2,5 x 105 циклов срабатывания
  • Интерфейсы
    Тип подключения
    Сечение провода≤ 2,5 mm²
    КонтактРезьбовое соединение
  • Электрические данные - Эксплуатационные параметры
    Класс защитыII (EN 50178)
    Принцип переключенияВыключатель замедленного действия
    Количество принудительно размыкаемых нормально закрытых контактов2
    Количество нормально открытых контактов0
    Категория потребленияAC-15/DC-13 (EN 60947-5-1)
    Расчетный рабочий ток (расчетное рабочее напряжение)

    3 A (250 V AC)

    2 A (24 V DC)

    Расчетный ток (напряжение) по EN 61058-1

    16 A (10 A) 250 V AC

    10 A (6 A) 440 V AC

    Расчетное напряжение на изоляции Ui600 V
    Напряжение переключения≥ 5 V DC
    Допустимая токовая нагрузка на устройство переключения выходного сигнала≥ 1 mA
    Срок службы электрокомпонентов1 x 106 циклов срабатывания 1)
    • 1) При номинальной нагрузке.
  • Механические данные
    Вес69 g
    Материал корпусаПластик
    Исполнение монтажаВстраиваемая версия
  • Данные окружающей среды
    Тип защитыIP65 (IEC 60529)
    Диапазон рабочих температур–30 °C ... +70 °C
    Температура хранения–50 °C ... +85 °C
  • Классификации
    ECl@ss 5.027371228
    ECl@ss 5.1.427371228
    ECl@ss 6.027371244
    ECl@ss 6.227371244
    ECl@ss 7.027371244
    ECl@ss 8.027371244
    ECl@ss 8.127371244
    ECl@ss 9.027371244
    ETIM 5.0EC002034
    ETIM 6.0EC002034
    UNSPSC 16.090139121545
Показать всё Скрыть всё

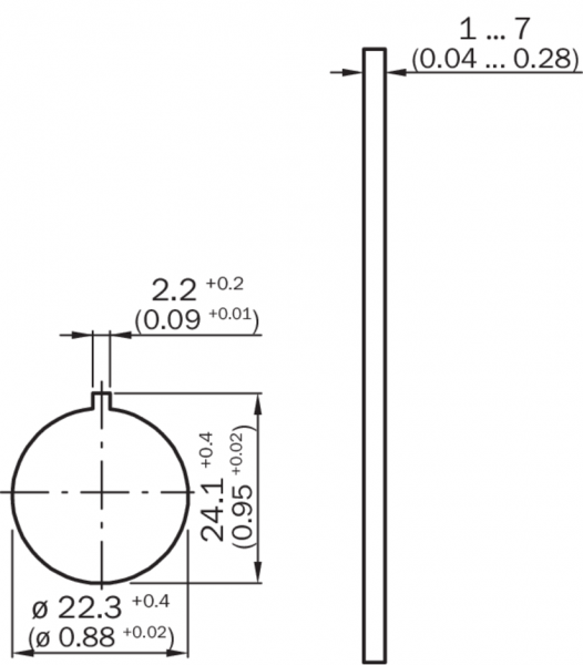
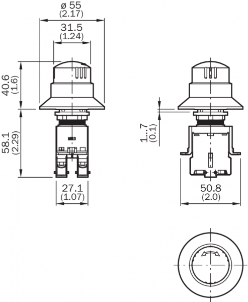
Технические чертежи

Габаритный чертеж Монтажные отверстия Габаритный чертеж Вид: Галерея Список Показать всё Скрыть всё
Показать всё Скрыть всё