| Характеристики |
| Энкодер со сплошным валом |
| TTL (RS-422) - выход 20 мА |
| Электрический разъём |
| сельсин-фланец |
| Разрешение 2500 |
| Электронные данные |
| Рабочее напряжение [V] | | 5 DC ± 0,5 |
| Потребление тока [mA] | | 90 (max. 150) |
| Фазовый сдвиг A и B [°] | | 90 |
| Частота переключения [kHz] | | 300 |
| Импульсная диаграмма | | выход A
выход B
0-индекс |  | |
| Выходы |
| Выход | | TTL (RS-422) - выход 20 мА |
| Диапазон измерения / настройки |
| Разрешение | | 2500 |
| Механические данные |
| Макс.допустимая скорость вращ.механическая [об./мин.] | | 12000 |
| Пусковой вращающий момент [Ncm] | | < 1 (20 °C) |
| Макс. нагрузка вала (на конце вала) [Н] [N] | | аксиальный 10; радиальный 20 |
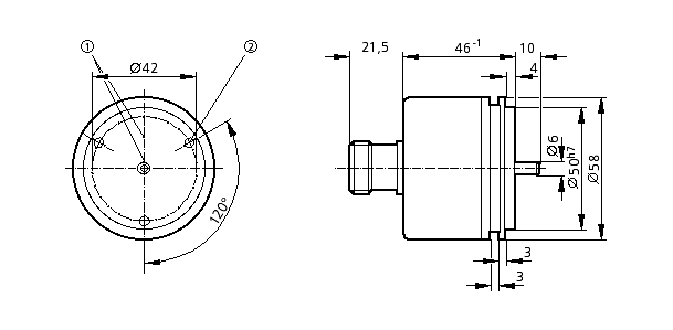
| вал, материал [mm] | | Ø 6, сталь (1.4104) |
| Вибропрочность | | 15 g (55...2000 Hz) |
| Ударопрочность | | 100 g (6 ms) |
| Материал | | алюминий |
| Вес [kg] | | 0,405 |
| Условия эксплуатации |
| Макс. допустимая относительная влажность воздуха [%] | | max. 98 |
| Температура окружающей среды [°C] | | -20...100 |
| Температура хранения [°C] | | -30...100 |
| Степень защиты | | IP 64 |
| Испытания / одобрения |
| MTTF [лет] | | 190 |
| электрическое подключение |
| Электрическое подсоединение | | Фланец-вставка M23; осевой; ifm 1001.4 |
Назначение жил кабеля при подключении RU1114 - Назначение жил кабеля при подключении~Напечатать диаграмму подключения~ | 1: | B (inv.) | | 2: | +5V (датчик) | | 3: | 0-индекс | | 4: | 0-индекс (inv.) | | 5: | A | | 6: | A (inv.) | | 7: | ошибка (inv.) | | 8: | B | | 9: | n.c. | | 10: | 0V | | 11: | 0V (датчик) | | 12: | L+ | | защитный экран: | кожух | |  | |
| Примечания |
| Упаковочная величина [штука] | | 1 |