Показать всё Скрыть всё
- Производительность
| Разрешение на один оборот | 20 bit |
| Количество абсолютно регистрируемых оборотов | 1 |
| Измерительный шаг на один оборот | 1.048.576 |
| Шум сигнала (σ) | ± 4 ″ 1) |
| Допуски позиционного значения, интегральная нелинейность | ± 60 ″ |
| Допуски позиционного значения, дифференциальная нелинейность | ± 40 ″ |
| Системная точность | | ± 100 ″ |
|
| Частота вращения при включении или сбросе системы обратной связи двигателя | ≤ 6.000 min⁻¹ |
| Доступная область памяти | 8.192 Byte |
- Интерфейсы
| Тип кодирования для абсолютного значения | Двоичный |
| Кривая кода | С возрастанием, при вращении вала. По часовой стрелке, если смотреть в направлении A (см. размерный чертеж). |
| Интерфейс связи | HIPERFACE DSL® |
| Время инициализации | Max. 500 ms 1) |
| Измерение внешнего температурного сопротивления | 32-битовое значение, без знака (1 Ω) 0 ... 209.600 Ω При –40...+160 °C: NTC +- 2K, PTC +- 3K |
| Доступная область памяти | 8.192 Byte |
- Электрические данные
| Тип подключения | Штекер, 4-контактный |
| Диапазон напряжения питания | 7 V ... 12 V |
| Продолжительность включения линейной стадии импульса напряжения | Макс. 180 мс 1) |
| Выходной ток | ≤ 150 mA (см. диаграмму потребления тока) 2) |
| Частота выходного сигнала цифрового позиционного значения | 0 kHz ... 75 kHz |
- Механические данные
| Исполнение вала | Конический вал |
| Тип фланца / статорная муфта | Статорная муфта |
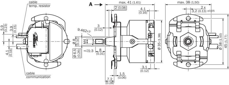
| Размеры | См. размерный чертеж |
| Вес | 0,1 kg |
| Момент инерции ротора | 4,5 gcm² |
| Рабочая частота вращения | ≤ 12.000 min⁻¹ |
| Угловое ускорение | ≤ 200.000 rad/s² |
| Рабочий крутящий момент | 0,2 Ncm |
| Пусковой момент | 0,3 Ncm |
| Допустимое перемещение вала радиальное, статическое/динамическое | ± 0,1 mm / ± 0,05 mm |
| Допустимое перемещение вала осевое, статическое/динамическое | ± 0,5 mm / ± 0,1 mm |
| Срок службы шарикоподшипников | 3,6 x 10^9 оборотов |
- Данные окружающей среды
| Диапазон рабочей температуры | –20 °C ... +115 °C 1) |
| Диапазон температуры хранения | –40 °C ... +125 °C |
| Ударопрочность | 100 g, 6 ms (согласно EN 60068-2-27) |
| Диапазон частоты вибростойкости | 50 g, 10 Hz ... 2.000 Hz (EN 60068-2-6) |
| ЭМС | Согласно EN 61000-6-2, EN 61000-6-4 и IEC 61326-3 2) |
| Тип защиты | IP40, при вставленном ответном штекере и закрытой крышке (согласно IEC 60529-1) 3) |
- Классификации
| ECl@ss 5.0 | 27270590 |
| ECl@ss 5.1.4 | 27270590 |
| ECl@ss 6.0 | 27270590 |
| ECl@ss 6.2 | 27270590 |
| ECl@ss 7.0 | 27270590 |
| ECl@ss 8.0 | 27270590 |
| ECl@ss 8.1 | 27270590 |
| ECl@ss 9.0 | 27270590 |
| ETIM 5.0 | EC001486 |
| ETIM 6.0 | EC001486 |
| UNSPSC 16.0901 | 41112113 |
Показать всё Скрыть всё Технические чертежи
Габаритный чертеж EKx36-xKF0B0xxA
Схема контактов Схема разъема энергопитание/обмен данными EKx36-xKF0B0xxA
Montagehinweis
Вид: Галерея Список Показать всё Скрыть всё Показать всё Скрыть всё