0
ETI    SIEMENS    ABB    WIKA    IFM    ELKO EP    HYUNDAI    VEGA    KSR KUEBLER    Johnson Controls    Siemens IA/DT (CA01)    Bosch Rexroth    Alfa Laval    SICK    Others  

EKM36-0KF0B0S02

Код: 1084837
Связатся с нами: 067 285 7770

В корзину

Показать всё Скрыть всё

  • Характеристики
    Специальный продукт
    Стандартный эталонный приборEKM36-0KF0B018A, 1084233
  • Производительность
    Разрешение на один оборот17 bit
    Количество абсолютно регистрируемых оборотов4.096
    Измерительный шаг на один оборот131.072
    Шум сигнала (σ)± 5 ″ 1)
    Допуски позиционного значения, интегральная нелинейность± 80 ″
    Допуски позиционного значения, дифференциальная нелинейность± 100 ″
    Системная точность
    ± 120 ″
    Частота вращения при включении или сбросе системы обратной связи двигателя≤ 6.000 min⁻¹
    Доступная область памяти8.192 Byte
    • 1) См. диаграммы «Шум сигнала» и «Демпфирование».
  • Интерфейсы
    Тип кодирования для абсолютного значенияДвоичный
    Кривая кодаС возрастанием, при вращении вала. По часовой стрелке, если смотреть в направлении A (см. размерный чертеж).
    Интерфейс связиHIPERFACE DSL®
    Время инициализацииMax. 500 ms 1)
    Измерение внешнего температурного сопротивления

    32-битовое значение, без знака (1 Ω) 0 ... 209.600 Ω

    При –40...+160 °C: NTC +- 2K, PTC +- 3K

    Доступная область памяти8.192 Byte
    • 1) После достижения допустимого рабочего напряжения.
  • Электрические данные
    Тип подключенияВстроен в кабель двигателя, 1 вход датчика температуры
    Диапазон напряжения питания7 V ... 12 V
    Продолжительность включения линейной стадии импульса напряженияМакс. 180 мс 1)
    Выходной ток≤ 150 mA (см. диаграмму потребления тока) 2)
    Частота выходного сигнала цифрового позиционного значения0 kHz ... 75 kHz
    • 1) Продолжительность линейной стадии импульса напряжения между 0 и 7,0 В.
    • 2) При применении предложенной схемы включения, как описано в справочнике HIPERFACE DSL ® (8017595).
  • Механические данные
    Исполнение валаКонический вал
    Тип фланца / статорная муфтаСтаторная муфта
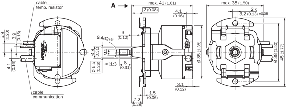
    РазмерыСм. размерный чертеж
    Вес0,1 kg
    Момент инерции ротора4,5 gcm²
    Рабочая частота вращения≤ 9.000 min⁻¹
    Угловое ускорение≤ 200.000 rad/s²
    Рабочий крутящий момент0,2 Ncm
    Пусковой момент0,3 Ncm
    Допустимое перемещение вала радиальное, статическое/динамическое± 0,1 mm / ± 0,05 mm
    Допустимое перемещение вала осевое, статическое/динамическое± 0,5 mm / ± 0,1 mm
    Срок службы шарикоподшипников3,6 x 10^9 оборотов
  • Данные окружающей среды
    Диапазон рабочей температуры–20 °C ... +115 °C 1)
    Диапазон температуры хранения–40 °C ... +125 °C
    Ударопрочность100 g, 6 ms (согласно EN 60068-2-27)
    Диапазон частоты вибростойкости50 g, 10 Hz ... 2.000 Hz (EN 60068-2-6)
    ЭМССогласно EN 61000-6-2, EN 61000-6-4 и IEC 61326-3 2)
    Тип защитыIP40, при вставленном ответном штекере и закрытой крышке (согласно IEC 60529-1) 3)
    • 1) При типичном тепловом соединении между фланцем двигателя и статорной муфтой энкодера. Не допустимо превышение макс. внутренней температуры датчика 125 °C.
    • 2) Электромагнитная совместимость в соответствии с приведенными стандартами обеспечивается, если система обратной связи двигателя установлена в электропроводящем корпусе, который соединен экранированным кабелем с центральной точкой заземления регулятора двигателя. Соединение GND-(0 В) напряжения питания там также связано с землей. При применении другой концепции экранирования пользователь должен провести собственное тестирование.
    • 3) При вставленном ответном штекере и закрытой крышке.
  • Классификации
    ECl@ss 5.027270590
    ECl@ss 5.1.427270590
    ECl@ss 6.027270590
    ECl@ss 6.227270590
    ECl@ss 7.027270590
    ECl@ss 8.027270590
    ECl@ss 8.127270590
    ECl@ss 9.027270590
    ETIM 5.0EC001486
    ETIM 6.0EC001486
    UNSPSC 16.090141112113
Показать всё Скрыть всё

Технические чертежи

Габаритный чертеж EKx36-xKF0B0xxA Montagehinweis Схема контактов Схема разъема энергопитание/обмен данными EKx36-xKF0B0xxA Схема контактов Схема разъема датчика температуры Вид: Галерея Список Показать всё Скрыть всё
Показать всё Скрыть всё