0
ETI    SIEMENS    ABB    WIKA    IFM    ELKO EP    HYUNDAI    VEGA    KSR KUEBLER    Johnson Controls    Siemens IA/DT (CA01)    Bosch Rexroth    Alfa Laval    SICK    Others  

DUV60E-32KCAADA

Код: 1084919
Связатся с нами: 067 285 7770

В корзину

Показать всё Скрыть всё

  • Производительность
    Линейное разрешение0,125 мм/импульс ... 304,8 мм/импульс (в зависимости от типа)
    Количество импульсов на один оборот1 ... 1500 1)
    Измерительный шаг90° электрический/импульсов на один оборот
    Отклонение измерительных шагов± 18°, /импульсов на один оборот
    ДопускиОтклонение измерительного шага x 3
    Цикл нагрузки≤ 0,5 ± 5 %
    Время инициализации< 5 ms 2)
    • 1) Информацию о возможных разрешениях на один оборот см. в кодировке типа моделей.
    • 2) После истечения этого времени можно считывать действительные положения.
  • Электрические данные
    Электрический интерфейс4,75 V ... 30 V, DIP-переключатель TTL/HTL, возможность выбора выхода 1)
    Тип подключенияРазъем, универсальный 2)
    DIP-переключатель для настройки параметров
    Количество импульсов на один оборот
    Выходное напряжение
    Направление вращения
    Рабочий ток без нагрузки≤ 120 mA
    Потребляемая мощность, макс. без нагрузки≤ 1,25 W
    Ток нагрузки, макс.≤ 30 mA, на один канал
    Максимальная частота выходного сигнала60 kHz
    Базовый сигнал, количество1
    Базовый сигнал, положение180°, электрич., логическое соединение с A
    Защита от инверсии полярности
    Стойкость выходов при коротких замыканиях
    MTTFd: время до опасного выхода из строя275 лет (EN ISO 13849-1) 3)
    • 1) Выбор выхода не доступен для конфигураций DIP-переключателей E, F und G. Значение выходного напряжения зависит от напряжения питания.
    • 2) Универсальный разъем имеет поворотное исполнение и таким образом позволяет настроить положение штекера в радиальном и осевом направлении.
    • 3) Данный продукт является стандартным изделием, а не предохранительным устройством, в соответствии с директивой по машиностроению. Расчет на основе номинальной нагрузки компонентов, средней температуры окружающей среды 40 °C, частота применения 8760 ч./год. Все выходы из строя электрических систем рассматриваются как опасные выходы из строя. Более подробная информация приведена в документе № 8015532.
  • Механические данные
    Окружность мерного колеса300 mm
    Поверхность мерного колесаO-образное кольцо NBR70 1)
    Исполнение пружинного кронштейнаПружинный кронштейн, энкодер на монтажной стороне
    Масса0,45 kg 2)
    Материал, энкодер
    ВалНержавеющая сталь
    ФланецАлюминий
    КорпусАлюминий
    КабельPVC
    Материал, механические части пружинного кронштейна
    Пружинный элементПружинная сталь
    Мерное колесо, пружинный кронштейнАлюминий
    Пусковой момент1,2 Ncm
    Рабочий крутящий момент1,1 Ncm
    Рабочая частота вращения1.500 min⁻¹
    Срок службы подшипника3,6 x 10^9 оборотов
    Максимальный ход пружины/отклонение пружинного кронштейна14 mm 3)
    Рекомендуемое предварительное натяжение10 mm 3)
    Допустимый рабочий диапазон макс. (длительный режим работы)± 3 mm
    Срок службы пружинного элемента> 1,4 млн циклов 3)
    • 1) Поверхность мерного колеса подвержена износу. Степень износа зависит от давления прижима, режима ускорения в конкретной сфере применения, скорости перемещения, измерительной поверхности, механического выравнивания мерного колеса, температуры и условий окружающей среды. Мы рекомендуем регулярно проверять качество мерного колеса и при необходимости менять его.
    • 2) Относится к шифратору с штепсельным разъемом.
    • 3) Действительно только для крепления на пружинном кронштейне.
  • Данные окружающей среды
    ЭМСПо EN 61000-6-2 и EN 61000-6-3
    Тип защитыIP65 1)
    Допустимая относительная влажность воздуха90 % (Образование конденсата на оптических сканирующих элементах не допускается)
    Диапазон рабочей температуры–30 °C ... +70 °C
    Диапазон температуры при хранении–40 °C ... +75 °C
    • 1) Если контрштекер установлен, а отверстие DIP-переключателя закрыто корпусом энкодера.
  • Классификации
    ECl@ss 5.027270501
    ECl@ss 5.1.427270501
    ECl@ss 6.027270590
    ECl@ss 6.227270590
    ECl@ss 7.027270501
    ECl@ss 8.027270501
    ECl@ss 8.127270501
    ECl@ss 9.027270501
    ETIM 5.0EC001486
    ETIM 6.0EC001486
    UNSPSC 16.090141112113
Показать всё Скрыть всё

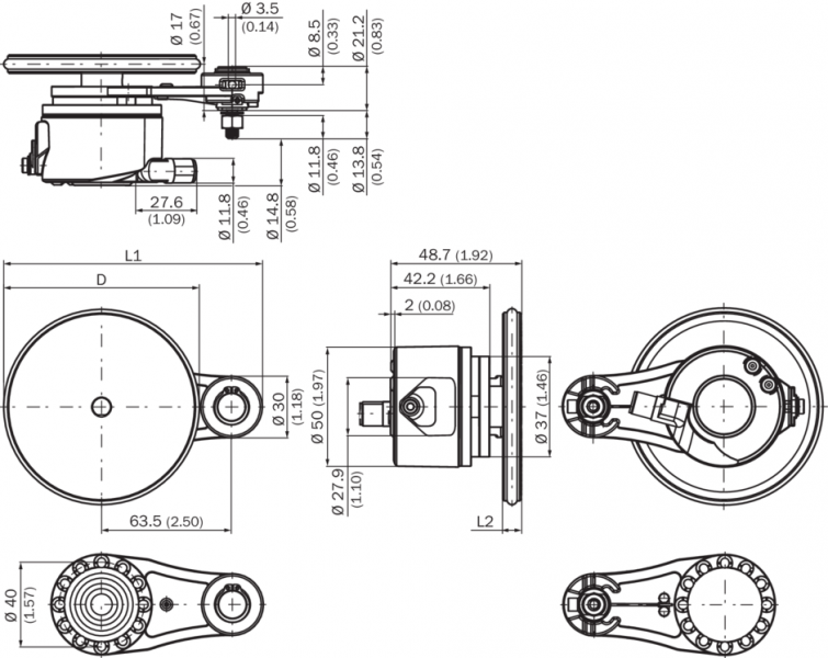
Технические чертежи

Габаритный чертеж Один измерительный ролик, пружинный кронштейн 63,5 мм, энкодер на монтажной стороне, присоединение штекером Схема контактов Вид приборного штекера M12 на энкодере Диаграммы Один измерительный ролик, пружинный кронштейн 63,5 мм Вид: Галерея Список Показать всё Скрыть всё
Показать всё Скрыть всё