0
ETI    SIEMENS    ABB    WIKA    IFM    ELKO EP    HYUNDAI    VEGA    KSR KUEBLER    Johnson Controls    Siemens IA/DT (CA01)    Bosch Rexroth    Alfa Laval    SICK    Others  

DUSTHUNTER T50

Код: DUSTHUNTER T50
Связатся с нами: 067 285 7770

В корзину

Показать всё Скрыть всё

  • Классификации
    ECl@ss 5.027150304
    ECl@ss 5.1.427150304
    ECl@ss 6.027150304
    ECl@ss 6.227150304
    ECl@ss 7.027150304
    ECl@ss 8.027150304
    ECl@ss 8.127150304
    ECl@ss 9.027150304
    ETIM 5.0EC001190
    ETIM 6.0EC001190
    UNSPSC 16.090141115406
Показать всё Скрыть всё

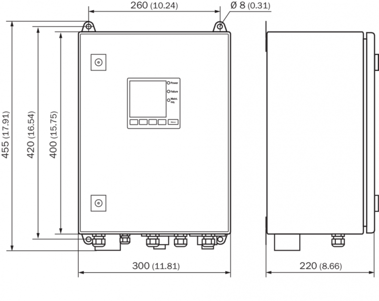
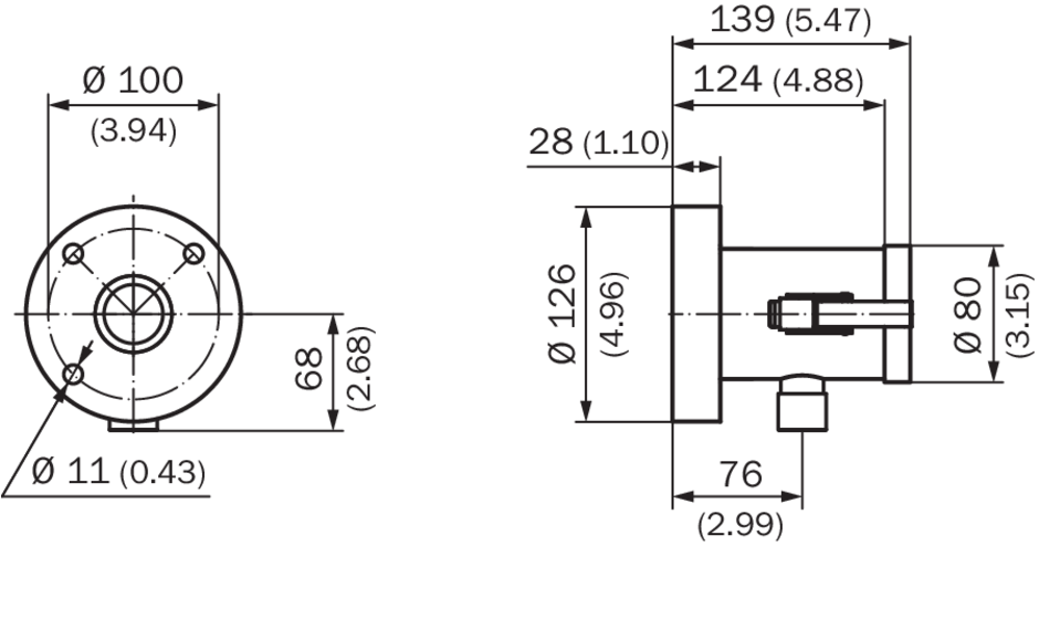
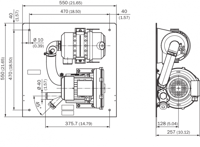
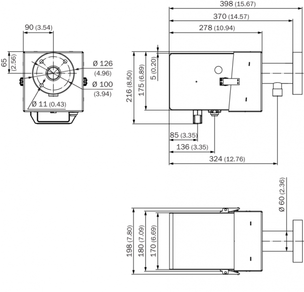
Технические чертежи

Блок отражателя DHT-R5x Приемопередатчик DHT-T00 установка продувочного воздуха SLV4-2, 2BH1300 устройство управления MCU-N, настенный корпус, компактное исполнение (только для взрывобезопасных зон) устройство управления MCU-P, настенный корпус, компактное исполнение (только для взрывобезопасных зон) Вид: Галерея Список Показать всё Скрыть всё
Показать всё Скрыть всё