0
ETI    SIEMENS    ABB    WIKA    IFM    ELKO EP    HYUNDAI    VEGA    KSR KUEBLER    Johnson Controls    Siemens IA/DT (CA01)    Bosch Rexroth    Alfa Laval    SICK    Others  

DUS60E-RDKF0ACA

Код: 1085187
Связатся с нами: 067 285 7770

В корзину

Показать всё Скрыть всё

  • Производительность
    Измерительный шаг90°, электрический/импульсов на один оборот
    Отклонение измерительных шагов± 18° /импульсов на один оборот
    ДопускиОтклонение измерительного шага x 3
    Цикл нагрузки≤ 0,5 ± 5 %
    Время инициализации< 5 ms 1)
    • 1) После истечения этого времени можно считывать действительные положения.
  • Электрические данные
    Электрический интерфейс4,75 V ... 30 V, DIP-переключатель TTL/HTL, возможность выбора выхода 1)
    Тип подключенияРазъем, M12, 4-контактный, универсальный 2)
    DIP-переключатель для настройки параметров
    Количество импульсов на один оборот
    Выходное напряжение
    Направление вращения
    Рабочий ток≤ 120 mA (без нагрузки)
    Потребляемая мощность≤ 1,25 W (без нагрузки)
    Ток нагрузки≤ 30 mA, на один канал
    Частота выходного сигнала60 kHz
    Базовый сигнал, количество1
    Базовый сигнал, положение180°, электрич., логическое соединение с A
    Защита от инверсии полярности
    Стойкость выходов при коротких замыканиях
    MTTFd: время до опасного выхода из строя275 лет (EN ISO 13849-1) 3)
    • 1) Выбор выхода не доступен для конфигураций DIP-переключателей E, F und G. Значение выходного напряжения зависит от напряжения питания.
    • 2) Универсальный разъем имеет поворотное исполнение и таким образом позволяет настроить положение штекера в радиальном и осевом направлении.
    • 3) Данный продукт является стандартным изделием, а не предохранительным устройством, в соответствии с директивой по машиностроению. Расчет на основе номинальной нагрузки компонентов, средней температуры окружающей среды 40 °C, частота применения 8760 ч./год. Все выходы из строя электрических систем рассматриваются как опасные выходы из строя. Более подробная информация приведена в документе № 8015532.
  • Механические данные
    Механическое исполнениеСквозной полый вал, зажимное кольцо с тыльной стороны
    Диаметр вала10 mm
    Тип фланца / статорная муфта2-точечный упор против проворачивания, паз, диаметр отверстия 63–83 мм
    Вес0,25 kg 1)
    Материал, валНержавеющая сталь
    Материал, фланецАлюминий
    Материал, корпусАлюминий
    Материал, кабельPVC
    Пусковой момент0,5 Ncm (+20 °C)
    Рабочий крутящий момент0,4 Ncm (+20 °C)
    Допустимое перемещение вала осевое, статическое/динамическое± 0,5 mm / ± 0,2 mm
    Допустимое перемещение вала радиальное, статическое/динамическое± 0,3 mm / ± 0,1 mm
    Рабочая частота вращения1.500 min⁻¹
    Момент инерции ротора50 gcm²
    Срок службы подшипника3,6 x 10^9 оборотов
    Угловое ускорение≤ 500.000 rad/s², ≤ 200.000 rad/s²
    • 1) Относится к шифратору с штепсельным разъемом.
  • Данные окружающей среды
    ЭМСПо EN 61000-6-2 и EN 61000-6-3
    Тип защитыIP65 1)
    Допустимая относительная влажность воздуха90 % (Образование конденсата на оптических сканирующих элементах не допускается)
    Диапазон рабочей температуры–30 °C ... +70 °C
    Диапазон температуры при хранении–40 °C ... +75 °C
    Ударопрочность100 g (EN 60068-2-27)
    Вибростойкость30 g, 10 Hz ... 2.000 Hz (EN 60068-2-6)
    • 1) Если контрштекер установлен, а отверстие DIP-переключателя закрыто корпусом энкодера.
  • Классификации
    ECl@ss 5.027270501
    ECl@ss 5.1.427270501
    ECl@ss 6.027270590
    ECl@ss 6.227270590
    ECl@ss 7.027270501
    ECl@ss 8.027270501
    ECl@ss 8.127270501
    ECl@ss 9.027270501
    ETIM 5.0EC001486
    ETIM 6.0EC001486
    UNSPSC 16.090141112113
Показать всё Скрыть всё

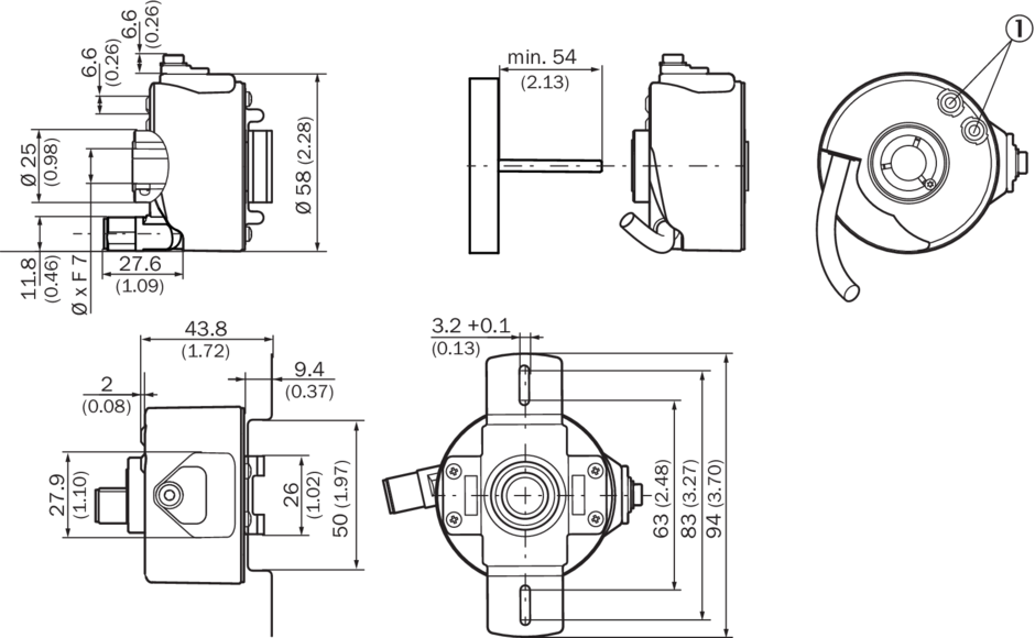
Технические чертежи

Габаритный чертеж Сквозной полый вал, зажимное кольцо с тыльной стороны Схема контактов Вид приборного штекера M12 на энкодере Вид: Галерея Список Показать всё Скрыть всё
Показать всё Скрыть всё