0
ETI    SIEMENS    ABB    WIKA    IFM    ELKO EP    HYUNDAI    VEGA    KSR KUEBLER    Johnson Controls    Siemens IA/DT (CA01)    Bosch Rexroth    Alfa Laval    SICK    Others  

DT500-A211

Код: 1026516
Связатся с нами: 067 285 7770

В корзину

Показать всё Скрыть всё

  • Производительность
    Диапазон измерения

    0,2 m ... 30 m, 90 % отражения 1) 2)

    0,8 m ... 15 m, 6 % отражения 1) 2)

    Разрешение12 bit
    Точность воспроизведения1 mm 3) 4)
    Точность± 3 mm
    Время вывода250 ms
    Источник светаЛазер, красный 5)
    Класс лазера2, соответствует 21 CFR 1040.10 и 1040.11, за исключением различий согласно «Laser Notice № 50» от 24 июня 2007 г. (IEC 60825-1:2014, EN 60825-1:2014)
    Тип. размер светового пятна (расстояние)

    10 mm (на 7 м)

    45 mm (на 30 м)

    100 mm (на 70 м)

    Обогрев
    • 1) При внешнем освещении не более 1 клк постоянного типа.
    • 2) Гарантировано только до 150 м.
    • 3) Отражение 6 % ... 90 %.
    • 4) Статистическая ошибка 1 σ.
    • 5) Средний срок службы 50000 ч при TU = +25 °C.
  • Интерфейсы
    Аналоговый выход0 мА ... 20 мА / 4 мА ... 20 мА (UВ-2 В / 0.0205 A) 1)
    Многофункциональный вход (MF)> 12 V 2)
    Вход отключения лазера> 12 V
    • 1) Макс. нагрузка = UВ - 2 В / 0,0205 A.
    • 2) См. функцию многофункционального входа.
  • Механика/электроника
    Напряжение питания UV

    Пост. ток 10 V ... 30 V, с защитой от инверсии полярности

    UВ ≥ DC 24 В для устройств с нагревателем

    Остаточная пульсация5 Vss 1)
    Потребляемая мощностьTyp. 22 W
    Время инициализации500 ms
    Тип подключенияРазъем, M12, 5-контактный
    Вес1.000 g
    Тип защитыIP65
    Класс защитыII 2)
    • 1) Не допускается превышение или занижение допуска UВ.
    • 2) Расчетное напряжение постоянного тока 32 В.
  • Данные окружающей среды
    Электромагнитная совместимость (ЭМС)

    EN 61000-6-2, EN 55011

    EN 60947-5-7: 2003-9

    Рабочий диапазон температур

    –40 °C ... +45 °C, Работа с нагревателем

    –40 °C ... +75 °C, Работа с охлаждающим корпусом

    Диапазон температур при хранении–25 °C ... +75 °C
    Температурный дрейфTyp. 0,05 mm/K
    Механическая прочность

    Удар: (EN 600 68-2-27 / –2-29)

    Синус: (EN 600 68-2-6)

    Шум: (EN 600 68-2-64)

  • Классификации
    ECl@ss 5.027270801
    ECl@ss 5.1.427270801
    ECl@ss 6.027270801
    ECl@ss 6.227270801
    ECl@ss 7.027270801
    ECl@ss 8.027270801
    ECl@ss 8.127270801
    ECl@ss 9.027270801
    ETIM 5.0EC001825
    ETIM 6.0EC001825
    UNSPSC 16.090141111613
Показать всё Скрыть всё

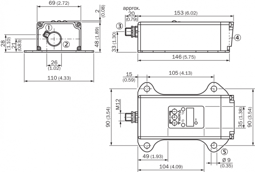
Технические чертежи

Габаритный чертеж Тип подключения Разъем M12, 5-конт. Схема соединений Варианты настройки Вид: Галерея Список Показать всё Скрыть всё
Показать всё Скрыть всё