0
ETI    SIEMENS    ABB    WIKA    IFM    ELKO EP    HYUNDAI    VEGA    KSR KUEBLER    Johnson Controls    Siemens IA/DT (CA01)    Bosch Rexroth    Alfa Laval    SICK    Others  

DKS40-A5M01024

Код: 1035705
Связатся с нами: 067 285 7770

В корзину

Показать всё Скрыть всё

  • Производительность
    Количество импульсов на один оборот1.024
    Измерительный шаг90°, электрический/импульсов на один оборот
    Отклонение измеряемого шага при недвоичном разрешении0,07°
    Отклонение измеряемого шага при двоичном разрешении0,035°
    Погрешность измерения для бинарных значений разрешения0,09°
    Погрешность измерения для небинарных значений разрешения0,13°
    Время инициализации40 ms
  • Электрические данные
    Электрический интерфейс4,5 V ... 5,5 V, TTL/RS422
    Тип подключенияКабель, 8 жил, универсальный, 5 m 1) 2)
    Рабочий ток≤ 40 mA (без нагрузки)
    Частота выходного сигнала≤ 200 kHz
    Базовый сигнал, количество1
    Базовый сигнал, положение90°, электрические, логические соединения с A и B
    MTTFd: время до опасного выхода из строя600 лет (EN ISO 13849-1) 3)
    • 1) Универсальный кабельный отвод располагается так, чтобы обеспечить прокладку без излома в радиальном или осевом направлениях.
    • 2) Без сертификации UL.
    • 3) Данный продукт является стандартным изделием, а не предохранительным устройством, в соответствии с директивой по машиностроению. Расчет на основе номинальной нагрузки компонентов, средней температуры окружающей среды 40 °C, частота применения 8760 ч./год. Все выходы из строя электрических систем рассматриваются как опасные выходы из строя. Более подробная информация приведена в документе № 8015532.
  • Механические данные
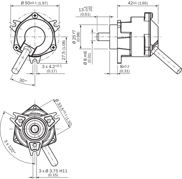
    Механическое исполнениеСплошной вал, Торцевой фланец
    Диаметр вала8 mm x 13 mm
    Вес0,18 kg
    Пусковой момент0,6 Ncm (+20 °C)
    Рабочий крутящий момент0,4 Ncm (+20 °C)
    Рабочая частота вращения6.000 U/min
    Момент инерции ротора6 gcm²
    Срок службы подшипника2 x 10^9 оборотов
  • Данные окружающей среды
    ЭМС

    EN 61000-6-2

    EN 61000-6-3

    Тип защитыIEC 60529
    Диапазон рабочей температуры0 °C ... +60 °C
    Диапазон температуры при хранении–40 °C ... +70 °C, без упаковки
    Ударопрочность50 g, 7 ms (EN 60068-2-27)
    Вибростойкость20 g, 10 Hz ... 2.000 Hz (EN 60068-2-6)
    Влажность воздуха90 % 1)
    • 1) Образование конденсата на оптических сканирующих элементах не допускается.
  • Классификации
    ECl@ss 5.027270501
    ECl@ss 5.1.427270501
    ECl@ss 6.027270590
    ECl@ss 6.227270590
    ECl@ss 7.027270501
    ECl@ss 8.027270501
    ECl@ss 8.127270501
    ECl@ss 9.027270501
    ETIM 5.0EC001486
    ETIM 6.0EC001486
    UNSPSC 16.090141112113
Показать всё Скрыть всё

Технические чертежи

Габаритный чертеж Зажимной фланец, кабельный ввод Схема контактов Вид: Галерея Список Показать всё Скрыть всё
Показать всё Скрыть всё