0
ETI    SIEMENS    ABB    WIKA    IFM    ELKO EP    HYUNDAI    VEGA    KSR KUEBLER    Johnson Controls    Siemens IA/DT (CA01)    Bosch Rexroth    Alfa Laval    SICK    Others  

DFS60S-BEOC01024

Код: 1069538
Связатся с нами: 067 285 7770

В корзину

Показать всё Скрыть всё

  • Параметры техники безопасности
    Класс надежностиSIL2 (IEC 61508), SILCL2 (IEC 62061) 1)
    Категория3 (EN ISO 13849)
    Тестовая частотаНе требуется
    Максимальная частота запросаНепрерывно (Аналоговые сигналы)
    Уровень производительностиPL d (EN ISO 13849) 1)
    PFHD: вероятность опасного отказа/ч1,7 x 10-8 2)
    TM (заданная продолжительность работы)20 лет (EN ISO 13849)
    Измерительный шаг для обеспечения безопасности0,09°, Квадратурная обработка сигналов
    Точность для обеспечения безопасности± 0,09°
    • 1) Для уточнения параметров вашего оборудования/установки свяжитесь с соответствующим региональным филиалом компании SICK.
    • 2) Приведенные значения относятся к степени диагностируемости 99 %, которая должна достигаться через внешнюю приводную систему, и к рабочей температуре 95 °C.
  • Производительность
    Синусоидальных/косинусоидальных периодов на один оборот1.024
    Измерительный шаг0,3 ″, при интерполяции синусоидальных и косинусоидальных сигналов, например 12 бит, не относится к безопасности
    Время инициализации50 ms 1)
    Интегральная нелинейностьTyp. ± 45 ″ (при ненагруженной статорной муфте)
    Дифференциальная нелинейность± 7 ″
    Базовый сигнал, количество1
    Базовый сигнал, положение90°, электрические, логические соединения с синусом и косинусом
    • 1) После истечения этого времени можно считывать действительные сигналы.
  • Электрические данные
    Электрический интерфейс4,5 V ... 32 V, SinCos 1,0 ВSS (дифференциальный)
    Тип подключенияРазъем М12, 8-конт., радиальная
    Максимальная частота выходного сигнала≤ 153,6 kHz
    Нагрузочное сопротивление≤ 120 Ω
    Потребляемая мощность, макс. без нагрузки≤ 0,7 W
    Потребляемая мощностьБез нагрузки
    Защита от инверсии полярности
    Класс защитыIII (согласно DIN EN 61140)
    Степень загрязнения2
    Устойчивость к короткому замыканию✔ 1)
    • 1) Короткое замыкание относительно другого канала или GND допустимо для макс. 30 с. При US ≤ 12 В дополнительное короткое замыкание относительно US допустимо на макс. 30 с.
  • Механические данные
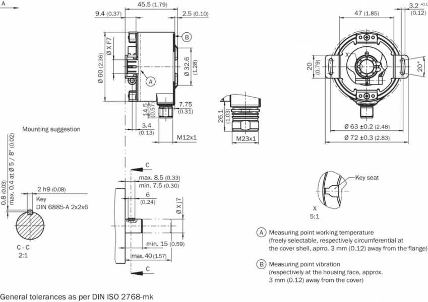
    Механическое исполнениеГлухой полый вал с пазом для призматической шпонки
    Диаметр вала12 mm
    Материал, валНержавеющая сталь
    Материал, фланецЦинковое литье под давлением
    Материал, корпусАлюминиевое литье
    ВесОк. 0,25 kg 1)
    Пусковой момент≤ 0,8 Ncm (при 20 °C)
    Рабочий крутящий момент≤ 0,6 Ncm (при 20 °C)
    Допустимое перемещение вала, статическое

    ± 0,3 mm (радиальная)

    ± 0,5 mm (осевая)

    Допустимое перемещение вала, динамическое

    ± 0,05 mm (радиальная)

    ± 0,1 mm (осевая)

    Угловое ускорение, макс.+ 500.000 rad/s²
    Рабочая частота вращения6.000 min⁻¹ 2)
    Момент инерции ротора56 gcm²
    Срок службы подшипника3,6 x 10^9 оборотов 3)
    • 1) Относится к шифратору с штепсельным разъемом.
    • 2) При расчете диапазона рабочей температуры учитывайте собственный нагрев 3,0 K на 1 000 об/мин в точке измерения рабочей температуры.
    • 3) При максимальной частоте вращения и температуре.
  • Данные окружающей среды
    ЭМСПо EN 61000-6-2, EN 61000-6-3 и IEC61326-3-1
    Тип защитыIP65 (согласно IEC 60529) 1)
    Допустимая относительная влажность воздуха90 %, Образование конденсата не допускается
    Диапазон рабочей температуры–30 °C ... +95 °C 2)
    Тип подключенияРазъем М12, 8-конт.
    Диапазон температуры при хранении–30 °C ... +90 °C, без упаковки
    Ударопрочность100 g, 6 ms, испытано в процессе эксплуатации при контроле длины вектора (согласно EN 60068-2-27)
    Диапазон частоты вибростойкости30 g, 10 Hz ... 1.000 Hz (EN 60068-2-6), испытано в процессе эксплуатации при контроле длины вектора. включая ответный штекер.
    Разъем М12, 8-конт.
    • 1) При использовании штекерного разъема со вставленным ответным штекером класс защиты не ниже IP65.
    • 2) При расчете диапазона рабочей температуры учитывайте собственный нагрев 3,0 K на 1 000 об/мин в точке измерения рабочей температуры.
  • Классификации
    ECl@ss 5.027272501
    ECl@ss 5.1.427272501
    ECl@ss 6.027272590
    ECl@ss 6.227272590
    ECl@ss 7.027272590
    ECl@ss 8.027272590
    ECl@ss 8.127272590
    ECl@ss 9.027272590
    ETIM 5.0EC001486
    ETIM 6.0EC001486
    UNSPSC 16.090141112113
Показать всё Скрыть всё

Технические чертежи

Габаритный чертеж Схема контактов Вид со стороны вставки, штекер M12 Диаграммы Сигналы интерфейса SIN/COS после вычитания Диаграммы Сигналы интерфейса SIN/COS до вычитания Вид: Галерея Список Показать всё Скрыть всё
Показать всё Скрыть всё