0
ETI    SIEMENS    ABB    WIKA    IFM    ELKO EP    HYUNDAI    VEGA    KSR KUEBLER    Johnson Controls    Siemens IA/DT (CA01)    Bosch Rexroth    Alfa Laval    SICK    Others  

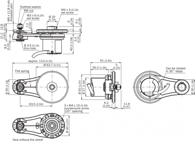
DBV50E-22CKB2000

Код: 1081177
Связатся с нами: 067 285 7770

В корзину

Показать всё Скрыть всё

  • Производительность
    Количество импульсов на один оборот2.000
    Разрешение в импульсах/мм10
    Измерительный шаг (разрешение мм/импульс)0,1
    Отклонение измерительных шагов± 18°/импульсов на один оборот
    Допуски± 4 мм/м, зависит от мерного колеса (колесо + поверхность)
    Цикл нагрузки≤ 0,5 ± 5 %
    Время инициализации< 3 ms
  • Электрические данные
    Электрический интерфейс7 V ... 30 V, TTL/RS422
    Тип подключенияКабель, 8-жильный, универсальный, 1,5 m 1)
    Потребляемая мощность, макс. без нагрузки≤ 0,5 W
    Ток нагрузки, макс.30 mA
    Максимальная частота выходного сигнала300 kHz
    Базовый сигнал, количество1
    Базовый сигнал, положение90°, электрические, логические соединения с A и B
    Защита от инверсии полярности
    Стойкость выходов при коротких замыканиях✔ 2)
    MTTFd: время до опасного выхода из строя600 лет (EN ISO 13849-1) 3)
    • 1) Количество жил зависит от электрического интерфейса: интерфейсы A, C, E: 8 жил, интерфейсы G, P, R: 5 жил.
    • 2) Стойкость при коротком замыкании обеспечивается только в случае, если правильно подключены Us и GND.
    • 3) Данный продукт является стандартным изделием, а не предохранительным устройством, в соответствии с директивой по машиностроению. Расчет на основе номинальной нагрузки компонентов, средней температуры окружающей среды 40 °C, частота применения 8760 ч./год. Все выходы из строя электрических систем рассматриваются как опасные выходы из строя. Более подробная информация приведена в документе № 8015532.
  • Механические данные
    Окружность мерного колеса200 mm
    Поверхность мерного колесаO-образное кольцо NBR70 1)
    Исполнение пружинного кронштейнаПружинный кронштейн 63,5 мм, мерное колесо на монтажной стороне, 1 мерное колесо
    Масса300 g
    Материал, энкодер
    ВалНержавеющая сталь
    ФланецАлюминий
    КорпусАлюминий
    КабельPVC
    Материал, механические части пружинного кронштейна
    Пружинный элементПружинная сталь, нержавеющая
    Мерное колесо, пружинный кронштейнАлюминий
    Пусковой момент0,9 Ncm (при 20 °C)
    Рабочий крутящий момент0,6 Ncm (при 20 °C)
    Рабочая частота вращения1.500 min⁻¹
    Максимальная рабочая частота вращения3.000 min⁻¹ 2)
    Срок службы подшипника2,0 x 10^9 оборотов
    Максимальный ход пружины/отклонение пружинного кронштейна14 mm При ходе пружины 14 Н
    Рекомендуемое предварительное натяжение15 N При отклонении 10 мм 3)
    Допустимый рабочий диапазон макс. (длительный режим работы)± 3 mm
    Рекомендуемое отклонение пружины2 mm ... 13 mm
    Срок службы пружинного элемента> 1,4 млн циклов 4)
    Монтажное положение относительно объекта измеренияПредпочтительно сверху, возможно снизу 5)
    • 1) Поверхность мерного колеса подвержена износу. Степень износа зависит от давления прижима, режима ускорения в конкретной сфере применения, скорости перемещения, измерительной поверхности, механического выравнивания мерного колеса, температуры и условий окружающей среды. Мы рекомендуем регулярно проверять качество мерного колеса и при необходимости менять его.
    • 2) Не длительный режим работы. Качество сигнала ухудшается.
    • 3) При измерении сверху на измерительной поверхности.
    • 4) Одному циклу соответствует одно движение вверх и вниз на ± 3 мм от положения рекомендуемого предварительного натяжения.
    • 5) При монтаже снизу учитывайте вес энкодера При настройке предварительного натяжения пружины.
  • Данные окружающей среды
    ЭМСПо EN 61000-6-2 и EN 61000-6-3 (класс A)
    Тип защитыIP65
    Допустимая относительная влажность воздуха90 % (Образование конденсата на оптических сканирующих элементах не допускается)
    Диапазон рабочей температуры

    –20 °C ... +85 °C

    –35 °C ... +95 °C (по запросу)

    Диапазон температуры при хранении–40 °C ... +100 °C, без упаковки
  • Классификации
    ECl@ss 5.027270501
    ECl@ss 5.1.427270501
    ECl@ss 6.027270590
    ECl@ss 6.227270590
    ECl@ss 7.027270501
    ECl@ss 8.027270501
    ECl@ss 8.127270501
    ECl@ss 9.027270501
    ETIM 5.0EC001486
    ETIM 6.0EC001486
    UNSPSC 16.090141112113
Показать всё Скрыть всё

Технические чертежи

Габаритный чертеж Пружинный кронштейн 63,5 мм, мерное колесо на монтажной стороне, 1 мерное колесо Рекомендации по установке Схема контактов Диаграммы Диаграмма усилия/хода пружины и рабочего диапазона Диаграммы Сигнальные выходы для эл. интерфейсов TTL и HTL Рекомендации по установке Вид: Галерея Список Показать всё Скрыть всё
Показать всё Скрыть всё