0
ETI    SIEMENS    ABB    WIKA    IFM    ELKO EP    HYUNDAI    VEGA    KSR KUEBLER    Johnson Controls    Siemens IA/DT (CA01)    Bosch Rexroth    Alfa Laval    SICK    Others  

DBS60I-S4AM00004

Код: DBS60I-S4AM00004
Связатся с нами: 067 285 7770

В корзину

Показать всё Скрыть всё

  • Производительность
    Количество импульсов на один оборот4
    Измерительный шаг90° электрический/импульсов на один оборот
    Отклонение измерительных шагов± 18° /импульсов на один оборот
    ДопускиОтклонение измерительного шага x 3
    Цикл нагрузки≤ 0,5 ± 5 %
    Время инициализации< 5 ms 1)
    • 1) После истечения этого времени можно считывать действительные сигналы.
  • Электрические данные
    Электрический интерфейс4,5 V ... 5,5 V, TTL/RS422 1)
    Тип подключенияКабель, 8 жил, радиальная, 5 m 2)
    Рабочий ток≤ 50 mA (без нагрузки)
    Ток нагрузки≤ 30 mA, на один канал
    Частота выходного сигнала≤ 300 kHz 3)
    Базовый сигнал, количество1
    Базовый сигнал, положение90°, электрические, логические соединения с A и B
    Защита от инверсии полярности
    Стойкость выходов при коротких замыканиях✔ 4)
    MTTFd: время до опасного выхода из строя500 лет (EN ISO 13849-1) 5)
    • 1) 6 каналов, если не указано иное.
    • 2) Другие по запросу.
    • 3) До 450 кГц по запросу.
    • 4) Короткое замыкание относительно другого канала или GND допускается максимально на 60 с. Защита от короткого замыкания канала относительно US отсутствует.
    • 5) Данный продукт является стандартным изделием, а не предохранительным устройством, в соответствии с директивой по машиностроению. Расчет на основе номинальной нагрузки компонентов, средней температуры окружающей среды 40 °C, частота применения 8760 ч./год. Все выходы из строя электрических систем рассматриваются как опасные выходы из строя. Более подробная информация приведена в документе № 8015532.
  • Механические данные
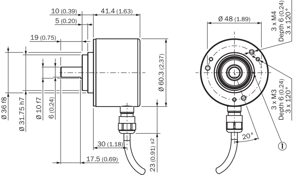
    Механическое исполнениеСплошной вал, Торцевой фланец
    Диаметр вала10 mm x 19 mm 1)
    Тип фланца / статорная муфтаФланец с 3 разъемами M3 и 3 разъемами M4 1)
    Вес0,5 kg 2)
    Материал, валНержавеющая сталь V2A
    Материал, фланецНержавеющая сталь V2A
    Материал, корпусНержавеющая сталь V2A
    Материал, кабельПВХ
    Материал, кольцо для уплотнения валаFKM80
    Материал, Кабельный вводНержавеющая сталь V2A / никелированная латунь
    Пусковой момент1 Ncm (+20 °C)
    Рабочий крутящий момент0,9 Ncm (+20 °C)
    Допустимая нагрузка на вал, радиальная/осевая

    80 N (радиальная) 3)

    40 N (осевая) 3)

    Рабочая частота вращения≤ 6.000 min⁻¹ 4)
    Момент инерции ротора34 gcm²
    Срок службы подшипника3,6 x 10^9 оборотов
    Угловое ускорение≤ 500.000 rad/s²
    • 1) Другие по запросу.
    • 2) Относится к шифратору с штепсельным разъемом.
    • 3) Более высокие значения возможны при ограничении срока службы подшипников.
    • 4) Максимальная скорость, которая не приводит к механическому повреждению энкодера. Возможно оказание влияния на срок службы и качество сигнала. Необходимо учитывать максимальную частоту выходного сигнала.
  • Данные окружающей среды
    ЭМСПо EN 61000-6-2 и EN 61000-6-3
    Тип защитыIP67, Подключение к линии (согласно IEC 60529)
    Допустимая относительная влажность воздуха90 % (Образование конденсата на оптических сканирующих элементах не допускается)
    Диапазон рабочей температуры–20 °C ... +85 °C
    Диапазон температуры при хранении–40 °C ... +100 °C, без упаковки
    Ударопрочность100 g, 6 ms (согласно EN 60068-2-27)
    Вибростойкость30 g, 10 Hz ... 2.000 Hz (согласно EN 60068-2-6)
  • Классификации
    ECl@ss 5.027270501
    ECl@ss 5.1.427270501
    ECl@ss 6.027270590
    ECl@ss 6.227270590
    ECl@ss 7.027270501
    ECl@ss 8.027270501
    ECl@ss 8.127270501
    ECl@ss 9.027270501
    ETIM 5.0EC001486
    ETIM 6.0EC001486
    UNSPSC 16.090141112113
Показать всё Скрыть всё

Технические чертежи

Габаритный чертеж Сплошной вал, захватный фланец, кабельный ввод Схема контактов Анализ частоты вращения Сигнальные выходы Сигнальные выходы для эл. интерфейсов TTL и HTL Анализ частоты вращения Сигнальные выходы Сигнальные выходы для эл. интерфейсов TTL и HTL Вид: Галерея Список Показать всё Скрыть всё
Показать всё Скрыть всё