0
ETI    SIEMENS    ABB    WIKA    IFM    ELKO EP    HYUNDAI    VEGA    KSR KUEBLER    Johnson Controls    Siemens IA/DT (CA01)    Bosch Rexroth    Alfa Laval    SICK    Others  

DBS36E-S3EL00500

Код: 1062697
Связатся с нами: 067 285 7770

В корзину

Показать всё Скрыть всё

  • Производительность
    Количество импульсов на один оборот500
    Измерительный шаг90° электрических/импульсы
    Отклонение измерительных шагов± 18° /импульсов на один оборот
    Допуски± 54° /импульсов на один оборот
    Цикл нагрузки≤ 0,5 ± 5 %
    Время инициализации< 3 ms
  • Электрические данные
    Электрический интерфейс7 V ... 30 V, HTL/Push pull
    Тип подключенияКабель, 8 жил, универсальный, 3 m
    Потребляемая мощность≤ 0,5 W (без нагрузки)
    Ток нагрузки≤ 30 mA
    Частота выходного сигнала≤ 300 kHz
    Базовый сигнал, количество1
    Базовый сигнал, положение90°, электрические, логические соединения с A и B
    Защита от инверсии полярности
    Стойкость выходов при коротких замыканиях✔ 1)
    MTTFd: время до опасного выхода из строя600 лет (EN ISO 13849-1) 2)
    • 1) Стойкость при коротком замыкании обеспечивается только в случае, если правильно подключены Us и GND.
    • 2) Данный продукт является стандартным изделием, а не предохранительным устройством, в соответствии с директивой по машиностроению. Расчет на основе номинальной нагрузки компонентов, средней температуры окружающей среды 40 °C, частота применения 8760 ч./год. Все выходы из строя электрических систем рассматриваются как опасные выходы из строя. Более подробная информация приведена в документе № 8015532.
  • Механические данные
    Механическое исполнениеСплошной вал, торцевой фланец
    Диаметр вала6 mm x 12 mm
    Материал, валНержавеющая сталь
    Материал, фланецАлюминий
    Материал, корпусАлюминий
    Материал, кабельPVC
    Пусковой момент0,5 Ncm (+20 °C)
    Рабочий крутящий момент0,4 Ncm (+20 °C)
    Допустимая нагрузка на вал, радиальная/осевая

    40 N (радиальная) 1)

    20 N (осевая) 1)

    Рабочая частота вращения6.000 min⁻¹ 2)
    Максимальная рабочая частота вращения8.000 min⁻¹ 3)
    Момент инерции ротора0,6 gcm²
    Срок службы подшипника2 x 10^9 оборотов
    Угловое ускорение≤ 500.000 rad/s²
    • 1) Более высокие значения возможны при ограничении срока службы подшипников.
    • 2) Собственный нагрев 3,3 K на 1 000 об/мин.
    • 3) Не длительный режим работы. Качество сигнала ухудшается.
  • Данные окружающей среды
    ЭМСПо EN 61000-6-2 и EN 61000-6-3 (класс A)
    Тип защитыIP65
    Допустимая относительная влажность воздуха90 % (Образование конденсата на оптических сканирующих элементах не допускается)
    Диапазон рабочей температуры–20 °C ... +85 °C
    Диапазон температуры при хранении–40 °C ... +100 °C, без упаковки
    Ударопрочность100 g, 6 ms (EN 60068-2-27)
    Вибростойкость20 g, 10 Hz ... 2.000 Hz (EN 60068-2-6)
  • Классификации
    ECl@ss 5.027270501
    ECl@ss 5.1.427270501
    ECl@ss 6.027270590
    ECl@ss 6.227270590
    ECl@ss 7.027270501
    ECl@ss 8.027270501
    ECl@ss 8.127270501
    ECl@ss 9.027270501
    ETIM 5.0EC001486
    ETIM 6.0EC001486
    UNSPSC 16.090141112113
Показать всё Скрыть всё

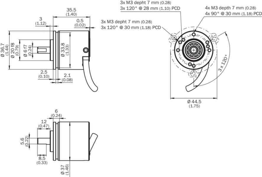
Технические чертежи

Габаритный чертеж Сплошной вал, захватный фланец, вал 6 x 12 мм, схема расположения отверстий фланца – тип 0 Схема контактов Вид: Галерея Список Показать всё Скрыть всё
Показать всё Скрыть всё