0
ETI    SIEMENS    ABB    WIKA    IFM    ELKO EP    HYUNDAI    VEGA    KSR KUEBLER    Johnson Controls    Siemens IA/DT (CA01)    Bosch Rexroth    Alfa Laval    SICK    Others  

CLV640-3000

Код: 1042020
Связатся с нами: 067 285 7770

В корзину

Показать всё Скрыть всё

  • Характеристики
    ВерсияStandard Density
    Тип подключенияКабель
    Окно считыванияСбоку (105°)
    Исполнение сканераРастровый сканер
    ФокусДинамическое управление фокусом
    Источник светаВидимый красный свет (655 nm)
    Световое пятноКруглой формы
    Средняя наработка на отказ40.000 h
    Класс лазера2 (IEC 60825-1:2014, EN 60825-1:2014)
    Угол раскрытия≤ 50°
    Частота сканирования400 Hz ... 1.200 Hz
    Разрешение кода0,2 mm ... 1 mm
    Расстояние считывания44 mm ... 738 mm 1)
    Высота сетки, количество линий, на расстоянии15 mm, 8, 185 mm
    • 1) Подробности на диаграмме зоны считывания.
  • Производительность
    Виды штрихкодаВсе основные виды кода, Code 39, Code 128, Code 93, Codabar, GS1-128 / EAN 128, UPC / GTIN / EAN, 2/5 Interleaved, Pharmacode, GS1 DataBar, Telepen, MSI/Plessey
    Степень сжатия2:1 ... 3:1
    Количество кодов на скан

    1 ... 20 (Стандартный декодер)

    1 ... 6 (Декодер SMART)

    Количество кодов на считывающий проход1 ... 50 (с автоматическим распознаванием)
    Количество символов на считывающий проход

    5.000

    500 (с функцией CAN-мультиплексер)

    Количество многократных считываний1 ... 99
  • Интерфейсы
    PROFINET
    ФункцияPROFINET Dual Port (опционально через внешний модуль промышленной сети CDF600-2)
    EtherCAT®
    Тип интеграции в шинуВ качестве опции через внешний модуль промышленной сети CDF600
    Последовательный✔ , RS-232, RS-422, RS-485
    ФункцияHost, AUX
    Скорость передачи данных2.400 Baud ... 115,2 kBaud, AUX: 57,6 кбод (RS-232)
    CAN
    ФункцияСеть датчиков SICK CSN на базе CAN (мастер/слейв, мультиплексер/сервер)
    Скорость передачи данных20 kbit/s ... 1 Mbit/s
    CANopen
    Скорость передачи данных20 kbit/s ... 1 Mbit/s
    PROFIBUS DP
    Тип интеграции в шинуВ качестве опции через внешний модуль промышленной сети CDF600-2
    DeviceNet™
    Тип интеграции в шинуВ качестве опции через внешний соединительный модуль CDM + CMF
    Переключающие входы4 («Датчик 1», «Датчик 2», 2 входа через опциональный накопитель параметров CMC600 в CDB620/CDM420)
    Переключающие выходы4 («Результат 1», «Результат 2», 2 выхода через опциональный накопитель параметров CMC600 в CDB620/CDM420)
    Тактирование сигналов считыванияПереключающие входы, свободно, Последовательный интерфейс, Автотактирование, CAN
    Оптическая индикация6 LEDs (Ready, Result, Лазер, Data, CAN, LNK TX, Гистограмма для индикации процентного выражения качества считывания (10 светодиодов))
    Акустическая индикацияБипер/зуммер (отключаемый, с возможностью назначения функции сигнала о результате)
    Элементы управления2 клавиши (выбор и запуск / отключение функций)
    Конфигурационное ПОSOPAS ET
    Карта памятиКарта памяти MicroSD (флеш-накопитель), опция
  • Механика/электроника
    Электрическое подключение1 x 15-контактный разъем D-Sub-HD (0,9 м)
    Рабочее напряжение18 V DC ... 30 V DC
    Потребляемая мощность5,5 W
    КорпусАлюминиевое литье
    Цвет корпусаСветло-голубой (RAL 5012)
    Лицевая панельСтекло
    Тип защитыIP65 (EN 60529)
    Класс защитыIII (EN 61140)
    Вес340 g, с соединительным кабелем
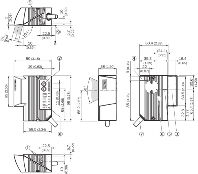
    Размеры (Д x Ш x В)80 mm x 96 mm x 38 mm
  • Данные окружающей среды
    Электромагнитная совместимость (ЭМС)EN 61000-6-3 (2001-10) / EN 61000-6-2:2005
    ВиброустойчивостьEN 60068-2-6 (1995)
    УдаропрочностьEN 60068-2-27 (1993)
    Диапазон рабочих температур0 °C ... +40 °C
    Температура хранения–20 °C ... +70 °C
    Допустимая относительная влажность воздуха90 %, без образования конденсата
    Нечувствительность ко внешним источникам света2.000 lx, на штрихкоде
    Контраст печати штрихкода (PCS)≥ 60 %
  • Общие указания
    Указание по применениюДля подключения к Ethernet необходимо использовать вариант CLV6xx с Ethernet-интерфейсом.
  • Классификации
    ECl@ss 5.027280102
    ECl@ss 5.1.427280102
    ECl@ss 6.027280102
    ECl@ss 6.227280102
    ECl@ss 7.027280102
    ECl@ss 8.027280102
    ECl@ss 8.127280102
    ECl@ss 9.027280102
    ETIM 5.0EC002550
    ETIM 6.0EC002550
    UNSPSC 16.090143211701
Показать всё Скрыть всё

Технические чертежи

Диаграмма поля считывания Габаритный чертеж CLV63x/64x стандарт, боковой Вид: Галерея Список Показать всё Скрыть всё
Показать всё Скрыть всё