0
ETI    SIEMENS    ABB    WIKA    IFM    ELKO EP    HYUNDAI    VEGA    KSR KUEBLER    Johnson Controls    Siemens IA/DT (CA01)    Bosch Rexroth    Alfa Laval    SICK    Others  

CLV615-D2520

Код: 1075150
Связатся с нами: 067 285 7770

В корзину

Показать всё Скрыть всё

  • Характеристики
    ВерсияLong Range
    Тип подключенияКабель
    Окно считыванияСбоку (105°)
    Исполнение сканераЛинейный сканер
    ФокусФиксированный фокус
    Источник светаВидимый красный свет (655 nm)
    Средняя наработка на отказ40.000 h
    Класс лазера2 (IEC 60825-1:2014, EN 60825-1:2014)
    Угол раскрытия≤ 50°
    Частота сканирования400 Hz ... 1.000 Hz
    Разрешение кода0,35 mm ... 0,5 mm
    Расстояние считывания25 mm ... 330 mm 1)
    • 1) Подробности на диаграмме зоны считывания.
  • Производительность
    Виды штрихкодаВсе основные виды кода, Code 39, Code 128, Code 93, Codabar, UPC / GTIN / EAN, 2/5 Interleaved, Pharmacode
    Степень сжатия2:1 ... 3:1
    Количество кодов на скан

    1 ... 10 (Стандартный декодер)

    1 ... 6 (SMART620)

    Количество кодов на считывающий проход1 ... 50 (с автоматическим распознаванием)
    Количество символов на считывающий проход1.500
    Количество многократных считываний1 ... 99
  • Интерфейсы
    PROFINET
    ФункцияPROFINET Dual Port
    Скорость передачи данных2-Port Ethernet согласно IEEE 802.3 (скорость передачи данных 100 Мбит/с, полнодуплексная связь, двухпортовый коммутатор, автосогласование, автоопределение перекрещивания пар). Максимальная длина массива данных ограничивается режимом связи (протоколом фрагментации) на уровне 4000 байт.
    USB
    ФункцияAUX
    Переключающие входы2 (1 x «Датчик 1», 1 х через биты управления PROFINET)
    Переключающие выходы4 (через биты управления PROFINET)
    Тактирование сигналов считыванияСвободно, Автотактирование, Вход промышленной сети, Команда, Переключающий вход
    Оптическая индикация5 LEDs
    Конфигурационное ПОSOPAS ET
  • Механика/электроника
    Электрическое подключение

    1 x разъем «POWER», 5-конт. штекер M12, A-кодир.

    1 x разъем «PROFINET P1», 4-конт. гнездо M12, D-кодир.

    1 x разъем «PROFINET P2», 4-конт. гнездо M12, D-кодир.

    1 x Гнездо Micro-USB, тип B

    Рабочее напряжение10 V DC ... 30 V DC
    Потребляемая мощность5 W
    КорпусАлюминиевое литье
    Цвет корпусаСветло-голубой (RAL 5012)
    Лицевая панельСтекло
    Тип защитыIP65 (DIN 40 050)
    Класс защитыIII (VDE 0106/IEC 1010-1)
    Вес310,5 g
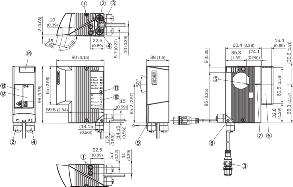
    Размеры (Д x Ш x В)80 mm x 96 mm x 38 mm
  • Данные окружающей среды
    Электромагнитная совместимость (ЭМС)EN 61000-6-4 (2007-01) + A1 (2011) / EN 61000-6-2:2005-08
    ВиброустойчивостьEN 60068-2-6:2008-02
    УдаропрочностьEN 60068-2-27:2009-05
    Диапазон рабочих температур0 °C ... +40 °C
    Температура хранения–20 °C ... +70 °C
    Допустимая относительная влажность воздуха90 %, без образования конденсата
    Нечувствительность ко внешним источникам света2.000 lx, на штрихкоде
    Контраст печати штрихкода (PCS)≥ 60 %
  • Классификации
    ECl@ss 5.027280102
    ECl@ss 5.1.427280102
    ECl@ss 6.027280102
    ECl@ss 6.227280102
    ECl@ss 7.027280102
    ECl@ss 8.027280102
    ECl@ss 8.127280102
    ECl@ss 9.027280102
    ETIM 5.0EC002550
    ETIM 6.0EC002550
    UNSPSC 16.090143211701
Показать всё Скрыть всё

Технические чертежи

Габаритный чертеж Диаграмма поля считывания Вид: Галерея Список Показать всё Скрыть всё
Показать всё Скрыть всё