0
ETI    SIEMENS    ABB    WIKA    IFM    ELKO EP    HYUNDAI    VEGA    KSR KUEBLER    Johnson Controls    Siemens IA/DT (CA01)    Bosch Rexroth    Alfa Laval    SICK    Others  

CKS36-AFB80008

Код: 1074608
Связатся с нами: 067 285 7770

В корзину

Показать всё Скрыть всё

  • Производительность
    Количество абсолютно регистрируемых оборотов1
    Количество штрихов на один оборот2.048
    Измерительный шаг90° /количество штрихов
    Коммутационные сигналы8 Пары полюсов (согласно EIA 422)
    Ширина начального импульса90°
    Базовый сигнал, количество1
    Базовый сигнал, положениеС возможностью программирования 90° или 180°, электрические, логические соединения с A и B
    Допуски± 0,09°
    Отклонение измерительных шагов± 0,035°
    Рабочая частота вращения≤ 12.000 min⁻¹, Рабочая частота вращения, до достижения которой выходные сигналы являются надежными
  • Интерфейсы
    Интерфейс связиTTL/RS422
  • Электрические данные
    Диапазон напряжения питания4,5 V DC ... 5,5 V DC
    Рабочий ток< 60 mA 1)
    Максимальная частота выходного сигнала≤ 400 kHz
    • 1) Без нагрузки.
  • Механические данные
    Исполнение валаКонический вал
    Тип фланца / статорная муфтаОпора на пружинную пластину
    РазмерыСм. размерный чертеж
    Вес0,065 kg
    Момент инерции ротора4,5 gcm²
    Рабочая частота вращения120.000 min⁻¹ 1)
    Угловое ускорение≤ 500.000 rad/s²
    Рабочий крутящий момент0,2 Ncm
    Пусковой момент0,3 Ncm
    Допустимое перемещение вала радиальное, статическое/динамическое± 0,1 mm / ± 0,05 mm
    Допустимое перемещение вала осевое, статическое/динамическое± 0,2 mm / ± 0,1 mm
    Срок службы шарикоподшипников3,6 x 10^9 оборотов
    Тип подключенияРазъем, 14-конт., осевая
    • 1) При расчете диапазона рабочей температуры учитывайте собственный нагрев 1,1 K на 1 000 об/мин.
  • Данные окружающей среды
    Диапазон рабочей температуры–20 °C ... +110 °C
    Диапазон температуры хранения–40 °C ... +125 °C, без упаковки
    Относительная влажность воздуха/образование конденсата90 %, Образование конденсата не допускается
    Ударопрочность100 g, 6 ms (согласно EN 60068-2-27)
    Диапазон частоты вибростойкости50 g, 10 Hz ... 2.000 Hz (согласно EN 60068-2-6)
    ЭМСПо EN 61000-6-2 и EN 61000-6-3 1)
    Тип защитыIP50, при вставленном ответном штекере и закрытой крышке (согласно IEC 60529)
    • 1) Электромагнитная совместимость в соответствии с приведенными стандартами обеспечивается, если система обратной связи двигателя установлена в электропроводящем корпусе, который соединен экранированным кабелем с центральной точкой заземления регулятора двигателя. Соединение GND-(0 В) напряжения питания там также связано с землей. При применении другой концепции экранирования пользователь должен провести собственное тестирование.
  • Классификации
    ECl@ss 5.027270501
    ECl@ss 5.1.427270501
    ECl@ss 6.027270590
    ECl@ss 6.227270590
    ECl@ss 7.027270501
    ECl@ss 8.027270501
    ECl@ss 8.127270501
    ECl@ss 9.027270501
    ETIM 5.0EC001486
    ETIM 6.0EC001486
    UNSPSC 16.090141112113
Показать всё Скрыть всё

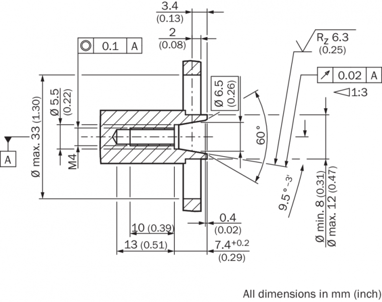
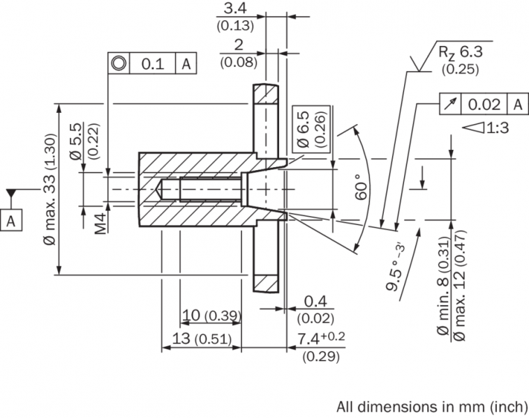
Технические чертежи

Габаритный чертеж Общие допуски по DIN ISO 2768-mk Рекомендации по установке Общие допуски по DIN ISO 2768-mk Схема контактов Диаграммы Диаграммы При постоянном числе оборотов, со стороны входного вала, вращение по часовой стрелке Рекомендации по установке Общие допуски по DIN ISO 2768-mk Вид: Галерея Список Показать всё Скрыть всё
Показать всё Скрыть всё