(044) 466 87 70, (067) 386 78 58, (094) 954 25 46
info@avigan.com.ua
English
About us
Вход
Регистрация
Корзина
ב"ה
0
Menu
Главная
О КОМПАНИИ
Обзоры Применений
КАТАЛОГ
ETI
SIEMENS
ABB
WIKA
IFM
ELKO EP
HYUNDAI
VEGA
KSR KUEBLER
Johnson Controls
Siemens IA/DT (CA01)
Bosch Rexroth
Alfa Laval
SICK
Others
КОНТАКТЫ
НОВОСТИ
ОТЗЫВЫ
Семейство CFP Cubic
Главная
»
SICK
»
Жидкостные датчики
»
Датчики уровня заполнения
»
Семейство CFP Cubic
ETI
SIEMENS
ABB
WIKA
IFM
ELKO EP
HYUNDAI
VEGA
KSR KUEBLER
Johnson Controls
Siemens IA/DT (CA01)
Bosch Rexroth
Alfa Laval
SICK
Others
CFP0800-XPANNAX
Код: 1083211
Связатся с нами: 067 285 7770
Поделиться
Facebook
Twitter
Google Plus
В корзину
Описание
Показать всё
Скрыть всё
Характеристики
Среда
Жидкости на водной и масляной основе
Способ измерения
Предельное значение, непрерывно
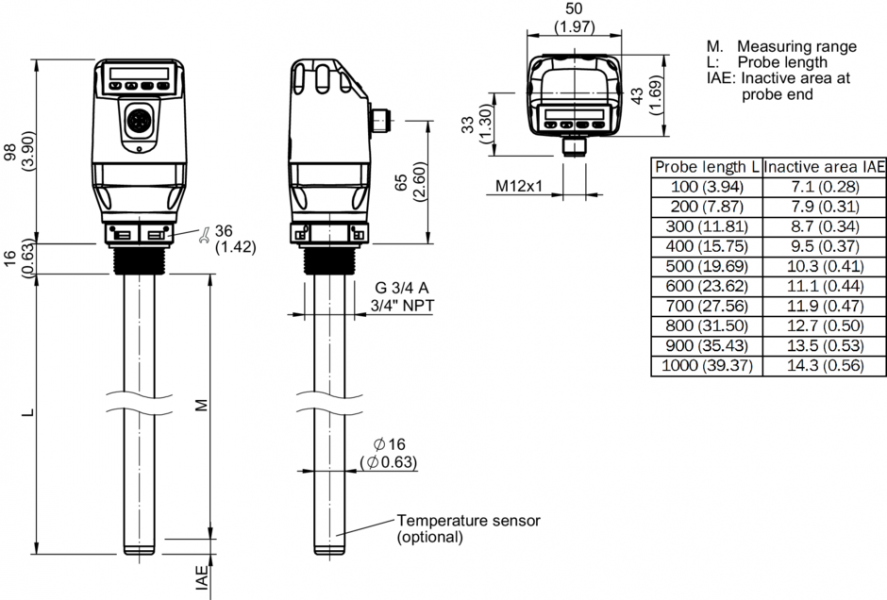
Длина зонда
800 mm
Рабочее давление
–0,5 bar ... 3 bar
Рабочая температура
–20 °C ... +80 °C
Сертификат UL
✔
Сертификат RoHS
✔
IO-Link
✔
Производительность
Точность измерительного элемента
± 15 mm (При эталонных условиях с водой или маслом)
Воспроизводимость
< 5 mm
Разрешение
< 2 mm
Оценка
< 300 ms
Диэлектрическая постоянная
≥ 2
Электропроводимость
Без ограничений
Неактивная область на конце зонда
7 mm ... 15 mm, в зависимости от длины зонда
Электрика
Напряжение питания
10 V DC ... 30 V DC 1)
Потребление тока
≤ 100 mA при 24 ВDC без выходной нагрузки
Время инициализации
≤ 4 s
Класс защиты
III
Тип подключения
Круглый штекерный соединитель M12 x 1, 5-контактный
Выходной сигнал
2 переключаемых транзисторных выхода PNP/NPN/Push-Pull2 x PNP/NPN/Push-Pull
Выходная нагрузка
4–20 мА < 500 Ом при Uv > 15 В, 4–20 мА < 350 Ом при Uv > 12 В, 0–10 В > 750 Ом при Uv 14 ≥ В
Гистерезис
Мин. 3 мм, мин. 2 °C, свободная настройка
Сигнальное напряжение HIGH
Uv –3 V
Сигнальное напряжение LOW
< 3 V
Выходной ток
< 100 mA
Индуктивная нагрузка
< 1 H
Емкостная нагрузка
100 nF
Тип защиты
IP65 / IP67
Температурный дрейф
< 0,1 mm/K
Нижний уровень сигнала
3,8 mA ... 4 mA
Верхний уровень сигнала
20 mA ... 20,5 mA
Разрешение аналогового выхода
12 bit
1) Все соединения защищены от обратной полярности. Все выходы защищены от перенапряжения и короткого замыкания.
Механика
Материалы, соприкасающиеся со средой
Внешняя труба: полипропилен (PP-H), G ¾" и ¾" NPT: PBT, Держатель Easy-Clamp: PP
Технические подключения
G ¾ A
Материал корпуса
PBT / PC
Макс. нагрузка на зонд
≤ 4 Nm
Диаметр зонда
16 mm
Данные окружающей среды
Диапазон температур при работе
–20 °C ... +60 °C
Диапазон температур при хранении
–40 °C ... +80 °C
Классификации
ECl@ss 5.0
27371813
ECl@ss 5.1.4
27371813
ECl@ss 6.0
27371813
ECl@ss 6.2
27371813
ECl@ss 7.0
27371813
ECl@ss 8.0
27371813
ECl@ss 8.1
27371813
ECl@ss 9.0
27371813
ETIM 5.0
EC001447
ETIM 6.0
EC001447
UNSPSC 16.0901
41113710
Показать всё
Скрыть всё
Технические чертежи
Габаритный чертеж
Тип подключения
Вид:
Галерея
Список
Показать всё
Скрыть всё
Показать всё
Скрыть всё