0
ETI    SIEMENS    ABB    WIKA    IFM    ELKO EP    HYUNDAI    VEGA    KSR KUEBLER    Johnson Controls    Siemens IA/DT (CA01)    Bosch Rexroth    Alfa Laval    SICK    Others  

CFP0100-XPANNAX

Код: 1083197
Связатся с нами: 067 285 7770

В корзину

Показать всё Скрыть всё

  • Характеристики
    СредаЖидкости на водной и масляной основе
    Способ измеренияПредельное значение, непрерывно
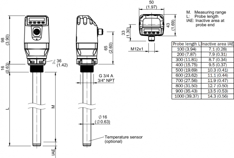
    Длина зонда100 mm
    Рабочее давление–0,5 bar ... 3 bar
    Рабочая температура–20 °C ... +80 °C
    Сертификат UL
    Сертификат RoHS
    IO-Link
  • Производительность
    Точность измерительного элемента± 15 mm (При эталонных условиях с водой или маслом)
    Воспроизводимость< 5 mm
    Разрешение< 2 mm
    Оценка< 300 ms
    Диэлектрическая постоянная≥ 2
    ЭлектропроводимостьБез ограничений
    Неактивная область на конце зонда7 mm ... 15 mm, в зависимости от длины зонда
  • Электрика
    Напряжение питания10 V DC ... 30 V DC 1)
    Потребление тока≤ 100 mA при 24 ВDC без выходной нагрузки
    Время инициализации≤ 4 s
    Класс защитыIII
    Тип подключенияКруглый штекерный соединитель M12 x 1, 5-контактный
    Выходной сигнал2 переключаемых транзисторных выхода PNP/NPN/Push-Pull2 x PNP/NPN/Push-Pull
    Выходная нагрузка4–20 мА < 500 Ом при Uv > 15 В, 4–20 мА < 350 Ом при Uv > 12 В, 0–10 В > 750 Ом при Uv 14 ≥ В
    ГистерезисМин. 3 мм, мин. 2 °C, свободная настройка
    Сигнальное напряжение HIGHUv –3 V
    Сигнальное напряжение LOW< 3 V
    Выходной ток< 100 mA
    Индуктивная нагрузка< 1 H
    Емкостная нагрузка100 nF
    Тип защитыIP65 / IP67
    Температурный дрейф< 0,1 mm/K
    Нижний уровень сигнала3,8 mA ... 4 mA
    Верхний уровень сигнала20 mA ... 20,5 mA
    Разрешение аналогового выхода12 bit
    • 1) Все соединения защищены от обратной полярности. Все выходы защищены от перенапряжения и короткого замыкания.
  • Механика
    Материалы, соприкасающиеся со средойВнешняя труба: полипропилен (PP-H), G ¾" и ¾" NPT: PBT, Держатель Easy-Clamp: PP
    Технические подключенияG ¾ A
    Материал корпусаPBT / PC
    Макс. нагрузка на зонд≤ 4 Nm
    Диаметр зонда16 mm
  • Данные окружающей среды
    Диапазон температур при работе–20 °C ... +60 °C
    Диапазон температур при хранении–40 °C ... +80 °C
  • Классификации
    ECl@ss 5.027371813
    ECl@ss 5.1.427371813
    ECl@ss 6.027371813
    ECl@ss 6.227371813
    ECl@ss 7.027371813
    ECl@ss 8.027371813
    ECl@ss 8.127371813
    ECl@ss 9.027371813
    ETIM 5.0EC001447
    ETIM 6.0EC001447
    UNSPSC 16.090141113710
Показать всё Скрыть всё

Технические чертежи

Габаритный чертеж Тип подключения Вид: Галерея Список Показать всё Скрыть всё
Показать всё Скрыть всё