0
ETI    SIEMENS    ABB    WIKA    IFM    ELKO EP    HYUNDAI    VEGA    KSR KUEBLER    Johnson Controls    Siemens IA/DT (CA01)    Bosch Rexroth    Alfa Laval    SICK    Others  

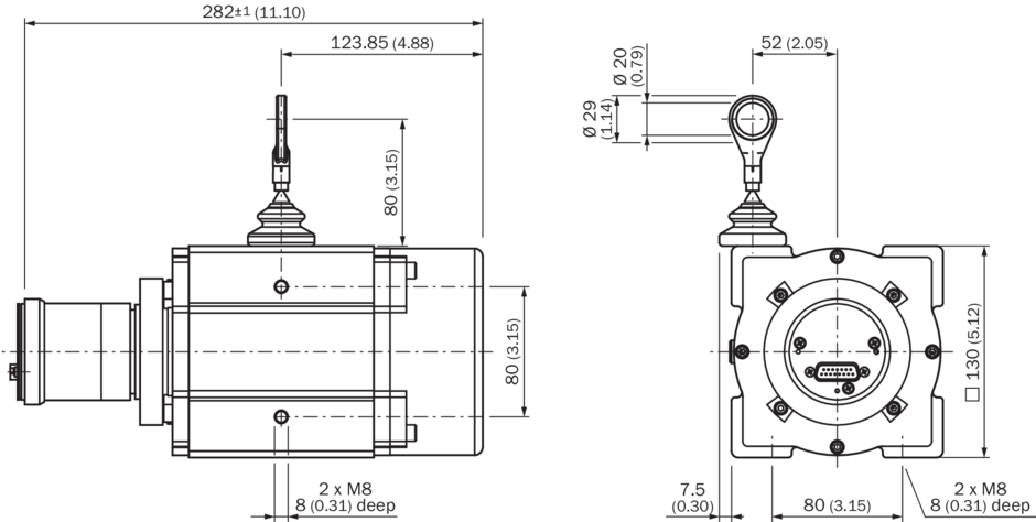
BTF13-P1HM1025

Код: 1034307
Связатся с нами: 067 285 7770

В корзину

Показать всё Скрыть всё

  • Производительность
    Длина измерения0 m ... 10 m
    Воспроизводимость≤ 1 mm 1)
    Линейность≤ ± 6 mm 2)
    Гистерезис≤ 4 mm 1)
    Разрешение (трос + энкодер)0,04 mm 3) 4)
    • 1) Значение относится к тросовому механизму.
    • 2) Значение действительно при учете точных данных по длине измерительного троса на один оборот (находится на этикетке тросового механизма).
    • 3) Отображаемые значения являются округленными.
    • 4) Пример расчета для BTF08 с PROFINET: 200 мм (длина вытянутого троса на один оборот, см. информацию о механических параметрах) : 262 144 (количество шагов на один оборот) = 0,001 мм (разрешение комбинации троса и энкодера).
  • Интерфейсы
    ЭнкодерыАбсолютные энкодеры
    Электрический интерфейсPROFIBUS
    Тип подключенияАдаптер шины с резьбовым креплением кабелей или круглыми штекерными соединителями, радиальная 1)
    Адресная настройка0 ... 127, DIP-переключатель
    ПротоколPROFIBUS DP V0 (A3M60), Профиль для энкодера (07hex) — класс 2 (ATM60 PROFIBUS)
    Заглушка шиныЧерез DIP-переключатель
    Set (электронная настройка)Через кнопку PRESET или протокол
    Профиль энкодераПрофиль энкодера версия 1.1 класс 1 и класс 2 (A3M60), Профиль для энкодера (07hex) — класс 2 (ATM60 PROFIBUS)
    • 1) Адаптер подключения заказывается отдельно.
  • Электрические данные
    Время инициализацииA3M60, ATM60 PROFIBUS 1) 1)
    Напряжение питания10 V ... 32 V
    Потребляемая мощность

    1,5 W, A3M60

    2 W, ATM60 PROFIBUS

    MTTFd: время до опасного выхода из строя

    60 лет (A3M60) 2) 3)

    150 лет (ATM60 PROFIBUS) 2) 3)

    • 1) После истечения этого времени можно считывать действительные положения.
    • 2) Данный продукт является стандартным изделием, а не предохранительным устройством, в соответствии с директивой по машиностроению. Расчет на основе номинальной нагрузки компонентов, средней температуры окружающей среды 40 °C, частота применения 8760 ч./год. Все выходы из строя электрических систем рассматриваются как опасные выходы из строя. Более подробная информация приведена в документе № 8015532.
    • 3) Значение относится только к встроенному энкодеру.
  • Механические данные
    Вес (включая энкодер)

    3,78 kg (A3M60)

    4,09 kg (ATM60 PROFIBUS)

    Вес (механика)3,5 kg
    Материал, измерительный тросСтальной гибкий многопроволочный провод, нержавеющая сталь 1.4401 V4А
    Вес (измерительный трос)7,1 g/m
    Материал, корпус тросового механизмаАлюминий (анодированный), пластик
    Длина вытянутого троса на один оборот334,1 mm 1)
    Усилие возвратной пружины10 N ... 20 N 2)
    Срок службы тросового механизмаTyp. 1 Млн циклов 3) 4)
    Фактическая длина вытянутого троса10,2 m
    Диаметр измерительного троса1,35 mm
    Ускорение троса40 m/s²
    Скорость регулирующего воздействия8 m/s
    Установленный энкодерATM60 SSI
    Количество шагов на один оборот8.192
    Артикул энкодера1030014
    Установленный механизмMRA-F130-110D2
    Артикул механизма6028627
    • 1) Отображаемые значения являются средними значениями. Точное указание длины приведено на этикетке тросового механизма.
    • 2) Эти значения измеряются при температуре окружающей среды 25 °C. При других значениях температуры могут иметь место отклонения.
    • 3) Один цикл состоит из размотки и намотки троса.
    • 4) Срок службы зависит от типа нагрузки. Влияющие факторы: условия окружающей среды, условия установки, используемый диапазон измерений, скорость перемещения, а также ускорение.
  • Данные окружающей среды
    ЭМСПо EN 61000-6-2 и EN 61000-6-3
    Класс защиты корпуса энкодераIP67
    Класс защиты механизмаIP64
    Ударопрочность100 g, 6 ms (согласно EN 60068-2-27)
    Диапазон частоты вибростойкости30 g, 10 Hz ... 2.000 Hz (согласно EN 60068-2-6)
    Диапазон рабочих температур (энкодер)

    –10 °C ... +70 °C, A3M60

    –20 °C ... +70 °C, ATM60 PROFIBUS

    Диапазон рабочих температур (механизм)–30 °C ... +70 °C
    Диапазон рабочих температур (комбинация)Определяется через самое высокое минимальное и самое низкое максимальное значение диапазона рабочих температур энкодера и механизма
    Относительная влажность воздуха/образование конденсата

    95 % (A3M60, образование конденсата на оптических сканирующих элементах не допускается)

    98 % (ATM60 PROFIBUS, образование конденсата на оптических сканирующих элементах не допускается)

  • Классификации
    ECl@ss 5.027270590
    ECl@ss 5.1.427270590
    ECl@ss 6.027270590
    ECl@ss 6.227270590
    ECl@ss 7.027270590
    ECl@ss 8.027270590
    ECl@ss 8.127270590
    ECl@ss 9.027270590
    ETIM 5.0EC001486
    ETIM 6.0EC001486
    UNSPSC 16.090141112113
Показать всё Скрыть всё

Технические чертежи

Габаритный чертеж Вид: Галерея Список Показать всё Скрыть всё
Показать всё Скрыть всё