0
ETI    SIEMENS    ABB    WIKA    IFM    ELKO EP    HYUNDAI    VEGA    KSR KUEBLER    Johnson Controls    Siemens IA/DT (CA01)    Bosch Rexroth    Alfa Laval    SICK    Others  

BCG13-C1HM0521

Код: 1061034
Связатся с нами: 067 285 7770

В корзину

Показать всё Скрыть всё

  • Производительность
    Длина измерения0 m ... 5 m
    Воспроизводимость≤ 0,2 mm 1)
    Линейность≤ ± 2 mm 1)
    Гистерезис≤ 0,4 mm 1)
    Разрешение (трос + энкодер)0,05 mm 2) 3)
    • 1) Значение относится к тросовому механизму.
    • 2) Отображаемые значения являются округленными.
    • 3) Пример расчета для BCG08 с PROFINET: 230 мм (длина вытянутого троса на один оборот, см. информацию о механических параметрах) : 262 144 (количество шагов на один оборот) = 0,001 мм (разрешение комбинации троса и энкодера).
  • Интерфейсы
    ЭнкодерыАбсолютные энкодеры
    Электрический интерфейсCANopen
    Тип подключенияАдаптер шины с резьбовым креплением кабелей или круглыми штекерными соединителями 1)
    Адресная настройка0 ... 63
    ПротоколПрофиль связи DS 301 V4.0
    Заглушка шиныЧерез DIP-переключатель
    Set (электронная настройка)Через кнопку PRESET или протокол
    Профиль энкодераПрофиль устройства DSP 406 V 2.0
    • 1) Адаптер подключения заказывается отдельно.
  • Электрические данные
    Время инициализации 1)
    Напряжение питания10 V ... 32 V
    Потребляемая мощность2 W
    MTTFd: время до опасного выхода из строя150 лет 2) 3)
    • 1) После истечения этого времени можно считывать действительные положения.
    • 2) Данный продукт является стандартным изделием, а не предохранительным устройством, в соответствии с директивой по машиностроению. Расчет на основе номинальной нагрузки компонентов, средней температуры окружающей среды 40 °C, частота применения 8760 ч./год. Все выходы из строя электрических систем рассматриваются как опасные выходы из строя. Более подробная информация приведена в документе № 8015532.
    • 3) Значение относится только к встроенному энкодеру.
  • Механические данные
    Вес (включая энкодер)1,39 kg
    Вес (механика)800 g
    Материал, измерительный тросСтальной гибкий многопроволочный провод, нержавеющая сталь 1.4401 V4А
    Вес (измерительный трос)1,2 g/m
    Материал, корпус тросового механизмаПластик, Noryl
    Длина вытянутого троса на один оборот385 mm
    Усилие возвратной пружиныОк. 4,5 N ... ок. 7 N 1)
    Срок службы тросового механизмаTyp. 1 Млн циклов 2) 3)
    Фактическая длина вытянутого троса5,2 m
    Диаметр измерительного троса0,55 mm
    Ускорение троса4 m/s²
    Скорость регулирующего воздействия4 m/s
    Установленный энкодерATM60 CANopen
    Количество шагов на один оборот8.192
    Артикул энкодера1030025
    Установленный механизмMRA-G130-105D3
    Артикул механизма5322779
    • 1) Эти значения измеряются при температуре окружающей среды 25 °C. При других значениях температуры могут иметь место отклонения.
    • 2) Один цикл состоит из размотки и намотки троса.
    • 3) Срок службы зависит от типа нагрузки. Влияющие факторы: условия окружающей среды, условия установки, используемый диапазон измерений, скорость перемещения, а также ускорение.
  • Данные окружающей среды
    ЭМСПо EN 61000-6-2 и EN 61000-6-3
    Класс защиты корпуса энкодераIP67
    Класс защиты механизмаIP50
    Ударопрочность100 g, 6 ms (согласно EN 60068-2-27)
    Диапазон частоты вибростойкости20 g, 10 Hz ... 2.000 Hz (согласно EN 60068-2-6)
    Диапазон рабочих температур (энкодер)–20 °C ... +70 °C
    Диапазон рабочих температур (механизм)–30 °C ... +70 °C
    Диапазон рабочих температур (комбинация)Определяется через самое высокое минимальное и самое низкое максимальное значение диапазона рабочих температур энкодера и механизма
    Относительная влажность воздуха/образование конденсата98 % (Образование конденсата на оптических сканирующих элементах не допускается)
  • Классификации
    ECl@ss 5.027270590
    ECl@ss 5.1.427270590
    ECl@ss 6.027270590
    ECl@ss 6.227270590
    ECl@ss 7.027270590
    ECl@ss 8.027270590
    ECl@ss 8.127270590
    ECl@ss 9.027270590
    ETIM 5.0EC001486
    ETIM 6.0EC001486
    UNSPSC 16.090141112113
Показать всё Скрыть всё

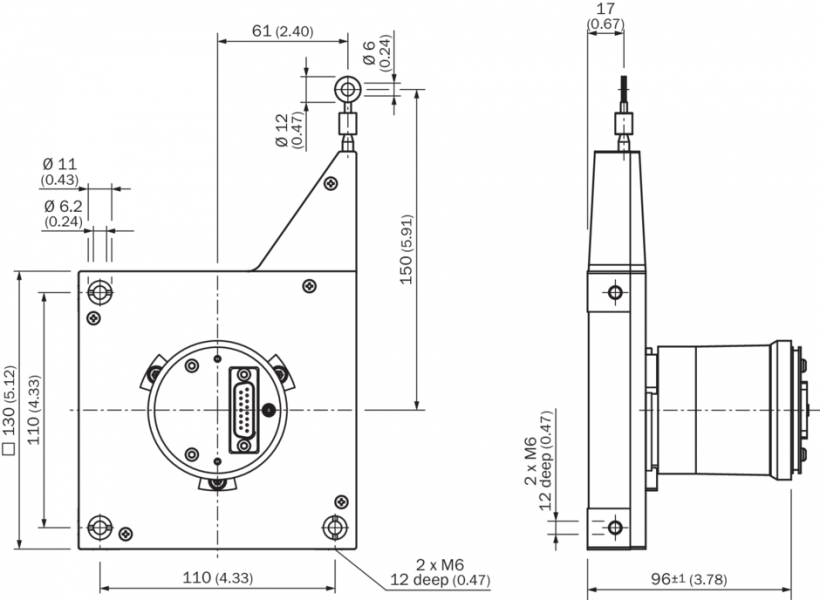
Технические чертежи

Габаритный чертеж Схема контактов Вид: Галерея Список Показать всё Скрыть всё
Показать всё Скрыть всё