0
ETI    SIEMENS    ABB    WIKA    IFM    ELKO EP    HYUNDAI    VEGA    KSR KUEBLER    Johnson Controls    Siemens IA/DT (CA01)    Bosch Rexroth    Alfa Laval    SICK    Others  

BCG13-A1CM0521

Код: 1061032
Связатся с нами: 067 285 7770

В корзину

Показать всё Скрыть всё

  • Производительность
    Длина измерения0 m ... 5 m
    Воспроизводимость≤ 0,2 mm 1)
    Линейность≤ ± 2 mm 1)
    Гистерезис≤ 0,4 mm 1)
    Разрешение (трос + энкодер)0,05 mm 2) 3)
    • 1) Значение относится к тросовому механизму.
    • 2) Отображаемые значения являются округленными.
    • 3) Пример расчета для BCG08 с PROFINET: 230 мм (длина вытянутого троса на один оборот, см. информацию о механических параметрах) : 262 144 (количество шагов на один оборот) = 0,001 мм (разрешение комбинации троса и энкодера).
  • Интерфейсы
    ЭнкодерыАбсолютные энкодеры
    Электрический интерфейсSSI
    Тип подключенияРазъем М12, 8-конт., радиальная
    Тактовая частота

    1 MHz

    2 MHz

    Set (электронная настройка)Через SET-кабель
    Тип кодирования для абсолютного значенияGray
  • Электрические данные
    Время инициализации 1)
    Напряжение питания4,5 V ... 32 V
    Потребляемая мощность0,7 W
    MTTFd: время до опасного выхода из строя250 лет 2) 3)
    • 1) После истечения этого времени можно считывать действительные положения.
    • 2) Данный продукт является стандартным изделием, а не предохранительным устройством, в соответствии с директивой по машиностроению. Расчет на основе номинальной нагрузки компонентов, средней температуры окружающей среды 40 °C, частота применения 8760 ч./год. Все выходы из строя электрических систем рассматриваются как опасные выходы из строя. Более подробная информация приведена в документе № 8015532.
    • 3) Значение относится только к встроенному энкодеру.
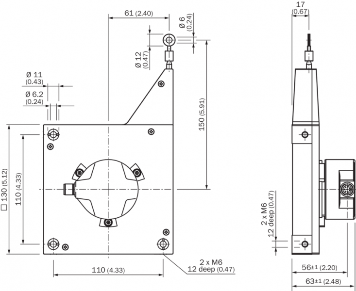
  • Механические данные
    Вес (включая энкодер)1,06 kg
    Вес (механика)800 g
    Материал, измерительный тросСтальной гибкий многопроволочный провод, нержавеющая сталь 1.4401 V4А
    Вес (измерительный трос)1,2 g/m
    Материал, корпус тросового механизмаПластик, Noryl
    Длина вытянутого троса на один оборот385 mm
    Усилие возвратной пружиныОк. 4,5 N ... ок. 7 N 1)
    Срок службы тросового механизмаTyp. 1 Млн циклов 2) 3)
    Фактическая длина вытянутого троса5,2 m
    Диаметр измерительного троса0,55 mm
    Ускорение троса4 m/s²
    Скорость регулирующего воздействия4 m/s
    Установленный энкодерAFM60 SSI
    Количество шагов на один оборот8.192
    Артикул энкодера1037863
    Установленный механизмMRA-G130-105D3
    Артикул механизма5322779
    • 1) Эти значения измеряются при температуре окружающей среды 25 °C. При других значениях температуры могут иметь место отклонения.
    • 2) Один цикл состоит из размотки и намотки троса.
    • 3) Срок службы зависит от типа нагрузки. Влияющие факторы: условия окружающей среды, условия установки, используемый диапазон измерений, скорость перемещения, а также ускорение.
  • Данные окружающей среды
    ЭМСПо EN 61000-6-2 и EN 61000-6-3
    Класс защиты корпуса энкодераIP67
    Класс защиты механизмаIP50
    Ударопрочность70 g, 6 ms (согласно EN 60068-2-27)
    Диапазон частоты вибростойкости30 g, 10 Hz ... 2.000 Hz (согласно EN 60068-2-6)
    Диапазон рабочих температур (энкодер)

    0 °C ... +70 °C, с AFM60E

    –30 °C ... +70 °C, с AFM60B

    Диапазон рабочих температур (механизм)–30 °C ... +70 °C
    Диапазон рабочих температур (комбинация)Определяется через самое высокое минимальное и самое низкое максимальное значение диапазона рабочих температур энкодера и механизма
    Относительная влажность воздуха/образование конденсата90 % (Образование конденсата на оптических сканирующих элементах не допускается)
  • Классификации
    ECl@ss 5.027270590
    ECl@ss 5.1.427270590
    ECl@ss 6.027270590
    ECl@ss 6.227270590
    ECl@ss 7.027270590
    ECl@ss 8.027270590
    ECl@ss 8.127270590
    ECl@ss 9.027270590
    ETIM 5.0EC001486
    ETIM 6.0EC001486
    UNSPSC 16.090141112113
Показать всё Скрыть всё

Технические чертежи

Габаритный чертеж Схема контактов Вид приборного штекера M12 на энкодере Схема контактов Анализ частоты вращения Анализ частоты вращения Вид: Галерея Список Показать всё Скрыть всё
Показать всё Скрыть всё