0
ETI    SIEMENS    ABB    WIKA    IFM    ELKO EP    HYUNDAI    VEGA    KSR KUEBLER    Johnson Controls    Siemens IA/DT (CA01)    Bosch Rexroth    Alfa Laval    SICK    Others  

BCG08-A1AM0318

Код: 1061025
Связатся с нами: 067 285 7770

В корзину

Показать всё Скрыть всё

  • Производительность
    Длина измерения0 m ... 3 m
    Воспроизводимость≤ 0,2 mm 1)
    Линейность≤ ± 2 mm 1)
    Гистерезис≤ 0,4 mm 1)
    Разрешение (трос + энкодер)0,06 mm 2) 3)
    • 1) Значение относится к тросовому механизму.
    • 2) Отображаемые значения являются округленными.
    • 3) Пример расчета для BCG08 с PROFINET: 230 мм (длина вытянутого троса на один оборот, см. информацию о механических параметрах) : 262 144 (количество шагов на один оборот) = 0,001 мм (разрешение комбинации троса и энкодера).
  • Интерфейсы
    ЭнкодерыАбсолютные энкодеры
    Электрический интерфейсSSI
    Тип подключенияРазъем М23, 12-конт., радиальная
    Тактовая частота

    1 MHz

    2 MHz

    Set (электронная настройка)Через SET-кабель
    Тип кодирования для абсолютного значенияGray
  • Электрические данные
    Время инициализации 1)
    Напряжение питания4,5 V ... 32 V
    Потребляемая мощность0,7 W
    MTTFd: время до опасного выхода из строя250 лет 2) 3)
    • 1) После истечения этого времени можно считывать действительные положения.
    • 2) Данный продукт является стандартным изделием, а не предохранительным устройством, в соответствии с директивой по машиностроению. Расчет на основе номинальной нагрузки компонентов, средней температуры окружающей среды 40 °C, частота применения 8760 ч./год. Все выходы из строя электрических систем рассматриваются как опасные выходы из строя. Более подробная информация приведена в документе № 8015532.
    • 3) Значение относится только к встроенному энкодеру.
  • Механические данные
    Вес (включая энкодер)510 g
    Вес (механика)250 g
    Материал, измерительный тросСтальной гибкий многопроволочный провод, нержавеющая сталь 1.4401 V4А
    Вес (измерительный трос)1,2 g/m
    Материал, корпус тросового механизмаПластик, Noryl
    Длина вытянутого троса на один оборот230 mm
    Усилие возвратной пружиныОк. 5 N ... ок. 6,3 N 1)
    Срок службы тросового механизмаTyp. 1 Млн циклов 2) 3)
    Фактическая длина вытянутого троса3,2 m
    Диаметр измерительного троса0,55 mm
    Ускорение троса10 m/s²
    Скорость регулирующего воздействия4 m/s
    Установленный энкодерAFM60 SSI
    Количество шагов на один оборот4.096
    Артикул энкодера1037438
    Установленный механизмMRA-G080-103D3
    Артикул механизма5322778
    • 1) Эти значения измеряются при температуре окружающей среды 25 °C. При других значениях температуры могут иметь место отклонения.
    • 2) Один цикл состоит из размотки и намотки троса.
    • 3) Срок службы зависит от типа нагрузки. Влияющие факторы: условия окружающей среды, условия установки, используемый диапазон измерений, скорость перемещения, а также ускорение.
  • Данные окружающей среды
    ЭМСПо EN 61000-6-2 и EN 61000-6-3
    Класс защиты корпуса энкодераIP67
    Класс защиты механизмаIP50
    Ударопрочность50 g, 6 ms (согласно EN 60068-2-27)
    Диапазон частоты вибростойкости20 g, 10 Hz ... 2.000 Hz (согласно EN 60068-2-6)
    Диапазон рабочих температур (энкодер)

    0 °C ... +70 °C, с AFM60E

    –20 °C ... +70 °C, с AFM60B

    Диапазон рабочих температур (механизм)–30 °C ... +70 °C
    Диапазон рабочих температур (комбинация)Определяется через самое высокое минимальное и самое низкое максимальное значение диапазона рабочих температур энкодера и механизма
    Относительная влажность воздуха/образование конденсата90 % (Образование конденсата на оптических сканирующих элементах не допускается)
  • Классификации
    ECl@ss 5.027270590
    ECl@ss 5.1.427270590
    ECl@ss 6.027270590
    ECl@ss 6.227270590
    ECl@ss 7.027270590
    ECl@ss 8.027270590
    ECl@ss 8.127270590
    ECl@ss 9.027270590
    ETIM 5.0EC001486
    ETIM 6.0EC001486
    UNSPSC 16.090141112113
Показать всё Скрыть всё

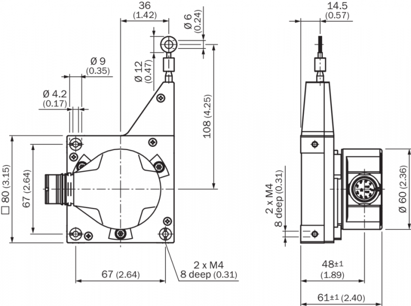
Технические чертежи

Габаритный чертеж Схема контактов Анализ частоты вращения Диаграммы Диаграммы Анализ частоты вращения Вид: Галерея Список Показать всё Скрыть всё
Показать всё Скрыть всё