0
ETI    SIEMENS    ABB    WIKA    IFM    ELKO EP    HYUNDAI    VEGA    KSR KUEBLER    Johnson Controls    Siemens IA/DT (CA01)    Bosch Rexroth    Alfa Laval    SICK    Others  

ATM90-PXG13X11

Код: 1032659
Связатся с нами: 067 285 7770

В корзину

Показать всё Скрыть всё

  • Производительность
    Количество шагов на один оборот8.192
    Количество оборотов2.048
    Макс. разрешение (в однооборотном, многооборотном исполнении)8.192 (13 bit), 2.048 (11 bit)
    Допуски G0,25° 1)
    Повторяющееся стандартное отклонение σr0,1° 2)
    • 1) Согласно DIN ISO 1319-1, верхний и нижний допуск зависят от условий монтажа, указанное значение приводится для симметричного расположения, то есть отклонения в верхнем и нижнем направлении одинаковы.
    • 2) По DIN ISO 55350-13, 68,3 % измеренных величин не выходят за рамки указанного диапазона.
  • Интерфейсы
    Интерфейс связиPROFIBUS DP
    Коммуникационный интерфейс, детальное описаниеDPV0
    Адресная настройка0 ... 127, DIP-переключатель или протокол
    Скорость передачи данных (в бодах)9,6 kBaud, 12 MBaud, автоматическое распознавание
    Информация о состоянииСветодиод, зеленый (работа), Светодиод, красный (активность сети)
    Заглушка шиныDIP-переключатель 1)
    Время инициализации1.250 ms 2)
    Время построения позиции+ 0,25 ms
    SSI
    Set (электронная настройка)Через кнопку PRESET или протокол
    • 1) Подключение только на конечном устройстве.
    • 2) После истечения этого времени можно считывать действительные положения.
  • Электрические данные
    Тип подключенияКабельный ввод 1)
    Диапазон напряжения питания10 V ... 32 V
    MTTFd: время до опасного выхода из строя150 лет (EN ISO 13849-1) 2)
    • 1) Metrisch M16 x 1,5, SW17.
    • 2) Данный продукт является стандартным изделием, а не предохранительным устройством, в соответствии с директивой по машиностроению. Расчет на основе номинальной нагрузки компонентов, средней температуры окружающей среды 40 °C, частота применения 8760 ч./год. Все выходы из строя электрических систем рассматриваются как опасные выходы из строя. Более подробная информация приведена в документе № 8015532.
  • Механические данные
    Механическое исполнениеСквозной полый вал
    Диаметр вала16 mm
    Вес0,8 kg
    Материал, валНержавеющая сталь
    Материал, фланецАлюминий
    Материал, корпусАлюминиевое литье
    Пусковой момент0,5 Ncm
    Рабочий крутящий момент0,4 Ncm
    Момент инерции ротора153 gcm²
    Срок службы подшипника3,6 x 10^9 оборотов
    Угловое ускорение≤ 600.000 rad/s²
    Рабочая частота вращения≤ 3.000 min⁻¹
  • Данные окружающей среды
    ЭМСПо EN 61000-6-2 и EN 61000-6-3
    Тип защитыIP65, с уплотнением вала (согласно IEC 60529)
    Допустимая относительная влажность воздуха98 %
    Диапазон рабочей температуры–20 °C ... +80 °C
    Диапазон температуры при хранении–40 °C ... +125 °C, без упаковки
    Ударопрочность6 g, 20 ms (согласно EN 60068-2-27)
    Вибростойкость20 g, 10 Hz ... 2.000 Hz
  • Классификации
    ECl@ss 5.027270502
    ECl@ss 5.1.427270502
    ECl@ss 6.027270590
    ECl@ss 6.227270590
    ECl@ss 7.027270502
    ECl@ss 8.027270502
    ECl@ss 8.127270502
    ECl@ss 9.027270502
    ETIM 5.0EC001486
    ETIM 6.0EC001486
    UNSPSC 16.090141112113
Показать всё Скрыть всё

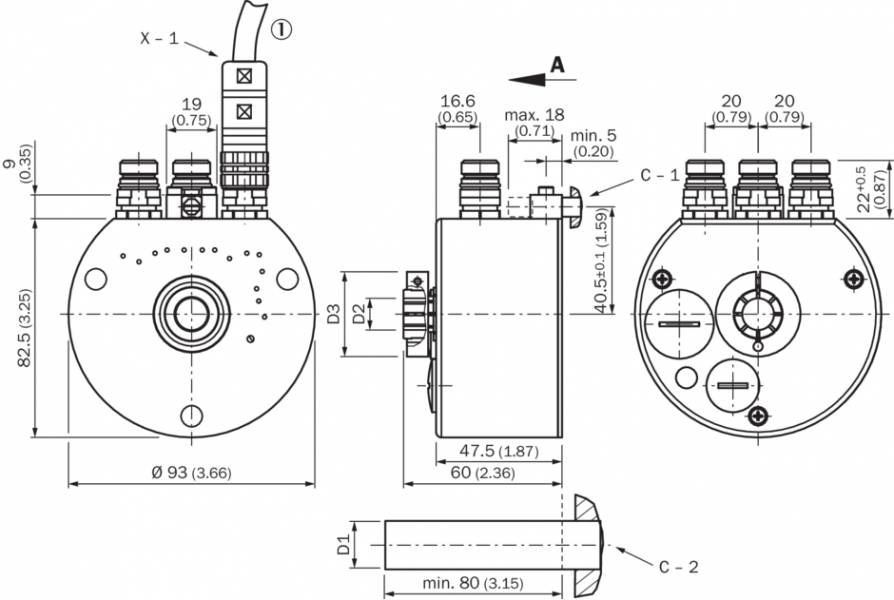
Технические чертежи

Габаритный чертеж Вид: Галерея Список Показать всё Скрыть всё
Показать всё Скрыть всё