0
ETI    SIEMENS    ABB    WIKA    IFM    ELKO EP    HYUNDAI    VEGA    KSR KUEBLER    Johnson Controls    Siemens IA/DT (CA01)    Bosch Rexroth    Alfa Laval    SICK    Others  

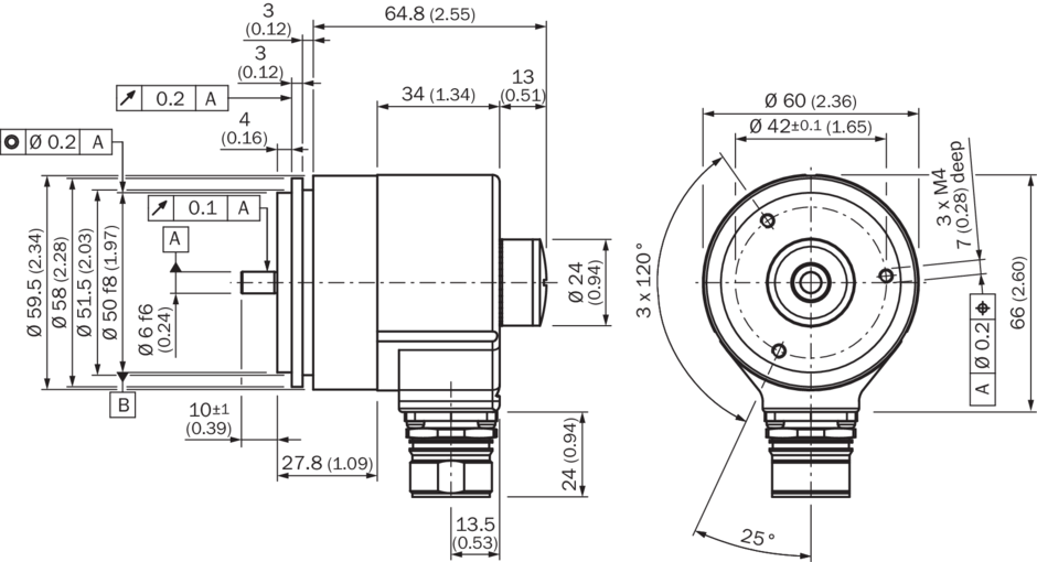
ATM60-A1A0-K19

Код: 1034294
Связатся с нами: 067 285 7770

В корзину

Показать всё Скрыть всё

  • Характеристики
    Специальный продукт
    Стандартный эталонный приборATM60-A1A12X12, 1030005
    Дополнительная информация13 бит х 13 бит максимально допустимое разрешение: 25 бит (12 бит однооборотный х 13 бит многооборотный или 13 бит однооборотный х 12 бит многооборотный). по умолчанию: 6680 x 4096, предварительно установленное положение по умолчанию 1000
  • Производительность
    Количество шагов на один оборот8.192 (макс.)
    Количество оборотов8.192 (макс.)
    Макс. разрешение (в однооборотном, многооборотном исполнении)8.192 (13 bit), 8.192 (13 bit)Максимально допустимое разрешение: 25 бит (12 бит однооборотный х 13 бит многооборотный или 13 бит однооборотный х 12 бит многооборотный).
    Допуски G0,25° 1)
    Повторяющееся стандартное отклонение σr0,1° 2)
    • 1) Согласно DIN ISO 1319-1, верхний и нижний допуск зависят от условий монтажа, указанное значение приводится для симметричного расположения, то есть отклонения в верхнем и нижнем направлении одинаковы.
    • 2) По DIN ISO 55350-13, 68,3 % измеренных величин не выходят за рамки указанного диапазона.
  • Интерфейсы
    Интерфейс связиSSI
    Данные параметрирования

    Количество шагов на один оборот

    Количество оборотов

    Тип кода

    Электронная регулировка

    Время инициализации1.050 ms 1)
    Время построения позиции+ 0,15 ms
    SSI
    Тип кодаGray, двоичный
    Параметрируемая кодовая характеристикаCW/CCW
    Тактовая частота1 MHz 2)
    Set (электронная настройка)H-активный (L = 0 - 4,7 V, H = 10 - Us V)
    V/R (последовательность шагов в направлении вращения)L-активный (L = 0 - 1,5 V, H = 2,0 - Us V)
    • 1) После истечения этого времени можно считывать действительные положения.
    • 2) Минимальный, LOW-уровень (часы+): 500 нс.
  • Электрические данные
    Тип подключенияРазъем, M23, 12-контактный, радиальная
    Диапазон напряжения питания10 V ... 32 V
    MTTFd: время до опасного выхода из строя150 лет (EN ISO 13849-1) 1)
    • 1) Данный продукт является стандартным изделием, а не предохранительным устройством, в соответствии с директивой по машиностроению. Расчет на основе номинальной нагрузки компонентов, средней температуры окружающей среды 40 °C, частота применения 8760 ч./год. Все выходы из строя электрических систем рассматриваются как опасные выходы из строя. Более подробная информация приведена в документе № 8015532.
  • Механические данные
    Механическое исполнениеСплошной вал, Сервофланец
    Диаметр вала6 mm x 10 mm
    Длина вала10 mm
    Вес0,5 kg
    Материал, валНержавеющая сталь
    Материал, фланецАлюминий
    Материал, корпусАлюминиевое литье
    Пусковой момент

    2,5 Ncm, с уплотнением вала

    0,5 Ncm, без уплотнения вала

    Рабочий крутящий момент

    1,8 Ncm, с уплотнением вала

    0,3 Ncm, при снятом заказчиком уплотнении вала

    Допустимая нагрузка на вал

    300 N / радиальная

    50 N / осевая

    Момент инерции ротора35 gcm²
    Срок службы подшипника3,6 x 10^9 оборотов
    Угловое ускорение≤ 500.000 rad/s²
    Рабочая частота вращения≤ 6.000 min⁻¹ 1)
    • 1) При расчете диапазона рабочей температуры учитывайте собственный нагрев 3,3 K на 1 000 об/мин.
  • Данные окружающей среды
    ЭМСПо EN 61000-6-2 и EN 61000-6-3
    Тип защиты

    IP67, с уплотнением вала (согласно IEC 60529) 1)

    IP43, без уплотнения вала, на фланце датчика без уплотнения (согласно IEC 60529) 1)

    IP65, без уплотнения вала, на фланце датчика с уплотнением (согласно IEC 60529) 1)

    Допустимая относительная влажность воздуха98 %
    Диапазон рабочей температуры–20 °C ... +85 °C
    Диапазон температуры при хранении–40 °C ... +100 °C, без упаковки
    Ударопрочность100 g, 6 ms (согласно EN 60068-2-27)
    Вибростойкость20 g, 10 Hz ... 2.000 Hz (согласно EN 60068-2-6)
    • 1) При установленном ответном штекере.
  • Классификации
    ECl@ss 5.027270502
    ECl@ss 5.1.427270502
    ECl@ss 6.027270590
    ECl@ss 6.227270590
    ECl@ss 7.027270502
    ECl@ss 8.027270502
    ECl@ss 8.127270502
    ECl@ss 9.027270502
    ETIM 5.0EC001486
    ETIM 6.0EC001486
    UNSPSC 16.090141112113
Показать всё Скрыть всё

Технические чертежи

Габаритный чертеж Вид приборного штекера M23 на энкодере Вид: Галерея Список Показать всё Скрыть всё
Показать всё Скрыть всё