Показать всё Скрыть всё
- Характеристики
| Область применения | Базовые системы для различных областей применения |
| Количество лазерных измерительных сканеров | 3 |
| Исполнение сканера | LMS111-10100S01 |
- Производительность
| Оценка | 240 ms, |
| Количество полей | 3 поля на LMS 1 тестовое поле на LMS |
- Механика/электроника
| Напряжение питания | (10,8 V DC ... 30 V DC) 1) |
| Вес | 1,1 kg, на LMS, без соединительных кабелей |
- Общие указания
| Комплект поставки | LMS111-10100S01 (3 x) Базовый модуль Flexi-Soft FX3-CPU000000 Системный разъем Flexi-Soft FX3-MPL000001 Модуль ввода/вывода Flexi-Soft FX3-XTIO84002 (2 x) Конфигурационный USB-разъем DSL-8U04G02M025KM1 USB-накопитель с файлами конфигурации Соединительный кабель ввода/вывода (3 x) Кабель электропитания (3 x) Входной кабель RS-232 (3 x) Крепежный комплект 1b (3 x) Крепежный комплект 2 (3 x) Переходной провод Ethernet SSL-2J04-G10ME |
- Классификации
| ECl@ss 5.0 | 27281001 |
| ECl@ss 5.1.4 | 27280190 |
| ECl@ss 6.0 | 27280190 |
| ECl@ss 6.2 | 27280190 |
| ECl@ss 7.0 | 27280190 |
| ECl@ss 8.0 | 27280190 |
| ECl@ss 8.1 | 27280190 |
| ECl@ss 9.0 | 27280190 |
| UNSPSC 16.0901 | 43211701 |
Показать всё Скрыть всё Технические чертежи
Габаритный чертеж
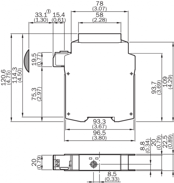
Габаритный чертеж FX3-XTIO, FX3-XTDI
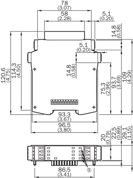
Габаритный чертеж FX3-CPU0
Вид: Галерея Список Показать всё Скрыть всё Показать всё Скрыть всё