0
ETI    SIEMENS    ABB    WIKA    IFM    ELKO EP    HYUNDAI    VEGA    KSR KUEBLER    Johnson Controls    Siemens IA/DT (CA01)    Bosch Rexroth    Alfa Laval    SICK    Others  

AHM36A-S3CC000S04

Код: 1073323
Связатся с нами: 067 285 7770

В корзину

Показать всё Скрыть всё

  • Характеристики
    Специальный продукт
    Стандартный эталонный приборAHM36A-S3CC014x12, 1065999
  • Производительность
    Количество шагов на один оборот16.384 (макс.)
    Количество оборотов4.096 (макс.)
    Макс. разрешение (в однооборотном, многооборотном исполнении)16.384 (14 bit), 4.096 (12 bit)
    Допуски G0,35° (при 20 °C) 1)
    Повторяющееся стандартное отклонение σr0,25° (при 20 °C) 2)
    • 1) Согласно DIN ISO 1319-1, верхний и нижний допуск зависят от условий монтажа, указанное значение приводится для симметричного расположения, то есть отклонения в верхнем и нижнем направлении одинаковы.
    • 2) По DIN ISO 55350-13, 68,3 % измеренных величин не выходят за рамки указанного диапазона.
  • Интерфейсы
    Интерфейс связиCANopen
    Профиль энкодера

    CANopen CiA DS-301 V4.02

    CiA DSP-305 LSS

    Encoder Profile: - CIA DS-406, V3.2. - Class C2

    Адресная настройка0 ... 127, default: 5
    Скорость передачи данных (в бодах)20 kbit/s, 1.000 kbit/s, по умолчанию: 250 кбит/с
    Параметры процессаПозиция, Скорость, Температура
    Данные параметрирования

    Количество шагов на один оборот

    Количество оборотов

    PRESET

    Направление отсчета

    Скорость считывания для расчета скорости

    Единица измерения для выдачи значения скорости

    Функция «круглые оси» (только многооборотная версия)

    Электронные кулачки (2 канала х 8 кулачков)

    Доступные диагностические данныеМинимальная и максимальная температура, максимальная скорость, Счетчик подачи питания, Счетчик рабочих часов подачи питания/работы, Счетчик изменений направления/количество перемещений по часовой стрелке/против часовой стрелки, Минимальное и максимальное рабочее напряжение
    Информация о состоянииСостояние CANopen через светодиод состояния
    Заглушка шиныЧерез внешнее согласующее сопротивление 1)
    Время инициализации2 s 2)
    • 1) См. принадлежности.
    • 2) После истечения этого времени можно считывать действительные положения.
  • Электрические данные
    Тип подключенияРазъем, M12, 5-контактный, универсальный
    Диапазон напряжения питания10 V ... 30 V
    Потребляемая мощностьБез нагрузки
    Защита от инверсии полярности
    MTTFd: время до опасного выхода из строя270 лет (EN ISO 13849-1) 1)
    • 1) Данный продукт является стандартным изделием, а не предохранительным устройством, в соответствии с директивой по машиностроению. Расчет на основе номинальной нагрузки компонентов, средней температуры окружающей среды 40 °C, частота применения 8760 ч./год. Все выходы из строя электрических систем рассматриваются как опасные выходы из строя. Более подробная информация приведена в документе № 8015532.
  • Механические данные
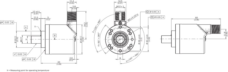
    Механическое исполнениеСплошной вал, Торцевой фланец
    Диаметр вала6 mm x 12 mm
    Длина вала12 mm
    Вес0,12 kg, относится к шифратору с штепсельным разъемом
    Материал, валНержавеющая сталь
    Материал, фланецАлюминий
    Материал, корпусЦинк
    Пусковой момент1 Ncm 1)
    Рабочий крутящий момент< 1 Ncm 1)
    Допустимая нагрузка на вал

    40 N / радиальная

    20 N / осевая

    Момент инерции ротора2,5 gcm²
    Срок службы подшипника3,6 x 10^8 оборотов
    Угловое ускорение≤ 500.000 rad/s²
    • 1) Для энкодеров усовершенствованного типа необходимо регулярно выполнять техническое обслуживание уплотнения вала.
  • Данные окружающей среды
    ЭМСПо EN 61000-6-2 и EN 61000-6-3
    Тип защиты

    IP66 / IP67, со стороны корпуса (согласно IEC 60529) 1)

    IP66 / IP67, со стороны вала (согласно IEC 60529) 2)

    Допустимая относительная влажность воздуха90 % (Образование конденсата не допускается)
    Диапазон рабочей температуры–40 °C ... +85 °C
    Диапазон температуры при хранении–40 °C ... +100 °C, без упаковки
    Ударопрочность100 g, 6 ms (согласно EN 60068-2-27)
    Вибростойкость20 g, 10 Hz ... 2.000 Hz (согласно EN 60068-2-6)
    • 1) При установленном ответном штекере.
    • 2) Для энкодеров усовершенствованного типа необходимо регулярно выполнять техническое обслуживание уплотнения вала.
  • Классификации
    ECl@ss 5.027270502
    ECl@ss 5.1.427270502
    ECl@ss 6.027270590
    ECl@ss 6.227270590
    ECl@ss 7.027270502
    ECl@ss 8.027270502
    ECl@ss 8.127270502
    ECl@ss 9.027270502
    ETIM 5.0EC001486
    ETIM 6.0EC001486
    UNSPSC 16.090141112113
Показать всё Скрыть всё

Технические чертежи

сплошной вал, зажимной фланец, штекерный разъем Схема контактов Штекер M12 (соединительный адаптер) Вид: Галерея Список Показать всё Скрыть всё
Показать всё Скрыть всё