0
ETI    SIEMENS    ABB    WIKA    IFM    ELKO EP    HYUNDAI    VEGA    KSR KUEBLER    Johnson Controls    Siemens IA/DT (CA01)    Bosch Rexroth    Alfa Laval    SICK    Others  

AFS60A-S4IB262144

Код: 1055364
Связатся с нами: 067 285 7770

В корзину

Показать всё Скрыть всё

  • Производительность
    Количество шагов на один оборот262.144 (макс.)
    Количество оборотов1 (макс.)
    Макс. разрешение (в однооборотном, многооборотном исполнении)262.144, 1
    Допуски G0,03° 1)
    Повторяющееся стандартное отклонение σr0,002° 2)
    • 1) Согласно DIN ISO 1319-1, верхний и нижний допуск зависят от условий монтажа, указанное значение приводится для симметричного расположения, то есть отклонения в верхнем и нижнем направлении одинаковы.
    • 2) По DIN ISO 55350-13, 68,3 % измеренных величин не выходят за рамки указанного диапазона.
  • Интерфейсы
    Интерфейс связиEtherNet/IP™
    Профиль энкодера0 x 22
    Скорость передачи данных (в бодах)

    10 Mbit/s

    100 Mbit/s

    Среда передачиКабель CAT 5e
    RPI (requested packet interval)5 ms ... 750 ms
    DLR (Device Level Ring)
    Время инициализацииОк. 12 s
  • Электрические данные
    Тип подключенияРазъем, 3 x M12, 4-контактный, осевая
    Диапазон напряжения питания10 V DC ... 30 V DC
    Защита от инверсии полярности
    MTTFd: время до опасного выхода из строя80 лет (EN ISO 13849-1) 1)
    • 1) Данный продукт является стандартным изделием, а не предохранительным устройством, в соответствии с директивой по машиностроению. Расчет на основе номинальной нагрузки компонентов, средней температуры окружающей среды 40 °C, частота применения 8760 ч./год. Все выходы из строя электрических систем рассматриваются как опасные выходы из строя. Более подробная информация приведена в документе № 8015532.
  • Механические данные
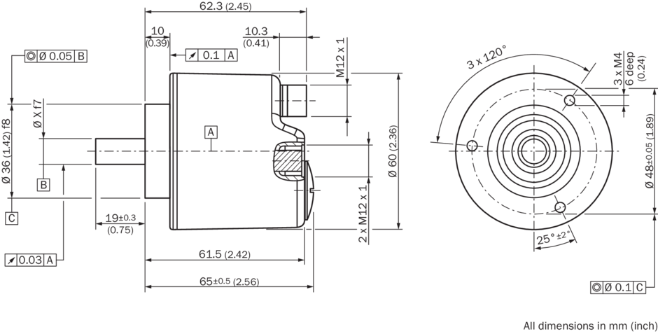
    Механическое исполнениеСплошной вал, Торцевой фланец
    Диаметр вала10 mm x 19 mm
    Длина вала19 mm
    Вес0,2 kg
    Материал, валНержавеющая сталь
    Материал, фланецАлюминий
    Материал, корпусАлюминий
    Пусковой момент0,5 Ncm
    Рабочий крутящий момент0,3 Ncm
    Допустимое перемещение вала осевое, статическое/динамическое± 0,1 mm
    Допустимая нагрузка на вал

    80 N / радиальная

    40 N / осевая

    Момент инерции ротора6,2 gcm²
    Срок службы подшипника3,0 x 10^9 оборотов
    Угловое ускорение≤ 500.000 rad/s²
  • Данные окружающей среды
    ЭМСПо EN 61000-6-2 и EN 61000-6-3 1)
    Тип защиты

    IP65, со стороны вала (согласно IEC 60529)

    IP67, со стороны корпуса (согласно IEC 60529) 2)

    Допустимая относительная влажность воздуха90 % (Образование конденсата на оптических сканирующих элементах не допускается)
    Диапазон рабочей температуры–40 °C ... +85 °C
    Диапазон температуры при хранении–40 °C ... +100 °C, без упаковки
    Ударопрочность100 g, 6 ms (согласно EN 60068-2-27)
    Вибростойкость30 g, 10 Hz ... 2.000 Hz (согласно EN 60068-2-6)
    • 1) Электромагнитная совместимость в соответствии с приведенными стандартами обеспечивается при условии применения экранированных кабелей.
    • 2) При установленном ответном штекере.
  • Классификации
    ECl@ss 5.027270502
    ECl@ss 5.1.427270502
    ECl@ss 6.027270590
    ECl@ss 6.227270590
    ECl@ss 7.027270502
    ECl@ss 8.027270502
    ECl@ss 8.127270502
    ECl@ss 9.027270502
    ETIM 5.0EC001486
    ETIM 6.0EC001486
    UNSPSC 16.090141112113
Показать всё Скрыть всё

Технические чертежи

Габаритный чертеж Габаритный чертеж Сплошной вал Ø 10 мм, зажимной фланец, штекерный разъем Montagehinweis Рекомендации по установке малого сервозажима (артикул 2029166) Схема контактов Вид: Галерея Список Показать всё Скрыть всё
Показать всё Скрыть всё