0
ETI    SIEMENS    ABB    WIKA    IFM    ELKO EP    HYUNDAI    VEGA    KSR KUEBLER    Johnson Controls    Siemens IA/DT (CA01)    Bosch Rexroth    Alfa Laval    SICK    Others  

AFM60I-S4SK262144

Код: 1083985
Связатся с нами: 067 285 7770

В корзину

Показать всё Скрыть всё

  • Производительность
    Количество шагов на один оборот262.144 (Интерфейс SSI) 1)
    Количество оборотов4.096
    Макс. разрешение (в однооборотном, многооборотном исполнении)262.144 (18 bit), 4.096 (12 bit)
    Допуски G± 0,03° 2)
    Повторяющееся стандартное отклонение σr≤ 0,002° 3)
    • 1) См. анализ максимальной частоты вращения.
    • 2) Согласно DIN ISO 1319-1, верхний и нижний допуск зависят от условий монтажа, указанное значение приводится для симметричного расположения, то есть отклонения в верхнем и нижнем направлении одинаковы.
    • 3) По DIN ISO 55350-13, 68,3 % измеренных величин не выходят за рамки указанного диапазона.
  • Интерфейсы
    Интерфейс связиSSI
    Коммуникационный интерфейс, детальное описаниеSin/Cos
    Время инициализации50 ms 1)
    Время построения позиции< 1 µs
    SSI
    Тип кодаGray
    Параметрируемая кодовая характеристикаCW/CCW
    Тактовая частота2 MHz 2)
    Set (электронная настройка)H-активный (L = 0 - 3 V, H = 4,0 - Us V)
    V/R (последовательность шагов в направлении вращения)L-активный (L = 0 - 1,5 V, H = 2,0 - Us V)
    Sin/Cos
    Синусоидальных/косинусоидальных периодов на один оборот1.024
    Частота выходного сигнала≤ 200 Hz
    Нагрузочное сопротивление≥ 120 Ω
    Сигналы интерфейса до вычитания0,5 Vss, ± 20 %, 120 Ω
    Смещение сигнала до вычитания2,5 V ± 10 %
    Сигналы интерфейса после вычитания1 Vss, ± 20 %, 120 Ω
    • 1) После истечения этого времени можно считывать действительные положения.
    • 2) SSI макс. тактовая частота 2 МГц, или мин. LOW-уровень (часы+): 500 нс.
  • Электрические данные
    Тип подключенияКабель, 12 жил, радиальная, 1,5 m
    Диапазон напряжения питания4,5 V DC ... 32 V DC
    Частота выходного сигнала≤ 200 kHz
    Потребляемая мощность≤ 0,5 W (без нагрузки)
    Защита от инверсии полярности
    MTTFd: время до опасного выхода из строя250 лет 1)
    • 1) Данный продукт является стандартным изделием, а не предохранительным устройством, в соответствии с директивой по машиностроению. Расчет на основе номинальной нагрузки компонентов, средней температуры окружающей среды 40 °C, частота применения 8760 ч./год. Все выходы из строя электрических систем рассматриваются как опасные выходы из строя. Более подробная информация приведена в документе № 8015532.
  • Механические данные
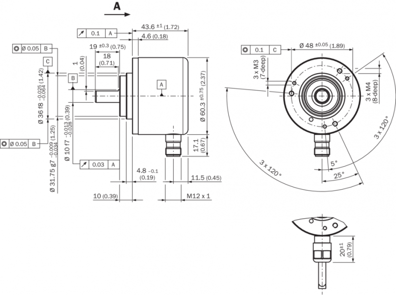
    Механическое исполнениеСплошной вал, Торцевой фланец
    Диаметр вала10 mm x 19 mm
    Длина вала19 mm
    Вес0,5 kg 1)
    Материал, валНержавеющая сталь
    Материал, фланецНержавеющая сталь
    Материал, корпусНержавеющая сталь
    Пусковой момент1 Ncm
    Рабочий крутящий момент0,5 Ncm
    Допустимая нагрузка на вал

    80 N / радиальная

    40 N / осевая

    Момент инерции ротора6,2 gcm²
    Срок службы подшипника3,0 x 10^9 оборотов
    Угловое ускорение≤ 500.000 rad/s²
    Рабочая частота вращения≤ 9.000 min⁻¹ 2)
    • 1) Относится к устройствам с штепсельным разъемом.
    • 2) При расчете диапазона рабочей температуры учитывайте собственный нагрев 3,3 K на 1 000 об/мин.
  • Данные окружающей среды
    ЭМСПо EN 61000-6-2 и EN 61000-6-3 1)
    Тип защиты

    IP67, со стороны вала

    IP67, со стороны корпуса, отвод с разъемом, глухой полый вал, сплошной вал 2)

    IP67, кабельный отвод со стороны корпуса

    Допустимая относительная влажность воздуха90 % (Образование конденсата на оптических сканирующих элементах не допускается)
    Диапазон рабочей температуры

    –40 °C ... +100 °C 3)

    –30 °C ... +100 °C 4)

    Диапазон температуры при хранении–40 °C ... +100 °C, без упаковки
    Ударопрочность100 g, 6 ms (согласно EN 60068-2-27)
    Вибростойкость10 g, 10 Hz ... 2.000 Hz (согласно EN 60068-2-6)
    • 1) Электромагнитная совместимость в соответствии с приведенными стандартами обеспечивается при условии применения экранированных кабелей.
    • 2) При установленном ответном штекере.
    • 3) При стационарной прокладке кабеля.
    • 4) При нестационарной прокладке кабеля.
  • Классификации
    ECl@ss 5.027270502
    ECl@ss 5.1.427270502
    ECl@ss 6.027270590
    ECl@ss 6.227270590
    ECl@ss 7.027270502
    ECl@ss 8.027270502
    ECl@ss 8.127270502
    ECl@ss 9.027270502
    ETIM 5.0EC001486
    ETIM 6.0EC001486
    UNSPSC 16.090141112113
Показать всё Скрыть всё

Технические чертежи

Габаритный чертеж Сплошной вал, торцевой фланец Схема контактов Разъем M12, 12-контактный и кабельное соединение, кабель 12-жильный, SSI/Gray + Sin/Cos Анализ частоты вращения Диаграммы Диаграммы Анализ частоты вращения Вид: Галерея Список Показать всё Скрыть всё
Показать всё Скрыть всё